
A404 - Магнитный
Бесштоковый цилиндр - Ø18, 25, 32, 40, 50 мм
Особенности изделий
- Высокопрочный алюминиевый профиль
- С магнитным поршнем для определения положения
- Регулируемые демпферы на обоих концах
- Шток Ø18, 25, 32, 40, 50 мм
- Подключение воздуха может быть выполнено с любой из трех сторон
- Возможно подключение впускного и выпускного воздуха с одного конца
- Монтаж в любом положении

Применение
Данный длинноходовой компактный привод широко используется для резки в текстильной, пластиковой и бумажной промышленности, для протирки в тампопечатных/сортировочных машинах, для открытия/закрытия дверей и т.д.Технические характеристики
| Диам. поршня (мм) | 18 | 25 | 32 | 40 |
50 |
||||
| Ход демпфера (мм) | 11,5 | 14 | 18 | 30 | |||||
|
Стандартная длина хода * (мм) |
от 10 до 2900 | ||||||||
|
Среда |
Сжатый воздух – фильтрованный и без смазки | ||||||||
|
Рабочее давление (бар) |
2 – 8 | ||||||||
| Температура окружающей среды | от –10° до +60° C | ||||||||
| Температура среды | от +5° до +50° C | ||||||||
| Магнитный датчик | AM42 (детали магнитного датчика см. в каталоге «Пневматические приводы») | ||||||||
| Максимальная скорость@ | 2 м/с | ||||||||
| Материалы конструкции | Алюминий, нитрил, нержавеющая сталь, ацеталь, полиуретан, латунь, ПВХ, наполненный MoS2 нейлон, En8 | ||||||||
* - Для цилиндров с большим ходом: свяжитесь с компанией Остек-АртТул
@ - Рекомендуется использовать только с амортизаторами.
См. график зависимости скорости от нагрузки (стр. 5)
Усилие на выходе в Н (1Н = 0,1 кгс)
| Диам. поршня (мм) | Рабочее давление в бар | |||||||||
| 2 | 3 | 4 | 5 | 6 | 7 | 8 | ||||
|
18 |
51 | 76 | 102 | 127 | 153 | 178 | 204 | |||
| 25 | 98 | 147 | 196 | 245 | 294 | 343 | 393 | |||
| 32 | 161 | 241 | 322 | 402 | 482 | 563 | 643 | |||
| 40 | 251 | 377 | 502 | 628 | 754 | 879 | 1005 | |||
| 50 | 392 | 589 | 785 | 981 | 1177 | 1374 | 1570 | |||
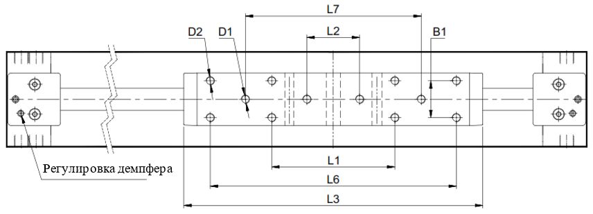
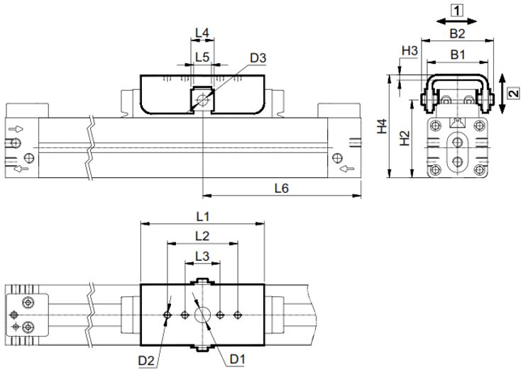
Базовый цилиндр – Ø18, 25, 32, 40, 50 мм


1 Базовый - порты питания на одном или обоих концах, возможность подвода воздуха с трёх сторон обоих крышек
Скоростной вариант «S» - порт питания только на обоих концах, возможность установки с трёх сторон торцевых крышек
|
Диам. поршня (мм) |
B1 | B3 | B4 | B5 | D1 | D2 | D3 | D4 | D5 | EE | H1 | H2 | H3 | H4 | |||
|
Ø18 |
13 | 21 | SQ25 | SQ34 | M5x0.8 - 2 шт. | M4x0.7 - 4 шт. | Ø5.2+0,2 | Ø6 H7 | M4x0.7 - 8 шт. | M5 | 23 | 14,5 | 44 | 50 | |||
|
Ø25 |
16 | 25 | SQ32.5 | SQ45 | M8x1.25 - 2 шт. | M4x0.7 - 4 шт. | Ø5.2+0,2 | Ø8H10 | M5 x 0.8 - 8 шт. | G1/8 | 29,4 | 17 | 57 | 63 | |||
|
Ø32 |
16 | 30 | SQ40 | SQ54 | M5x0.8 - 12 шт. | M5x0.8 - 12 шт. | Ø5.2+0,2 | Ø8 H7 | M6x1 - 8 шт. | G1/8 | 36,5 | 22 | 66 | 72 | |||
|
Ø40 |
25 | 37 | SQ49 | SQ64 | M6x1 - 12 шт. | M6x1 - 12 шт. | Ø6.5+0,1 | Ø10 H10 | M6x1 - 8 шт. | G1/4 | 43,5 | 25 | 78 | 86 | |||
| Ø50 | 30 | 45 | SQ72 | SQ90 | M8x1.25 - 12 шт. | M8x1.25 - 12 шт. | Ø8.5+0,1 | Ø12 H10 | M8x1.25-8 шт. | G1/4 | 62 | 33,5 | 106 | 115 | |||
|
Диам. поршня (мм) |
J1 | J2 | J3 | L1 | L2 | L3 | L4 | L5+ | Доп. хода | L6 | L7 | L8 | L9 | L10 | L11 | T1 | T2 | T3 | |||
|
Ø18 |
11,1 | 4,1 | 8,5 | 45 | Н/Д | 92 | 30 | 152 |
+4 -1 |
Н/Д | 60 | 76 | 5,5 | 5,5 | 13 | 13 | 5 | 8 | |||
|
Ø25 |
16,7 | 4,4 | 11,5 | Н/Д | Н/Д | 120 | 30 | 200 | 75 | 50 | 100 | 7,5 | 7,5 | 17 | 14,5 | 8 | 8 | ||||
|
Ø32 |
17 | 7,5 | 14.4 | 70 | 30 | 170 | 50 | 250 | 140 | 100 | 125 | 7 | 13,5 | 15,5 | 14,5 | 8 | 8 | ||||
| Ø40 | 22 | 4 | 18,5 | 85 | 40 | 210 | 70 | 300 | 165 | 130 | 150 | 11,5 | 15 | 18 | 17,5 | 10 | 10 | ||||
|
Ø50 |
31,8 | 11,5 | 28,5 | 100 | 50 | 255 | 80 | 350 | 200 | 150 | 175 | 14 | 15 | 18,5 | 19 | 12,5 | 12,5 | ||||
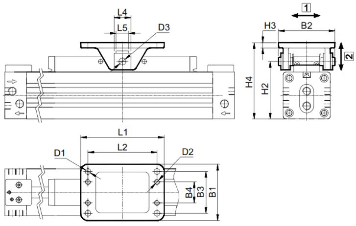
Виды монтажа для бесштокового цилиндра серии A404
Опорная лапа
+ = плюс длина хода
| Диам. поршня (мм) | AB | Перем. ток | AH | AO | AT | AU | SA | TR | H1 | № для заказа | |||
| Ø18 | 5,5 | 1 | 24 | 5,8 | 3 | 12,2 | 176,5 | 24 | 57 | ML5018 | |||
| Ø25 | 5,5 | 2 | 29,5 | 6 | 3 | 13 | 226 | 32,5 | 70 | ML5025 | |||
| Ø32 | 6,5 | 2 | 37 | 7 | 4 | 17 | 284 | 38 | 82 | ML5032 | |||
| Ø40 | 6,5 | 2 | 46 | 8,5 | 5 | 17,5 | 335 | 45 | 100 | ML5040 | |||
| Ø50 | 9 | 3 | 61 | 11 | 6 | 25 | 400 | 65 | 131 | ML5050 | |||
Центральная опора

Положение центральной опоры вдоль цилиндра профиля выбирается произвольно
| Диам. поршня (мм) | AH | B1 | B2 | H1 | 0D1 | A | В | С | № для заказа | |||
| Ø18 | 24 | 64 | 54 | 57 | 5,5 | 30 | 15 | 7 | MW5018 | |||
| Ø25 | 29,5 | 75 | 65 | 70 | 5,5 | 30 | 15 | 7 | MW5025 | |||
| Ø32 | 37 | 90 | 75 | 82 | 6,6 | 37 | 18,5 | 10 | MW5032 | |||
| Ø40 | 46 | 108 | 90 | 100 | 11 | 45 | 22,5 | 14 | MW5040 | |||
| Ø50 | 61 | 134 | 116 | 131 | 11 | 52 | 26 | 16 | MW5050 | |||
Компенсатор момента
| Ø18 мм | Ø25-50 мм | |
![]() |
![]() |
|
|
Диам. поршня (мм) |
Макс. смещение между линейным приводом и внешней направляющей | B1 | B2 | B3 | B4 | ØD1 | D2 | ØD3 | H2 | H3 | H4 | L1 | L2 | L3 | L4 | L5 | L6 | № для заказа | ||||
| 1 | 2 | |||||||||||||||||||||
| Ø18 | ±2 | ±1,2 | 34,5 | 41 | - | - | 9-4 шт. | M4X0.7-4 шт. | 6 | 44 | 3 | 58 | 70 | 40 | 20 | 13 | 10,1 | 76 | MZ5018 | |||
| Ø25 | ±2 | ±2 | 54 | 54 | 40 | 20 | 5.5-4 шт. | M5X0.8-4 шт. | 8 | 57 | 5 | 75 | 80 | 66 | - | 16 | 12,1 | 100 | MZ5025 | |||
| Ø32 | ±2 | ±2 | 54 | 59 | 40 | 20 | 5,5-4Nos | M5X0.8-4 шт. | 8 | 66 | 5 | 84 | 80 | 66 | - | 16 | 12,1 | 125 | MZ5032 | |||
| Ø40 | ±2 | ±2 | 62 | 65 | 44 | 24 | 6,5-4 шт. | M6x1-4 шт. | 10 | 78 | 6 | 100 | 90 | 76 | - | 18 | 14,1 | 150 | MZ5040 | |||
|
Ø50 |
±2 | ±2 | 75 | 80 | 51 | 23 | 9-4Nos | M8x1,25-4 шт. | 12 | 106 | 8 | 130 | 122 | 102 | - | 22 | 16,1 | 175 | MZ5050 | |||
Основные размеры см. в чертеже базовой версии
Бесштоковый цилиндр (базовый и скоростной) - Крепления и установка
A404 Бесштоковый - Крепления / принадлежности серии базового цилиндра
** Примечание:
Все детали/крепеж, необходимые для монтажа, будут поставляться вместе с ними.
Расстояние между центральными опорами
Центральные опоры - это крепления, которые устанавливаются либо у основания, либо по бокам от пазов цилиндра, чтобы предотвратить прогиб / изгибающий момент, вызванный цилиндром, когда к нему прикладывается внешняя нагрузка (W). Это зависит не только от нагрузки, но и от длины хода.
![]() |
![]() |
|
| Прогиб / изгибающий момент возникает под действием внешней нагрузки, если нет центральной опоры для длинных ходов. | Прогиб / изгибающий момент не возникает под действием внешней нагрузки, если есть центральная опора для длинных ходов. | |
Ниже приведена таблица количества центральных опор, которые должны быть в равномерно установлены на основе длины хода для приложенной нагрузки:
| Длина хода (м) | Кол-во требуемых центральных опор | |
| <1 | Не требуется из-за незначительного изгиба | |
| От 1 до 2 | 1 шт. для равного интервала в соответствии с общей длиной (или) 2 шт. для общей длины с равным делением | |
| От 2 до 3 | 2 шт. для равного интервала в соответствии с общей длиной (или) 3 шт. для общей длины с равным делением | |
** Примечание:
Во время работы все принадлежности должны быть жестко зафиксированы.
Допустимые силы и крутящие моменты при горизонтальном монтаже

| Поршень Ø мм | 18 | 25 | 32 | 40 | 50 | |
| Fz макс. (Н) | 120 | 300 | 480 | 800 | 1200 | |
| Mx макс. (Нм) | 0,5 | 1 | 2 | 4 | 6 | |
| My макс. (Нм) |
5 |
15 | 35 | 50 | 100 | |
| Mz макс. (Нм) | 1 | 3 | 4,5 | 8 | 15 | |
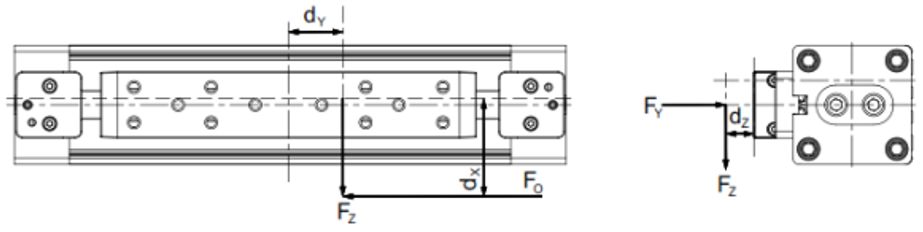
Нагрузки и моменты
Нагрузки и моменты рассчитаны исходя из номинальной скорости v ≤0,5 м/с. Цилиндр при максимальной расчетной нагрузке должен работать со скоростью 0,5 м/с или ниже, с эффективным амортизатором и клапанами управления потоком. Если требуется большая скорость, то номинальная нагрузка должна быть уменьшена по отношению к относительной скорости (или) использовать внешние демпфирующие устройства (такие как амортизаторы, упоры и т.д.), предпочтительно в центре тяжести массы.Нагрузка, размещенная эксцентрично по отношению к максимальной расчетной нагрузке и максимальному изгибающему моменту или превышающая внешние силы, должна удовлетворять уравнению отношения нагрузки к моменту (условие направляющей нагрузки), приведенному ниже:

Ключевые обозначения:
Fx Fy Fz : Приложенная извне нагрузка (Н)Mx : Момент относительно продольной оси (Н-м) в статическом состоянии по оси x
My, : Момент относительно поперечной оси (Н-м) в статическом состоянии по оси y
Myd : Момент относительно поперечной оси (Н-м) в динамическом состоянии по оси y
Mz : Момент относительно вертикальной оси (Н-м) в динамическом состоянии по оси z
k : Коэффициент демпфирования от ударной нагрузки (постоянный)
F0 : Ударная нагрузка, возникающая из-за скорости столкновения (Н)
dx : Расстояние смещения от центральной плоскости крестовины относительно оси x (м)
d, : Расстояние смещения от центральной плоскости крестовины относительно оси y (м)
dz : Расстояние смещения от верхней монтажной поверхности крестовины относительно оси z (м)
α : Коэффициент демпфирования (для пневматического амортизатора и ударов, α=0,01)
** Примечание : Учитываются все допустимые статические и динамические нагрузки с учетом коэффициента трения
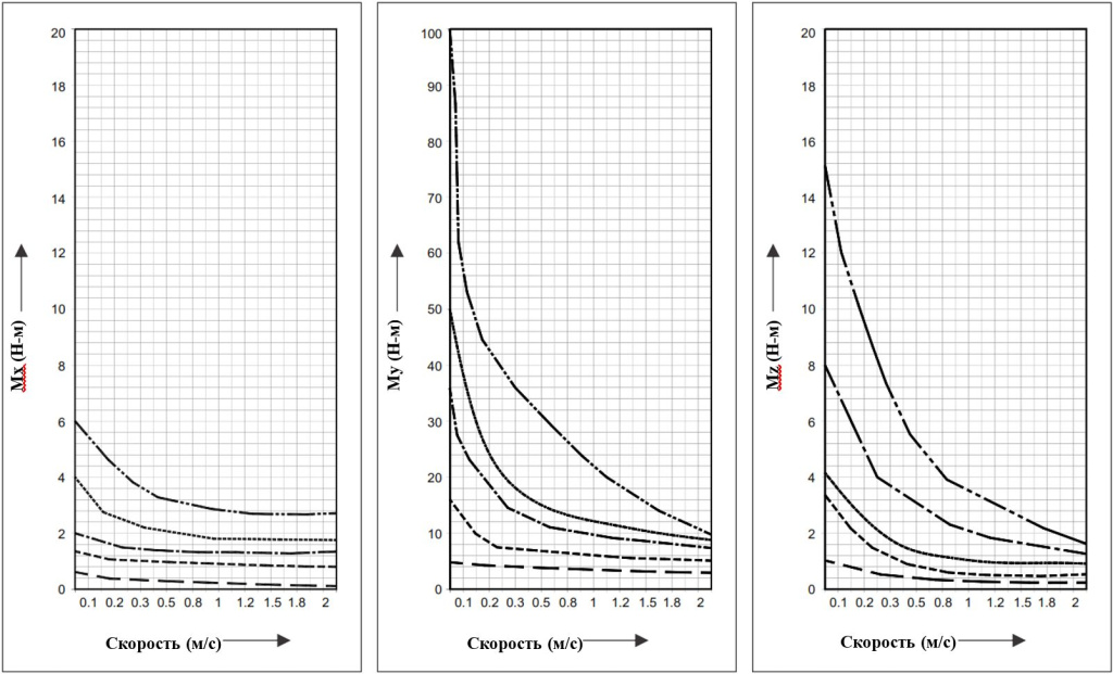
Горизонтальная остановка – График зависимости нагрузки от скорости

Допустимые моменты для A404 с учетом графика зависимости нагрузки от скорости

Допустимые силы и крутящие моменты при другом виде монтажа
Момент для цилиндра остается прежним, но кроме горизонтального монтажа, все остальные виды монтажа несут плавающую нагрузку с гравитационным притяжением в пространстве.В связи с этим при горизонтальном монтаже величина считается меньше наибольшей.
| Направление монтажа | Максимальная допустимая нагрузка для А404 бесштоковой базовой серии (Fz) (Н) | ||||||||||
| Ø18 | Ø25 | Ø32 | Ø40 | Ø50 | |||||||
| Потолок | 25 | 60 | 95 | 160 | 240 | ||||||
| Боковая стенка | 30 | 65 | 105 | 175 | 265 | ||||||
| Вертикальное | 50 | 120 | 190 | 320 | 480 | ||||||
| Монтаж к потолку | Монтаж к боковой стенке | Вертикальный монтаж | |||
![]() |
![]() |
![]() |
|||
** Примечание:
Поскольку величина меньше, это не значит, что скорость должна увеличиться из-за меньшей величины. Из-за гравитационного эффекта цилиндр испытывает прирост импульса, и скорость должна оставаться такой, как указано на графике.
Диаграмма свободного тела для переноса веса с учетом всех допустимых сил
1) Горизонтальный монтаж:
a) Статическое состояние:
Mx = F1*dx
My, = FI*dy
Myd = k*F0*dy
Mz = k*F0*dI
‘F0’ - это ударная нагрузка, возникающая из-за скорости столкновения и кинетической энергии приложенной массы. Это означает, что в момент удара скорость столкновения будет стремиться к эффекту, примерно в 1,4-1,6 раза превышающему фактическую скорость, на которой работает цилиндр, также с учетом демпфирования. (Примем k=0.6)
Скорость столкновения (V0) = x* Фактическая установленная скорость (Va), где, x=1,4,...,1,6 и Fo=V0*Fz*α
2) Монтаж к потолку:

a) Статическое состояние:
My, = FI*dy
b) Динамическое состояние:
Mx = k*Fx*dy
MI = k*F0*dI
‘F0’ - это ударная нагрузка, возникающая из-за скорости столкновения и кинетической энергии приложенной массы. Это означает, что в момент удара скорость столкновения будет стремиться к эффекту, примерно в 1,4-1,6 раза превышающему фактическую скорость, на которой работает цилиндр, также с учетом демпфирования.
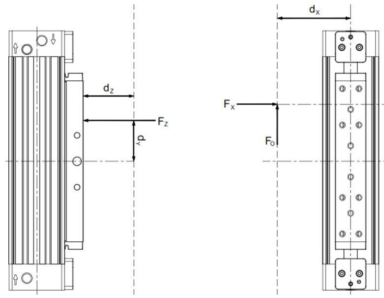
3) Монтаж к боковой стенке:

a) Статическое состояние:
Mx = Fz*dx
b) Динамическое состояние:
Myd = k*Fy*dy
Mz = k*F0*dz
‘F0’ - это ударная нагрузка, возникающая из-за скорости столкновения и кинетической энергии приложенной массы. Это означает, что в момент удара скорость столкновения будет стремиться к эффекту, примерно в 1,4-1,6 раза превышающему фактическую скорость, на которой работает цилиндр, также с учетом демпфирования.
4) Вертикальный монтаж:

a) Статическое состояние:
Mys = Fz*dy
b) Динамическое состояние:
Mx = k*Fx*dx
Mz = k*F0
*dz
‘F0’ - это ударная нагрузка, возникающая из-за скорости столкновения и кинетической энергии приложенной массы. Это означает, что в момент удара скорость столкновения будет стремиться к эффекту, примерно в 1,4-1,6 раза превышающему фактическую скорость, на которой работает цилиндр, также с учетом демпфирования.
** Примечание:
Максимальная нагрузка при вертикальном монтаже принимается равной 40-45% от общей величины при горизонтальной ориентации.
Максимальные статические моменты см. в таблице спецификаций, а динамические моменты - на графике зависимости скорости от момента, в соответствии с которым создается момент для расчетной нагрузки.
Некоторые из ключевых соображений / меры предосторожности при эксплуатации цилиндра:
1) Операции в окружающей среде:
- Убедитесь, что цилиндр работает в окружающей среде, которая должна быть аккуратная и чистая. Окружающая среда должна быть свободна от пыли, так как она может загрязнить уплотнения, находящиеся внутри цилиндра, если попадет через мелкие пористые зазоры. Уплотнения не должны подвергаться воздействию воды. Для очистки цилиндра используйте воздушный пульверизатор или сухую одежду.
- Избегайте размещения цилиндров в местах, где температура выше или ниже максимальной и минимальной рекомендованной температуры, так как могут происходить постоянные формоизменения уплотнений внутри цилиндра, что приведет к утечке.
- При работе цилиндра в условиях высоких нагрузок и относительно низких скоростей необходимо в обязательном порядке регулировать амортизацию, чтобы избежать разрушения уплотнения. Не следует перегружать цилиндр, поскольку перегрузка цилиндра и его функционирование приведут к поломке уплотнения, так как он рассчитан только на рекомендованную расчетную нагрузку и скорость.
- Для регулировки иглы используйте подходящую отвертку. Не эксплуатируйте цилиндр в состоянии без амортизатора
| Ø18, 32, 40, 50 мм | Ø25 мм | |||
|
![]() |
|||
При регулировке иглы отвертка должна скользить внутри диаметрального отверстия торцевой пластины. При использовании отвертки неправильного размера головка иглы будет повреждена из-за проскальзывания или повреждения инструмента.
3) Прокладка труб:
- Трубопроводы должны быть устойчивы к ржавчине, а трубопровод подачи воздуха в систему должен быть чистым.
- Используйте чистый и свежий воздух при помощи фильтра. Всегда следите за тем, чтобы воздух через фильтр компрессора регулярно фильтровался, чтобы избежать загрязнения и попадания частиц пыли.
- Не допускайте повреждений и неправильного обращения с изделием, так как в случае повреждения цилиндра это может повлиять на его работу. Избегайте контактов с электрической сваркой или любых опасных контактов вблизи цилиндра, что может привести к разрушению цилиндра, если этого не сделать.
- При эксплуатации цилиндра под рабочим давлением (с внешними нагрузками или без них) убедитесь, что цилиндр жестко зажат или обе торцевые крышки зафиксированы торцевыми упорами, что обеспечивает безопасность изделия и пользователя. Не допускайте свешивания цилиндра. Не закрепляйте крестовину и не эксплуатируйте цилиндр.

Порядок заказа
| A404 |
|
040 |
|
1000 |
|
S |
|
Виды монтажа | |
|
|
|
|
|
|
|||||
|
|
|
|
|
||||||
| 018 – Ø18 |
от 10 до 2900 мм | Отсутствует – Базовый |
Отсутствует – стандартный | ||||||
| 025 – Ø25 |
S – Входное отверстие с обеих сторон скоростная модель) | L – Монтаж на лапе | |||||||
| 032 – Ø32 | W – Центральная опора | ||||||||
| 040 – Ø40 | Z – Компенсатор момента | ||||||||
| 050 – Ø50 | |||||||||
Пример заказа:
Номер заказа для бесштокового цилиндра с отверстием Ø40, ходом 1000 мм, скоростная модель с центральной опорой: A4040401000SW
Для цилиндров с большим ходом: свяжитесь с компанией Остек-АртТул







