Характеристики
Артикул
GC
Давление
2–8 бар
Пневматический счетчик с предварительной установкой (5 делений) - 0497497
Описание
28 102.88 ₽/шт
Варианты цен
28 102.88 ₽/шт
Под заказ
Наши менеджеры обязательно свяжутся с вами и уточнят условия заказа

Особенности
- Постоянно видимая предустановка.
- Встроенный пневматический сброс.
- Трех- или пятизначный дисплей.
- Удобная кнопочная настройка.
Технические характеристики
|
№ для заказа |
GC1M0270 |
|
Высота символа |
4 мм |
|
Рабочее давление |
2–8 бар |
|
Качество воздуха |
Безмасляный |
| Размер отверстия в фильтре | < 40 мкм |
|
Рабочая температура |
от 0 до 60° C |
|
Размер отверстия |
M5 |
|
Монтаж |
Горизонтальная роликовая ось на передней панели |
|
Положение монтажа |
Горизонтальная роликовая ось |
|
Класс защиты (IEC 144) |
IP40 с подсоединенными шлангами |
|
Входной сигнал счета |
Добавляемый |
|
Минимальная продолжительность импульса |
8 мс |
|
Макс. частота счета |
20 Гц |
|
Коэффициент заполнения импульсов |
1:1 |
|
Сброс |
− ручной с кнопки − внешним пневматическим сигналом, мин. продолжительность импульса 180 мс |
|
Частота сброса |
Макс. 1 за 2 с |
|
Длительность сигнала |
С момента достижения уставки до сброса |
Функция
Счетчики имеют 5-значный дисплей и выполняют счет по возрастающей, т. е. с добавлением входящих сигналов. При сбросе счетчика отображается значение 00000. Пневматический сигнал увеличивает значение счетчика на полшага с появлением первой половины цифры. По завершении сигнала значение увеличивается еще на полшага, и цифра становится полностью видимой.Предусмотрен ручной сброс счетчика с помощью кнопки. Также возможен сброс с помощью пневматического сигнала. Сигнал счета не может поступать или присутствовать во время процедуры сброса.
Основные размеры



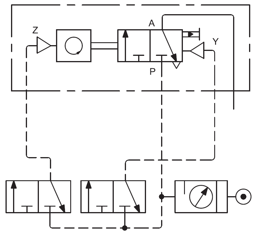
Схема соединения
![]() |
Z — импульсный ввод «счет» Y — импульсный ввод «сброс» P — воздушный ввод A — выходной управляющий сигнал |
Порядок заказа
![]() |
![]() |
![]() |
![]() |
![]() |
||||
|
Диапазон давления |
Сброс |
Деления счетчика |
Размер отверстия |
|||||
| 1 |
2 – 8 бар |
M |
Ручной/пневматич. сброс |
02 |
5 делений |
70 |
M5 |
|
№ для заказа пневматического счетчика с предварительной установкой: GC1M0270.
Ваша выгода - наш приоритет!
Ценовая привлекательность
Вы можете купить Пневматические счетчики с предварительной установкой, серии GC, которые не уступают популярным аналогам, в большинстве случаев выгоднее продукции немецких и японских производителей.
Отсутствие маркетинговой наценки
В стоимость наших комплектующих не заложена маркетинговая наценка за бренд, составляющая порядка 30-40% от стоимости.
99,9% гарантия от брака
Качественное оборудование на производстве и дорогостоящее испытательное оборудование, позволяет почти полностью исключить попадание бракованных изделий.



