Артикул:
A26063160O
Описание и схемы Пневмоцилиндр ISO15552 базовый с проходным штоком, без магнита, 63x160

Пневматические цилиндры с двусторонним штоком, двустороннего действия, Ø32–100 мм. В соответствии со стандартами ISO 15552 / VDMA 24562
Особенности изделий
- Регулируемое демпфирование в обоих конечных положениях эластомерными элементами
- Широкий ассортимент принадлежностей для монтажа
- Исполнения с магнитом и без магнита
- Опция: исполнение для работы в условиях высокой температуры (уплотнения FKM), до 150 °C **
- Опция: шток и гайка штока из нержавеющей стали (SS304) **
Технические характеристики
| Ø поршня | 32 мм | 40 мм | 50 мм | 63 мм | 80 мм | 100 мм | |||
|
Ход тормозной подушки |
21 мм |
23 мм | 23 мм |
23 мм |
28 мм |
28 мм | |||
|
Стандартная длина хода * |
25 мм, 50 мм, 80 мм, 100 мм, 125 мм, 160 мм, 200 мм, 250 мм, 300 мм, 320 мм, 400 мм, 500 мм | ||||||||
|
Рабочая среда |
Сжатый воздух, фильтрованный, после маслораспылителя | ||||||||
|
Рабочее давление |
0,5–10 бар | ||||||||
|
Температура окружающей среды |
от -10 до +60 °C | ||||||||
|
Стандартная температура сжатого воздуха |
от +5 до +50 °C | ||||||||
| Высокотемпературное исполнение** | от +5 до макс. +150 °C | ||||||||
|
Материальное исполнение |
Алюминий, латунь, сталь, ацеталь, полиуретан, нитрил (на стандартную температуру), FKM (на повышенную температуру) |
||||||||
|
Монтажные принадлежности |
Базовый цилиндр, монтаж на лапах, передний и задний фланцы, вилка, передняя цапфа, задняя цапфа, центральная цапфа |
||||||||
|
Принадлежности |
Стойки для цапфы, вилка штока с защелкой, наконечник штока со сферическим шарниром, универсальный шарнир штока |
||||||||
** Необходимо указать специальный номер заказа
Выходное усилие (усилие в Н: 1 Н = 0,1 кгс)
|
Ø поршня, мм |
Ø штока, мм |
Рабочее давление, бар |
|||||||||||
| 2 | 3 | 4 | 5 | 6 | 7 | 8 | 9 | 10 | |||||
|
32 |
12 |
124 |
187 | 249 |
311 |
373 |
435 |
498 |
559 | 621 | |||
|
40 |
16 |
190 |
285 |
380 |
475 |
570 |
665 |
760 |
655 |
950 | |||
|
50 |
20 |
297 |
445 |
594 |
742 |
891 |
1039 |
1187 |
1336 |
1484 | |||
|
63 |
20 |
505 |
757 |
1009 |
1261 |
1514 |
1766 |
2018 |
2270 | 2523 | |||
|
80 |
25 |
816 |
1225 |
1633 |
2041 |
2449 |
2857 |
3266 |
3674 |
4082 | |||
|
100 |
25 |
1325 |
1988 |
2650 |
3313 |
3976 |
4640 |
5300 |
5965 |
6625 | |||
Вышеуказанные значения были определены с учетом потерь на трение
Базовый цилиндр

+ Дополнительный ход
++ Добавить двойной ход
| Ø поршня |
KK |
AM |
ММ |
SW2 |
L12 |
SW1 |
Вe11 |
VD |
L2 |
E макс. |
G | TG | RT | |||
| 32 |
M10x1,25 |
22 |
12 |
10 |
6 |
17 |
30 |
6 |
18,5 | 45 |
25,5 |
32,5 | M6 | |||
|
40 |
M12x1,25 |
24 |
16 |
13 |
6,5 |
19 |
35 |
6,5 |
20,5 |
51 |
29 |
38 |
M6 | |||
| 50 |
M16x1,5 |
32 |
20 |
16 |
8 |
24 |
40 |
6,5 |
28 |
64 |
29 |
46,5 |
M8 | |||
|
63 |
M16x1,5 |
32 |
20 |
16 |
8 |
24 |
45 |
6,5 |
27,5 |
74 |
35 |
56,5 |
M8 | |||
|
80 |
М20Х1,5 |
40 |
25 |
21 |
10 |
30 |
45 |
6,5 |
34 |
94 |
35 |
72 |
M10 | |||
|
100 |
M20x1,5 |
40 |
25 |
21 |
10 |
30 |
55 |
6,5 |
35 |
111 |
38,5 |
89 |
M10 | |||
| Ø поршня |
BG мин. |
ЕЕ |
PL |
L7 |
WH |
Доп. |
ZB |
Доп. |
L8 |
Доп. |
L9 | Доп. хода | Допуск | Хода Доп. | |||
|
32 |
16 |
G1/8 |
13 |
5 |
26 |
±1,4 |
120 |
±1 |
94 |
±0,6 |
5 |
147 |
±1,5 |
+2 +0 |
|||
| 40 |
16 |
G1/4 |
14,5 |
5 |
30 |
135 |
±1 |
105 |
±0,7 |
5 |
166 | ||||||
|
50 |
16 |
G1/4 |
15 |
7,5 |
37 |
143 |
±1,1 |
106 |
±0,7 |
6 |
181 | ||||||
|
63 |
16 |
G3/8 |
17 |
10 |
37 |
±1,8 |
158 |
±1,1 |
121 |
±0,8 |
6 |
196 |
+2,5 +0 |
||||
|
80 |
16 |
G3/8 |
18 |
14 |
46 |
174 |
±1,1 |
128 |
±0,8 |
6 |
221 | ||||||
| 100 |
16 |
G1/2 |
18 |
10 |
51 |
189 |
±1,1 |
138 |
±1 |
6 |
241 | ||||||
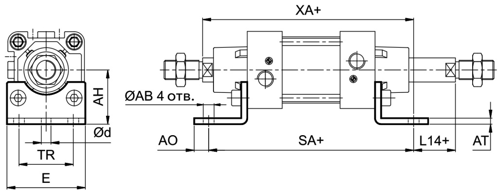
Лапы

+ Дополнительный ход
|
Ø поршня |
TR ±0,3 |
AB H14 |
AH Js16 |
АО макс. |
AT |
E |
d* |
SA |
Доп. |
L14 |
Доп. |
ХА |
Размер болта | № для заказа | |||
|
32 |
32 |
7 |
32 |
8 |
4 |
46 |
5,8 |
142 |
±1,25 |
3 |
±1,5 |
144 |
М6 |
ML1032 | |||
|
40 |
36 |
10 |
36 |
10 |
4 | 52 |
7,8 |
161 |
3 | ±1,5 | 163 | М8 |
ML1040 |
||||
|
50 |
45 |
10 |
45 |
12 |
5 |
65 |
7,8 |
170 |
6 |
±1,8 |
175 |
М8 | ML1050 | ||||
|
63 |
50 |
10 |
50 |
12 | 5 |
75 |
7,8 |
185 |
±1,6 |
6 |
±1,8 |
190 |
М8 |
ML1063 | |||
|
80 |
63 |
12 |
63 |
17 |
6 |
95 |
9,8 |
210 |
6 |
±1,8 |
215 |
М10 |
ML1080 | ||||
| 100 |
75 |
14,5 |
71 |
19 |
6 |
115 |
11,8 |
220 |
11 | ±1,8 |
230 |
М12 |
ML1100 | ||||
* Можно рассверлить
Фланец

++ Добавить двойной ход
|
Ø поршня |
TF ±0,3 |
R ±0,3 |
FB H13 |
MF |
UF |
E |
W |
Доп. |
L15 |
Доп. |
Рекомендованный размер болта | № для заказа | |||
|
32 |
64 |
32 |
7 |
10 |
80 |
50 |
16 |
±1,6 |
131 |
±1,25 |
М6 |
MF1032 | |||
|
40 |
72 |
36 |
9 |
10 |
90 |
55 |
20 |
146 |
М8 |
MF1040 | |||||
| 50 |
90 |
45 |
9 |
12 |
110 |
68 |
25 |
156 |
М8 |
MF1050 | |||||
| 63 |
100 |
50 |
9 |
12 |
125 |
78 |
25 |
±2 |
171 |
±1,6 |
М8 |
MF1063 | |||
|
80 |
126 |
63 |
12 |
16 |
155 |
100 |
30 |
191 |
М10 |
MF1080 | |||||
| 100 |
150 |
75 |
14 |
16 |
185 |
120 |
35 |
206 |
М12 |
MF1100 | |||||
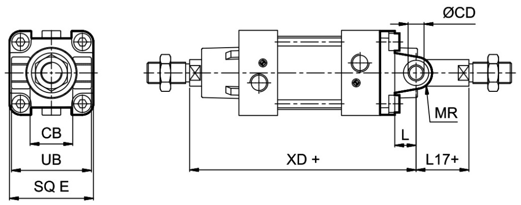
Вилка

+ Дополнительный ход
|
Ø поршня |
CD |
CB H14 |
L мин. | MR макс. |
UB h14 |
E макс. |
L17 |
Доп. |
XD |
Доп. | № для заказа | |||
|
32 |
10 |
26 |
12 |
11 |
45 |
45 |
5 |
±1,5 |
142 |
±1,25 | MB1032 | |||
|
40 |
12 |
28 |
15 |
13 |
52 |
51 |
6 |
160 | MB1040 | |||||
|
50 |
12 |
32 |
15 | 13 |
60 |
64 |
11 |
±1,8 |
170 |
MB1050 | ||||
|
63 |
16 |
40 |
20 |
17 |
70 |
74 |
6 |
190 |
±1,6 | MB1063 | ||||
|
80 |
16 |
50 |
20 |
17 |
90 |
94 |
11 |
210 |
MB1080 | |||||
|
100 |
20 |
60 |
25 |
21 |
110 |
111 |
11 |
230 |
MB1100 | |||||
Цапфа концевая

++ Добавить двойной ход
|
Ø поршня |
TD e9 |
TL h14 |
TM h14 |
UW |
TT |
R |
L1 |
Доп. |
L2 прибл. |
L3 |
Доп. | № для заказа | |||
|
32 |
10 |
26 |
12 |
11 |
45 |
45 |
5 |
±1,5 |
2 |
129 |
±1,5 |
MT1032 | |||
|
40 |
12 | 28 | 15 |
13 |
52 |
51 |
6 |
0 |
147 | MT1040 | |||||
|
50 |
12 |
32 |
15 |
13 |
60 |
64 |
11 |
3 |
156 |
MT1050 | |||||
|
63 |
16 |
40 |
20 |
17 |
70 |
74 |
6 |
±1,8 |
-1 |
173 |
±2 |
MT1063 | |||
|
80 |
16 |
50 |
20 |
17 |
90 |
94 |
11 |
1,8 |
191 |
MT1080 | |||||
|
100 |
20 |
60 |
25 |
21 |
110 |
111 |
11 |
-1,2 |
210 |
MT1100 | |||||
Центральная цапфа

+ Дополнительный ход
++ Добавить двойной ход
|
Ø поршня |
TD e9 |
TL h14 |
TM h14 |
UW |
TT |
R |
XV ±2 | L18 ±2 | |||
|
32 |
12 |
12 |
50 |
48 |
16 |
1 |
73 |
74 | |||
|
40 |
16 |
16 |
63 |
55 |
22 |
1,5 |
82,5 |
83,5 | |||
|
50 |
16 |
16 |
75 |
70 |
24 |
1,6 |
90 |
91 | |||
|
63 |
20 |
20 |
90 |
86 |
28 |
1,6 |
97,5 |
98,5 | |||
|
80 |
20 |
20 |
110 |
110 |
32 |
1,6 |
110 |
111 | |||
|
100 |
25 |
25 |
132 |
135 |
40 |
2 |
120 |
121 | |||
Примечание: центральная цапфа устанавливается только в заводских условиях
Принадлежности для пневмоцилиндра серии A25, A26
Стойки для цапфы

|
Ø поршня |
B1 |
B2 |
A |
d1 |
d2 H13 |
d3 H9 |
H1 |
H2 |
H3 |
K5 Js14 | № для заказа | |||
|
32 |
46 |
18 |
32 ±0,2 |
11 |
6,6 |
12 |
30 |
15 ±0,1 |
23 |
71 |
AT032 | |||
|
40 |
55 |
21 |
36 ±0,2 |
15 |
9 |
16 |
36 |
18 ±0,1 |
27 |
87 |
AT040 | |||
|
50 |
55 |
21 |
36 ±0,2 |
15 |
9 |
16 |
36 |
18 ±0,1 |
27 |
99 |
AT040 | |||
|
63 |
65 |
23 |
42 ±0,2 |
15,5 |
11 |
20 |
40 |
20 ±0,1 |
21 |
16 |
AT063 | |||
|
80 |
65 |
23 |
42 ±0,2 |
15,5 |
11 |
20 |
40 |
20 ±0,1 |
29 |
136 |
AT063 | |||
|
100 |
75 |
28,5 |
50 ±0,2 |
20 |
14 |
25 | 50 |
25 ±0,1 |
37 |
164 |
AT100 | |||
Вилка штока с защелкой (ISO 8140)

| Ø поршня | KK | L1 | L2 | L3 | H1 | H2 | D1 | U | ±ϴ° | № для заказа | |||
| 32 |
M10 x 1,25 | 20 | 14 | 65 | 17 | 8 | 28 | 0,75 | 5 | AF010 | |||
| 40 | M12 x 1,25 | 22 | 18 | 75 | 19 | 10 | 32 | 1 | 5 | AF012 | |||
| 50/63 | M16 x 1,5 | 25 | 22 | 91 | 27 | 13 | 41 | 1 | 5 | AF016 | |||
| 80/100 | М20 х 1,5 | 30 | 28 | 112 | 32 | 16 | 50 | 1,5 | 5 | AF020 | |||
Позиционер штока

| Ø поршня | KK | L1 | L2 | L3 | H1 | H2 | D1 | U | ±ϴ° | № для заказа | |||
| 32 |
M10 x 1,25 | 20 | 14 | 65 | 17 | 8 | 28 | 0,75 | 5 | AR010 | |||
| 40 | M12 x 1,25 | 22 | 18 | 75 | 19 | 10 | 32 | 1 | 5 | AR012 | |||
| 50/63 | M16 x 1,5 | 25 | 22 | 91 | 27 | 13 | 41 | 1 | 5 | AR016 | |||
| 80/100 | М20 х 1,5 | 30 | 28 | 112 | 32 | 16 | 50 | 1,5 | 5 | AR020 | |||
Наконечник штока со сферическим шарниром (ISO 8139)

| Ø поршня | KK | CN H9 | T | EN h12 | CE | LE мин. | ER макс. | АХ | SW | Z | № для заказа | |||
| 32 | M10 x 1,25 | 10 | 10,5 | 14 | 43 | 15 | 14 | 20 | 17 | 13° | AP010 | |||
| 40 | M12 x 1,25 | 12 | 12 | 16 | 50 | 17 | 16 | 22 | 19 | AP012 | ||||
| 50/63 | M16 x 1,5 | 16 | 15 | 21 | 64 | 22 | 21 | 28 | 22 | 15° | AP016 | |||
| 80/100 |
M20 x 1,5 | 20 | 18 | 25 | 77 | 26 | 25 | 33 | 30/32 | AP020 | ||||
Порядок заказа
| A |
| 26 |
| 040 | 050 | B |
| H | |||
|
|
|
|
|
|
|||||||
|
|
|
|
принадлежности |
цилиндры |
|||||||
| 25 Магнитный цилиндр |
032 - Ø 32 |
025 - 25 |
0 — базовое исполнение | H — высокотемпературные | |||||||
| 26 Стандартный цилиндр | 040 - Ø 40 |
050 - 50 |
L — монтаж на лапах | S — со штоком из нержавеющей стали |
|||||||
|
|
050 - Ø 50 |
080 - 80 |
F — фланец | ||||||||
|
063 - Ø 63 |
100 - 100 |
В — вилка | |||||||||
|
080 - Ø 80 |
125 - 125 | N — цапфа | |||||||||
| 100 - Ø 100 | 160 - 160 | T — центральная цапфа | |||||||||
|
|
200 - 200 |
||||||||||
|
250 - 250 |
|||||||||||
| 300 - 300 | |||||||||||
| 320 - 320 | |||||||||||
|
400 - 400 |
|||||||||||
| 500 - 500 | |||||||||||
Пример
№ для заказа стандартного цилиндра с отверстием диам. 40 мм, ходом 50 мм с монтажом на внутренней серьге, рассчитанного на высокую температуру: A26 040 050 В - Н
Примечание
При заказе как «цилиндр с диаметром поршня 40 мм, ходом 50 мм» будет поставлен базовый цилиндр A26 040 050 О
Для повторного заказа, при указании данных с паспортной таблички цилиндра, отдельно указывайте способ монтажа
При заказе принадлежностей номера для заказа необходимо брать из соответствующих таблиц
При отдельном заказе монтажных комплектов (если они требуются отдельно) используйте приведенные ниже номера для заказа
| Ø поршня | Монтаж на лапах* | Фланец * | Вилка* | Цапфа концевая * | |||
| ![]() | | | ||||
| 32 |
ML1032 | MF1032 | MB032 | MT0032 | |||
| 40 | ML040 | MF040 | MB040 | MT0040 | |||
| 50 | ML050 | MF050 | MB050 | MT0050 | |||
| 63 | ML063 | MF063 | MB063 | MT0063 | |||
| 80 | ML1080 | MF1080 | MB1080 | MT0080 | |||
| 100 | ML1100 | MF1100 | MB1100 | MT0100 | |||
В случае особых требований к цилиндрам или для получения дополнительной информации обращайтесь к своему региональному дилеру или в компанию Остек-АртТул
|
Артикул
|
A26063160O |
|
Страна производтва
|
ИНДИЯ |
|
Серия цилиндра
|
A26 |
|
Форма цилиндра
|
Квадратный на шпильках, проходной шток, ISO 15552 |
|
Диаметр поршня, мм
|
63 |
|
Ход, мм
|
160 |
|
Производитель
|
JANATICS INDIA PRIVATE LIMITED |
|
Магнит
|
Нет |
Оплатить заказ можно только от юридического лица, получив счет на оплату оборудования.
