Артикул:
EVMD-78-04-0000
С этим товаром покупают
Описание и схемы Встраиваемый гидрораспределитель 2-линейный 2-позиционный нормально закрытый, прямого действия, с двунаправленной блокировкой, 35 л/мин, 250 бар SAE10
Электромагнитный 2-линейный 2-позиционный нормально закрытый встраиваемый клапан, прямого действия, тарельчатого типа, с двунаправленной блокировкой.
[2] Код для заказа
(1) EVMD: Встраиваемый гидрораспределитель
(2) 78: 7/8”-14 UNF
(3) 04: Без устройства ручного управления
(4) 04: Без устройства ручного управления
0000: Без катушек
012C: Катушки для 12 B постоянного тока
024C: Катушки для 24 B постоянного тока

Все внешние поверхности оцинкованы и обеспечены защитой от коррозии.
Все детали клапана изготовлены из высокопрочной стали. Тарелка изготовлена из закаленной и шлифованной стали для обеспечения минимального износа и продолжительного срока службы. Уплотнения катушек защищают систему электромагнитов. Опция устройства ручного управления. Стандартная промышленная камера SAE





– Класс H изоляции катушки согласно стандарту IEC85.
– Класс H проводов (200°C).
– Рабочий цикл ED 100%.
– Магнитная цепь в оболочке из термопластичной смолы.
– Стандартный цвет – черный.
– Металлические части обеспечены защитой от окисления.
[1] Описание
Специальная конструкция для минимизации утечек при применении в режимах удержания нагрузки. Когда на катушку не подводится питание, клапан EVMD.78.04 блокирует поток в обоих направлениях. После подачи питания на катушку тарелка клапана открывается и пропускает свободный поток из линии 1 в линию 2 и из линии 2 в линию 1. Прочная конструкция с цельным корпусом минимизирует эффекты радиального биения в камере и обеспечивает исключительно высокую надежность. Низкий перепад давлений благодаря оптимизированной схеме прохождения потока.Характеристики
|
Макс. расход |
35 л/мин |
|
Макс. давление |
250 бар (25 МПа) |
|
Макс. внутренняя утечка |
макс. 5 капель/мин при 250 бар |
|
Масса |
0,225 кг |
[2] Код для заказа
| (1) |
(2) |
|
(3) |
(4) |
|
| EVMD | 78 |
— |
04 |
— |
* |
(1) EVMD: Встраиваемый гидрораспределитель
(2) 78: 7/8”-14 UNF
(3) 04: Без устройства ручного управления
(4) 04: Без устройства ручного управления
0000: Без катушек
012C: Катушки для 12 B постоянного тока
024C: Катушки для 24 B постоянного тока

Все внешние поверхности оцинкованы и обеспечены защитой от коррозии.
Все детали клапана изготовлены из высокопрочной стали. Тарелка изготовлена из закаленной и шлифованной стали для обеспечения минимального износа и продолжительного срока службы. Уплотнения катушек защищают систему электромагнитов. Опция устройства ручного управления. Стандартная промышленная камера SAE


[3] Типовые графики

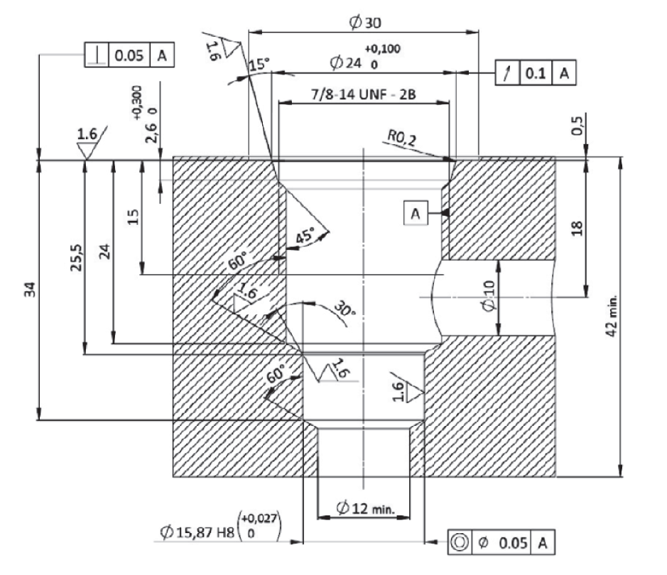
[4] Установочные размеры (мм)

[5] Электрические характеристики
Такие электромагнитные клапаны, как правило, оснащаются катушками типа C38 с питанием от постоянного тока[6] Установка
Клапаны EVMD.78.04 устанавливаются в 7/8”-14 UNF.
– Класс H изоляции катушки согласно стандарту IEC85.
– Класс H проводов (200°C).
– Рабочий цикл ED 100%.
– Магнитная цепь в оболочке из термопластичной смолы.
– Стандартный цвет – черный.
– Металлические части обеспечены защитой от окисления.
[7] Катушки типа C38 (16 мм – 26 Вт)
|
Катушка с соединителями ISO/DIN |
Напряжение постоянного тока |
Номинальный ток [A] |
Сопротивление катушки [Ом] |
Номинальная мощность[Вт] |
Класс изоляции |
|
C38-012C |
12 B постоянного тока |
2,2 | 5,6 | 26 | H |
|
C38-024C |
24 B постоянного тока |
1,1 | 22,2 | 26 |
|
|
Артикул
|
EVMD-78-04-0000 |
Оплатить заказ можно только от юридического лица, получив счет на оплату оборудования.