Артикул:
PD1-03/32-5
Описание и схемы Плита входная для клапанов HDF, G3/8"
1. Описание
На верхней поверхности корпуса предусмотрены выходы каналов A и B с резьбой G1/4. Отдельные корпусы распределителей соединяются в компактный блок с использованием трех болтов. Направляющие распределители и другие клапаны можно комбинировать для формирования различных гидравлических контуров. Базовая обработка поверхности – корпуса клапана с защитным покрытием никель-фосфор и оцинкованные электромагниты.2. Код для заказа
| (1) | (2) | (3) | (4) | (5) |
(6) |
(7) | ||||
| HDF |
— |
ES |
— |
|
— |
/ | 10 |
(1) Тип HDF: 4-линейный направляющий гидрораспределитель – давление 25 МПа (250 бар)
(2) Варианты портов (см. 8)
Без обозначения: Стандартная версия
C: P и T непроходные (запирающий элемент с уплотнениями)
B: P и T непроходные (запирающий элемент без уплотнений)
2: Дополнительные порты A и B на монтажной поверхности
(3) Тип ES: Стандартный с электрическим управлением
(4) Тип золотника (см. 4)
– Номер обозначает тип главного золотника
– Буква обозначает электромагнит или конфигурацию пружины
C: 2 электромагнита, золотник с пружинной возвратом в среднее положение (3 положения)
N: 2 электромагнита, фиксированный золотник (2 положения)
LL: 1 электромагнит (a), золотник с пружинным возвратом (2 положения, боковое положение – боковое положение)
ML: 1 электромагнит (a), золотник с пружинным возвратом (2 положения, среднее положение – боковое положение)
LM: 1 электромагнит (a), золотник с пружинным возвратом (2 положения, боковое положение – среднее положение)
(5) Код, зарезервированный для опций и вариантов:
b: Электромагнит b устанавливается только в версиях LL, ML, LM (вместо электромагнита a)
S-**: Калиброванное проходное отверстие порта P (см. 9)
ZT: Корпус, арматурные трубки и катушки с цинковым покрытием
(6) Электрическое напряжение и катушки электромагнитов:
0000: Без катушек
012C: Катушки для 12 B постоянного тока
024C: Катушки для 24 B постоянного тока
220R: Катушки для 220 В перем. тока/50 Гц – 230 В перем. тока/60 Гц
(7) Номер (порядковый) конструкций клапанов


Комбинации золотников, пружины и электромагнитов позволяют реализовывать практически любые соединения и последовательности всех типов портов (P, A, B, T).
Фактически для всех комбинаций электромагнитов/пружин и для всех типов золотников (за исключением золотника 4), когда питание подводится к электромагниту a, используются гидравлические соединения P→ B и A → T; для применения соединений P → A и B → T питание должно подводиться к электромагниту b.
Гидравлические соединения, создаваемые в центральном (нейтральном) положении, когда к электромагнитам не подводится питание, являются характеристическим признаком формы золотника, и на их основе выводится идентификационный номер:
0 = P, A, B, T соединены
1 = P, A, B, T закрыты
3 = P закрыт, A, B, T соединены
Описание других типов см. в 4.
Распределители типа HDF являются базовыми элементами для конструктивных блоков при горизонтальной сборке без необходимости установки дополнительных плит.
3. Технические характеристики
|
Макс. номинальный расход |
20 л/мин |
Электрические характеристики |
|
Макс. расход |
25 л/мин |
Клапаны HDF-ES-* приводятся в действие электромагнитом, питание которого подводится: – непосредственно от источника напряжения постоянного тока 12 B постоянного тока 24 B постоянного тока – посредством соединителей, оснащенных двухполупериодным мостовым выпрямителем, от источника напряжения переменного тока: 220 B/50 Гц (230 B/60 Гц) Все соединители должны соответствовать требованиям стандарта ISO 4400 (DIN 43650), и электрическая цепь должна быть способна проводить следующий номинальный ток: 12 B постоянного тока = 1,83 A 24 B постоянного тока = 0,92 A 220 B переменного тока = 0,08 A Допустимые колебания напряжения питания: +5% -10% |
|
Макс. номинальное давление (P, A, B) |
25 МПа (250 бар) |
|
|
Макс. давление в порте T |
200 МПа (200 бар) |
|
|
Перепады давления |
см. 5 |
|
|
Степень защиты согласно DIN 40050 |
IP65 |
|
|
Рабочий цикл |
100% |
|
|
Срок службы |
≥ 107 циклов |
|
|
Установка и размеры |
см. 7 |
|
|
Масса |
1,04 – 0,9 кг |
4. Типовые графики
Типовые кривые Δp-Q для клапанов HDF -ES-* в стандартной конфигурации, с минеральным маслом с вязкостью 36 сСт, при температуре 50°C, в направлении потока P → A/B, A/B → T.
1 = Все золотники : P → A/B and A/B → T
2 = золотник 4: P → A/B and P →T
5. Идентификация золотников и промежуточные положения

6. Пределы мощности
Пределы характеристик p-Q для безопасной эксплуатации электромагнитных клапанов HDF-ES*. Кривые пределов применяются для электромагнитных клапанов с питанием при номинальном напряжении –5%, заполняемых гидравлической жидкостью.
1 HDF-ES-1C, HDF-ES-0ML, HDF-ES-1LL, HDF-ES-1LLb, HDF-ES-1ML
2 HDF-ES-4C, HDF-ES-4ML
3 HDF-ES-0C, HDF-ES-0ML
4 HDF-ES-3C, HDF-ES-3ML
5 HDF-ES-0LL
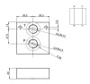
7. Установочные размеры (мм)
HDF-ES-*C -*
HDF-ES-*LL-* HDF-ES-*ML-* HDF-ES-*LM-*

Плита для подвода масла к клапанам HDA-ES Тип PD1-03/32-5

Плита заглушка для клапанов HDF-ES

HDFC-ES-*

HDFB-ES-*

HDF2-ES-*

Плита для последовательного соединения клапанов HDF-ES, AMF-PM-TP

Плита для клапанов HDF-ES, PD1-PT

8. Варианты портов
|
|
![]() |
|
Предназначен для использования в качестве замыкающего элемента в сборке клапанов HDF-ES-* |
Специально разработан (с дополнительными портами A и B) для сборки с двухлинейным обратным клапаном с пилотным управлением типа AMF-CP-AB. Клапаны HDF2ES-* поставляются с портами A и B G1/4, закрытыми заглушками. |
Предназначен для использования в качестве замыкающего элемента в сборке клапанов HDF-ES-*. |
9. Опции
Для линий P и T доступны секционные переходники или ограничители с кольцевым уплотнением.|
D (мм) |
Код |
| 0 | 3S-00 |
| 1,0 |
3S-10 |
| 1,5 |
3S-15 |
| 2,0 |
3S-20 |
| 2,5 |
3S-25 |

Стандартная контргайка может быть заменена гаечным устройством механической блокировки, код G01-E.

10. Набор монтажных уголков тип MAF-KIT-2
Крепежные элементы для стековой сборки HDF-ES-*:
11. Блок в сборе (мм)



|
Размеры |
||||||||
| Номер секции | 1 | 2 | 3 | 4 | 5 | 6 | 7 | 8 |
| Размер С (мм) | 65 | 96 | 127 | 158 | 189 | 220 | 251 | 282 |
|
Размер D (мм) |
91.5 | 122,5 | 153,5 | 184,5 | 215,5 | 264,5 | 277,5 | 308,5 |
|
Размер L (мм) |
55 | 100 | 133 | 163 | 194 | 224 | 256 | 287 |
|
Артикул
|
PD1-03/32-5 |
|
Страна производтва
|
ИТАЛИЯ |
|
Производитель
|
aidro s.r.l |
Оплатить заказ можно только от юридического лица, получив счет на оплату оборудования.
