Описание и схемы Гидрораспределитель с электромагнитным управлением серии HD33H-ES/10 CETOP 3 схема №4C, 100 л/мин
1. Описание
Гидрораспределители HD33H-ES — это направляющие гидрораспределители, стыкового монтажа на промежуточной плите в соответствии с ISO 4401, DIN 24340 (CETOP 03). Конструкция корпуса представляет собой высококачественную трехкамерную литую конструкцию. Клапан поставляется со сменными металлическими электромагнитами постоянного тока, а питание переменным током осуществляется с помощью встроенного в катушку выпрямительного моста. В стандартном исполнении корпус клапана фосфатирован для защиты от соляного тумана в течение 240 часов в соответствии с ISO 9227. Усиленная защита поверхности для мобильного сектора (ISO 9227, 520 часов соляного тумана).2. Код заказа
| (1) | (2) |
|
(3) |
|
(4) |
|
(5) | (6) |
|
(7) |
| HD33H - | ES | - | - | - |
|
/ | 10 |

(1) HD33H: 4-ходовой регулирующий клапан CETOP 03 — высокая эффективность работы
(2) ES: с электроуправлением
(3) Тип золотника (см. 4):
– номер — это тип золотника
– буква — это расположение электромагнита или пружины:
C: 2 электромагнита, пружинный возврат золотника в среднее положение (всего 3 положения)
LL: 1 электромагнит, пружинный возврат золотника из крайнего положения (всего 2 положения)
ML: 1 электромагнит, пружинный возврат золотника в среднее положение (всего 2 положения)
(4) Код, зарезервированный для опций и вариантов:
S-**: калиброванное отверстие P, см. 11
K: водонепроницаемые колпачки со штифтом, см. 10
(5) Электрическое напряжение и катушки электромагнита: см. 8
0000: без катушек
012C: катушки для 12 В постоянного тока
024C: катушки для 24 В постоянного тока
024A: катушки для 24 В/50 Гц переменного тока
115A: катушки для 110 В/50 Гц — 115 В/60 Гц переменного тока
230A: катушки для 220 В/50 Гц — 230 В/60 Гц переменного тока
(6) Подключение катушки (см. 16):
без обозначения: DIN 43650-A ISO 4400
AMP: Amp Junior Timer — вертикальная конфигурация
AMPX: Amp Junior Timer — осевая конфигурация
D: немецкий
(7) Расчетный номер (порядковый) клапана

Золотник 2 перемещается в корпусе клапана 1 под действием пружин и электромагнитов 4. Золотник 2, в зависимости от его формы и положения в корпусе клапана, открывает и/или закрывает проходы между отверстиями P, A, B и T, тем самым управляя направлением гидравлического потока.
3. Технические данные
|
Номинальный расход |
80 л/мин |
|
Максимальный расход рекуррентного потока |
100 л/мин |
|
Максимальное номинальное давление (P, A, B) |
35 МПа (350 бар) |
| Максимальное давление на отверстии T | 21 МПа (210 бар) |
| Перепады давления | см. 5 |
|
Защита по DIN 40050 |
IP 65 |
|
Рабочий цикл |
100 % |
|
Монтаж и размеры |
см. 9 |
| Масса | 2.1/1,6 кг |
4. Электрические характеристики
Клапаны типа HD33H-ES-* управляются электромагнитом под напряжением:– непосредственно от источника постоянного напряжения:
12 В пост. тока = 012C
24 В пост. тока = 024C
– с помощью катушек, включающих двухполупериодный мостовой выпрямитель, от сети переменного тока:
110 В/50 Гц — 115 В/60 Гц = 115A
220 В/50 Гц — 230 В/60 Гц = 230A
Другие доступные значения напряжения: 014C; 048C; 060C; 102C; 205C; и 24 В/50 Гц = 024A
Все отверстия должны соответствовать стандарту ISO 4400 (DIN 43650), а электрические цепи должны выдерживать следующие значения номинального тока:
12 В пост. тока = 2,4 A
24 В пост. тока = 1,2 A
115 В/50 Гц = 0,26 A
230 В/50 Гц = 0,14 A
Катушки с 2 электрическими контактами, соответствующие разъемам AMP, доступны только для питания постоянным током (пример кода: B03-012C AMP). Допустимое отклонение напряжения питания: ± 10 %
5. Типовые схемы
Типовые кривые Δp-Q для клапанов HD33H-ES-* в стандартной конфигурации, с минеральным маслом при v = 32 мм2/с и T = 40 °C.
|
Золотник |
P-A | P-B | A-T | Б-Т | P-T | |
|
1C |
1 | 1 | 1 | 1 | ||
|
4C |
2 | 2 | 2 | 2 | 2 | |
| 0C | 1 | 1 | 1 | 1 | 1 | |
|
3C |
1 | 1 | 1 | 1 | ||
| 1LL | 1 | 1 | 1 | 1 | ||
6. Ограничения по использованию в гидравлической системе
Пределы характеристик Δp-Q для безопасного использования клапанов с электромагнитным управлением HD33H-ES-*. Измерено при v = 32 мм2/с и T = 40 °C

| 1C | 2 |
|
1ML | 2 | |
| 0C | 1 |
|
1MLb | 2 | |
| 3C | 3 |
|
1LLb | 5 | |
| 1LL | 5 |
|
4MLb | 4 | |
| 0LL | 5 |
|
0MLb | 1 | |
| 4ML | 4 |
|
3MLb | 3 | |
7. Схемы золотников и промежуточных положений

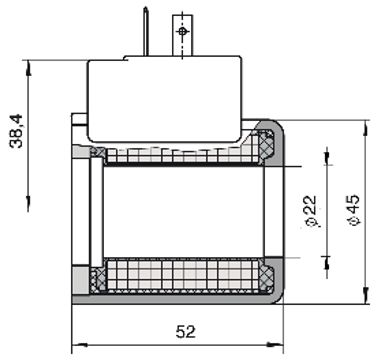
8. Ручное управление
В случае отключения электропитания золотник можно сдвинуть вручную, воздействуя на аварийные штифты, расположенные на концах электромагнитов и доступные через крепежные гайки
9. Гидравлическая жидкость
Уплотнения и материалы, используемые в стандартных клапанах HD33H-*, полностью совместимы с гидравлическими жидкостями на минеральной основе, обогащенными антипенными и антиокислительными веществами.Гидравлическая жидкость должна быть чистой и отфильтрованной по стандарту ISO 4406 класса 19/17/14 или лучше и использоваться в рекомендуемом диапазоне вязкости от 10 до 60 сСт.
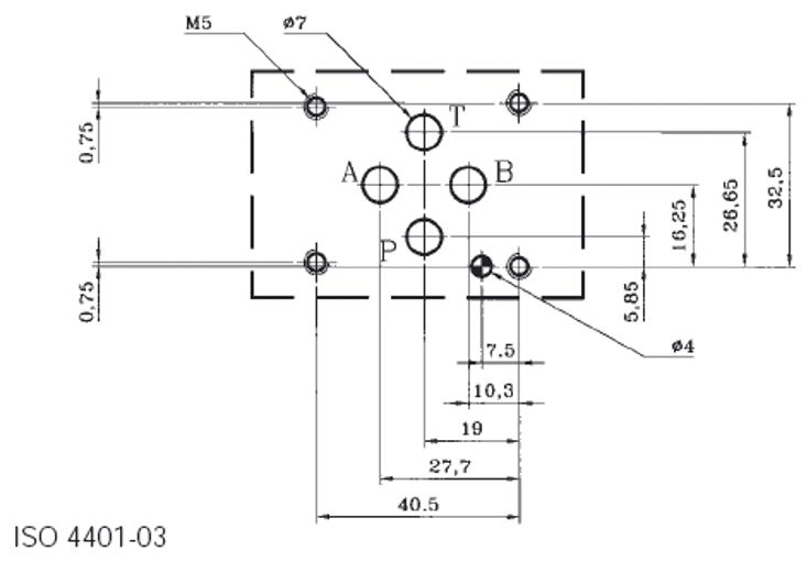
10. Монтажные размеры


Все клапаны HD33H-* соответствуют спецификациям ISO и CETOP по размерам монтажной поверхности (см. 10) и высоте клапанов. В собранном виде клапан HD33H-* должен быть закреплен на монтажной панели 4 болтами M5x45 (или M5x** в зависимости от количества модулей), затянутыми с моментом 8 Нм. Утечка между клапаном и монтажной поверхностью предотвращается благодаря плотному прижатию к седлам 4 уплотнительных колец 9,25x1,78.
11. Версия "К": Штифты для ручного управления
Электромагнитные клапаны в исполнении «K» оснащены удлиненными стопорными аварийными штифтами, выступающими из корпуса электромагнита, которые позволяют быстро и легко управлять клапанами «вручную», без использования какого-либо инструмента. Стопорной штифт и конец электромагнита защищены гибким резиновым колпачком, который облегчает эксплуатацию и защищает от влаги и брызг воды.
12. Версия "S*": Калиброванное отверстие P
Опция «S*» оснащена элементом, подходящим по форме для вставки в отверстие P электромагнитного клапана, имеющего калиброванное отверстие (различных размеров), способное ограничивать, в зависимости от значения ΔP, расход среды, поступающей в электромагнитный клапан. Данные элементы обладают следующими диаметрами отверстий:
– 3S-00 -> D = 0 мм
– 3S-10 -> D = 1,0 мм
– 3S-15 -> D = 1,5 мм
– 3S-20 -> D = 2,0 мм
– 3S-25 -> D = 2,5 мм
и уплотняются на отверстии P клапана с помощью OR размером 9,25×1,78 мм (пример OR 110-2037)

13. Катушки электромагнита типа B03 см.12
![]() |
![]() |
![]() |
![]() |
|
ISO 4400 (DIN 43650) (стандартная конфигурация) B03-0xxC |
115A/230A = ISO 4400 (DIN 43650) со встроенным выпрямителем B03-xxxA |
AMPX = таймер Amp Junior с осевой конфигурацией B03-0xxCAMPX |
D = немецкий B03-0xxD |
|
Артикул
|
HD33H-ES-4C-0000/10 |
|
Страна производтва
|
ИТАЛИЯ |
|
Производитель
|
aidro s.r.l |
Оплатить заказ можно только от юридического лица, получив счет на оплату оборудования.



