Артикул:
PPR156341-W43-LS
С этим товаром покупают
Описание и схемы Пропорциональный регулятор давления, G1/2", 0,05-10 бар, 24В DC, входной/выходной сигнал 4-20 мА, консольный кронштейн, кабель 2 м
Пропорциональный регулятор давления – G1/4, G1/8, G1/2

* Давление на входе 10,5 бар, давление настройки 6 бар, падение давления ∆p = 1 бар (для стандартных моделей).
** Используйте фильтр (5 мкм) и коалесцирующий фильтр (0,01 мкм) на входе в прибор.
Датчик давления контролирует давление на выходе и выдает сигнал обратной связи на цепь управления. По достижении желаемого выходного давления цепь управления выключает бустерный клапан.
Цепь управления пытается поддерживать уровень выходного давления пропорциональным уровню входного сигнала, т. е. если выходное давление превышает заданный уровень, цепь управления закрывает бустерный клапан и открывает выхлопной клапан, и давление в мембранной камере снижается, пока выходное давление снова не сравняется с заданным.
Аналогичным образом, если выходное давление падает ниже требуемого значения, выхлопной клапан закрывается, а бустерный клапан открывается, чтобы поддерживать заданное выходное давление.
Цикл повторяется, пока уровень выходного давления не будет пропорциональным уровню входного сигнала.










Примечание: цвета изоляции проводников соответствуют кабелю с ответной частью разъема M12, поставляемому JANATICS.
Пример
№ для заказа пропорционального регулятора давления: корпус и присоединительный размер G1/2», диапазон регулирования давления от 0,05 до 10 бар, единица давления – бар, рабочее напряжение =24 В, входной сигнал управления – 0-10 В, выходной сигнал – 1,5 В: PPR156341-W12
№ для заказа пропорционального регулятора давления с консольным кронштейном и без ответной части разъема с кабелем: PPR156341-W12-LX
№ для заказа пропорционального регулятора давления без кронштейна и с прямой ответной частью разъема с кабелем: PPR156341-W12-XS

Особенности
- Светодиодный дисплей индикации выходного давления
- Быстрый отклик и высокая пропускная способность
- Выходное давление поддерживается на постоянном уровне при отказе питания
- Степень защиты IP65
- Компактный и легкий прибор
- Подходит для одиночной и модульной установки
- Прямая или угловая ответная часть разъема с кабелем, на выбор
Применение
- Устройства контроля натяжения
- Дозирование клея
- Точечная сварка
- Управление скоростью, усилием и крутящим моментом
- Балансировка нуля при взвешивании
- Позиционное управление
- При нанесении жидких покрытий и многое другое
Технические характеристики
|
Модель |
PPR156 | PPR146 | ||||
|
Размер портов |
G1/2 | G1/4, G 3/8 | ||||
| Рабочая среда | Сжатый воздух, фильтрованный * | |||||
| Минимальное давление на входе (бар) | Регулируемое, от +0,5 до 1 бар | |||||
| Максимальное давление на входе (бар) | 10,5 | 7 | 3,5 | 2 | ||
| Диапазон регулирования давления (бар) |
0,05–10,0 (стандартное исполнение) |
0,05–6,00 | 0,05–2,5 | 0,05–1 | ||
|
Электропитание |
Напряжение |
=24 В ±10 % | ||||
|
Потребляемая мощность |
3 Вт | |||||
|
Потребление тока |
0,125 A при =24 В | |||||
|
Сигнал управления |
Режим потенциометра (только у модели с входным аналоговым сигналом напряжения) |
Ввод входного сигнала потенциометром (полное сопротивление нагрузки >10 кОм) |
||||
| Режим клавиатуры | Ввод с клавиатуры | |||||
|
Аналоговый вход |
Напряжение |
0–10 В (полное сопротивление нагрузки 10 кОм) | ||||
| 0–5 В (полное сопротивление нагрузки 10 кОм) | ||||||
|
Ток |
4–20 мA (полное сопротивление нагрузки < 270 Ом) |
|||||
| 0–20 мA (полное сопротивление нагрузки < 270 Ом) | ||||||
|
Контрольный выход |
Аналоговый выход |
Напряжение |
0,2–4,7 В (постоянное, полное сопротивление нагрузки 10 кОм), точность регулирования ±3 % от верхнего предела регулирования (ВПР) |
|||
|
1–5 В (постоянное, полное сопротивление нагрузки 10 кОм), точность выходного сигнала ±3 % от верхнего предела измерения (ВПИ) |
||||||
|
0–10 В (постоянное, полное сопротивление нагрузки 10 кОм), точность выходного сигнала ±3 % от верхнего предела измерения (ВПИ) |
||||||
| Ток |
4–20 мА (постоянный, выходное сопротивление 250 Ом), точность выходного сигнала ±3 % от верхнего предела измерения (ВПИ) |
|||||
| Линейность | ±1 % от ВПР или меньше | |||||
| Гистерезис | 0,5 % от ВПР или меньше | |||||
| Воспроизводимость | ±0,5 % от ВПР или меньше | |||||
| Чувствительность | 0,2 % от ВПР или меньше | |||||
|
Выходное давление Индикация |
Точность | ±2 % of ВПР ±1 знак или меньше | ||||
| Минимальная единица | 0,01 бар, 1 psi, 0,01 кгс/см2 | |||||
| Расход (л/мин) ** | 7000 | 2250 | ||||
| Температура окружающего воздуха / рабочей среды | от 0 до 50 °C | |||||
| Корпус (степень защиты) | IP 65 | |||||
| Масса (кг) | 0,750 | 0,560 | ||||
* Давление на входе 10,5 бар, давление настройки 6 бар, падение давления ∆p = 1 бар (для стандартных моделей).
Функция
При росте входного сигнала включается т. н. «Бустерный клапан» и подает давление в мембранную камеру. Увеличение давления в мембранной камере вызывает перемещение мембраны вниз, перекрывая верхний конус клапана (блокируя выход на выхлоп), а затем открывая нижний конус клапана, соединяя вход и выход.Датчик давления контролирует давление на выходе и выдает сигнал обратной связи на цепь управления. По достижении желаемого выходного давления цепь управления выключает бустерный клапан.
Цепь управления пытается поддерживать уровень выходного давления пропорциональным уровню входного сигнала, т. е. если выходное давление превышает заданный уровень, цепь управления закрывает бустерный клапан и открывает выхлопной клапан, и давление в мембранной камере снижается, пока выходное давление снова не сравняется с заданным.
Аналогичным образом, если выходное давление падает ниже требуемого значения, выхлопной клапан закрывается, а бустерный клапан открывается, чтобы поддерживать заданное выходное давление.
Цикл повторяется, пока уровень выходного давления не будет пропорциональным уровню входного сигнала.

Функциональная блок-схема

Модель PPR 1461..-W..

Модель PPR1563..- W..

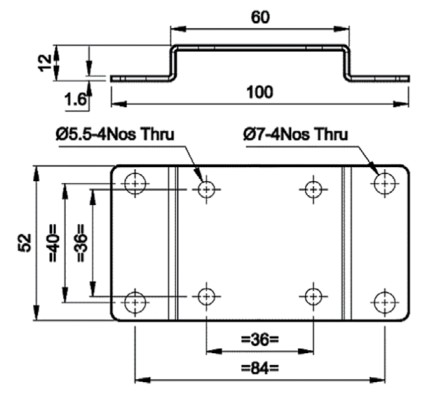
Принадлежности
Консоль PPR146XXX-WXX

Консоль PPR156XXX-WXX
| № для заказа | |
| A2C07 |
Кронштейн крепления на горизонтальную поверхность PPR146XXX-WXX
Кронштейн крепления на горизонтальную поверхность PPR156XXX-WXX
| № для заказа | |
| A2C08 |
Электрическое соединение
Прямая ответная часть разъема с кабелем

| № для заказа | L | |||
| AC100-M 124S-PVC-2M | 2 м | |||
| AC100-M 124S-PVC-5M | 5 м | |||
| AC100-M 124S-PUR-2M | 2 м | |||
| AC100-M 124S-PUR-5M | 5 м | |||
Угловая ответная часть разъема с кабелем

| № для заказа | L | |||
| AC 100-M 124L-PVC-2M | 2 м | |||
| AC100-M 124L-PVC-5M | 5 м | |||
| AC100-M 124L-PUR-2M | 2 м | |||
| AC100-M 124L-PUR-5M | 5 м | |||
Рекомендуемые модульные конфигурации и изделия
PPR156....

| № поз. | Наименование изделия | Обозначение | Кол-во | |||
| 1 | Фильтр с автоматическим сливом | F15631-A | 1 | |||
| 2 | Коалесцентный фильтр | FS15632 | 1 | |||
| 3 | Кронштейн для вилки на вертикальную поверхность | A2W03 | 2 | |||
PPR146....

| № поз. | Наименование изделия | Обозначение | Кол-во | |||
| 1 | Фильтр с автоматическим сливом | F14621-A | 1 | |||
| 2 | Коалесцентный фильтр | FS14622 | 1 | |||
| 3 | Кронштейн для вилки на вертикальную поверхность | A2W02 | 2 | |||
Меры предосторожности. Общая информация
- Внимательно прочтите настоящую инструкцию, перед тем как смонтировать устройство и ввести его в эксплуатацию.
- Настоящая инструкция имеет большую важность, сохраните ее для будущих консультаций.
- К эксплуатации (монтажу, вводу в эксплуатацию и обслуживанию) изделия может быть допущен только обученный персонал.
- Осмотр и обслуживание изделия разрешается проводить только при условии обеспечения безопасности персонала и изделия.
- Перед демонтажом изделия перекройте подачу воздуха, стравите остаточное давление в системе, убедитесь, что давление равно нулю и отключите электропитание.
- Перед возобновлением эксплуатации изделия убедитесь, что это безопасно для него самого и для окружающих.
- Настоящая инструкция и описываемые в руководстве процедуры носят обзорный характер и не содержат подробных сведений о конструкции изделия.
- Предупредительные знаки в настоящей инструкции позволяют обеспечить оптимальную защиту персонала, окружающей среды, а также безопасную и безотказную эксплуатацию изделия.
- Будьте внимательны к информации и условным знакам на самом изделии. Не удаляйте наклейки, они должны оставаться видимыми и читаемыми в течение всего срока службы изделия.
- При возникновении любых проблем или затруднений, не освещенных в настоящем руководстве, просим обращаться в компанию Остек-АртТул.
Сжатый воздух
- Не используйте сжатый воздух с содержанием химикатов, синтетических масел, органических растворителей, солей или агрессивных газов и т. п., поскольку это может вызвать неисправность.
- Со стороны входа необходимо устанавливать воздушный фильтр. См. рекомендуемые модульные конфигурации и изделия.
- Сжатый воздух, содержащий большое количество влаги, может вызвать неисправность изделия и другого пневматического оборудования. В качестве контрмеры за компрессором необходимо установить выходной охладитель, осушитель воздуха или иное устройство улавливания влаги и т. д.
Пневматическое подключение
- Установите трубный адаптер с рекомендованным моментом затяга. При недостаточном моменте затяга резьбы соединение будет негерметичным. При чрезмерном моменте затяга будет повреждена резьба. См. рекомендуемые модульные конфигурации и изделия.
- Исключите воздействие на изделие моментов кручения или изгибающих моментов. Для присоединенных участков трубопроводов должны быть предусмотрены собственные опоры.
- Используйте гибкие трубки (полиуретан, нейлон) для промежуточных соединений во избежание передачи избыточных нагрузок и вибраций по системе.
- Выполните продувку трубопроводов для удаления грязи, пыли, ржавчины и других посторонних частиц.
- Исключите попадание посторонних частиц (подмоточной ленты, грязи и т. п.) в изделие во время сборки системы.
Меры предосторожности при обращении
- Если выключить электропитание изделия во время нормальной работы, выходное давление будет равно давлению настройки изделия, и поток воздуха будет постоянным. Для сброса выходного давления сначала уменьшите заданное значение, затем отключите питание устройства и стравите остаточное давление через выхлопной клапан или соответствующую ему арматуру.
- При прекращении или отсечке подачи сжатого воздуха на изделие до отключения его электропитания встроенный электромагнитный клапан продолжает работать. При прекращении или отсечке подачи воздуха немедленно выключайте электропитание во избежание сокращения срока службы электромагнитного клапана.
- При стравливании выходного давления в атмосферу бустерный клапан приходит в полностью открытое состояние, а поскольку при этом условии изделие не может держать на выходе заданное давление, срок службы изделия может сократиться.
- Разъемное соединение M12 — 4-контактное. Если аналоговый выход не задействован, исключите контакт с другими проводниками во избежание неисправности.
- Угловая ответная часть разъема не является поворотной и вставляется только в одном возможном положении. При повороте с применением силы возможно повреждение кабеля или изделия.
- Изделие проходит регулировку на заводе-изготовителе к моменту отгрузки потребителю. Настоятельно не рекомендуется разбирать изделие или снимать его детали, поскольку это может привести к возникновению неисправности изделия.
- Не устанавливайте маслораспылитель на входной стороне регулятора, так как это приведет к загрязнению клапана и его неисправности. Если для оконечных устройств требуется маслораспыление, установите маслораспылитель с выходной стороны регулятора.
- Не используйте изделие вне диапазона его характеристик, так как это может привести к поломке. См. технические характеристики.
- При монтаже выполняйте соединения, соблюдая назначения портов.
- Примите следующие меры во избежание неисправностей вследствие помех в питающей сети:
- a) Установите сетевой фильтр в питающую сеть для снижения/устранения сетевых помех.
- b) Исключите неисправность изделия вследствие электромагнитных помех установкой и электромонтажом изделия на
- удалении от сильных магнитных полей (электродвигателей, силовых кабелей и т. п.).
- c) Примите меры по защите индуктивных нагрузок (напр., электромагнитных клапанов и т. п.) от импульсов.
- d) Перед соединением или разъединением разъема отключайте электропитание устройства.
- Пропускная способность клапана большая, и при использовании функции сброса давления будет слышен громкий звук выхлопа. В связи с этим установите глушитель на порт выхлопа (порт EXH). Присоединительный размер — G1/2.
- Выходное давление не может быть стравлено в атмосферу, если оно ниже 0,05 бар. При необходимости сброса выходного давления на нуль установите на выходе нормально закрытый клапан 3/2.
- При подаче сжатого воздуха в отсутствие напряжения питания выходное давление может оказаться равным входному, поскольку клапан не имеет запорной функции. Изделие надлежит использовать при наличии как электропитания, так и давления на входе.
- Электромагнитные клапаны в составе устройства не предназначены для ремонта. Выполняйте периодическое обслуживание при высоких требованиях к выходному давлению при частых изменениях уставки. По вопросам замены просим обращаться в компанию
Условия эксплуатации
- Если на месте установки изделие подвержено воздействию воды, пара, пыли и т. д., существует возможность проникновения влаги или пыли внутрь корпуса через выхлопной порт EXH (соленоид) и возникновения проблем.
- Для решения этой проблемы присоедините каждому порту выхлопа трубки через фитинги и выведите концы этих трубок в зону, где указанные воздействия отсутствуют. Исключите перегиб трубок или их пережимание, поскольку это нарушит процесс регулирования давления.
- Не используйте изделие в местах с вибрацией или ударными нагрузками.
- В местах установки, куда попадает прямой солнечный свет, обеспечьте защитный козырек над изделием.
- В местах установки недалеко от источников тепла защитите изделие от теплового излучения.
- В местах установки, где возможно забрызгивание изделия водой, маслом и т. п., примите надлежащие меры защиты.
Электромонтаж
- Напряжение питания изделия должно строго соответствовать указанному в паспорте (=24 В ±10 %). Более высокое напряжение может вызвать отказ или неисправность.
- Используйте источник питания постоянного тока с уменьшенной «рябью» выходного напряжения. Перед соединением или разъединением разъема отключайте электропитание устройства.
- Соблюдайте указания по электрическому подключению, содержащиеся в руководстве; в противном случае может быть снижена защита от поражения электрическим током.
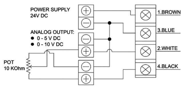
- Используйте потенциал 0 В как базу для измерения напряжения управления, на входе и на выходе изделия.
- Подключайте проводники кабеля ответной части разъема в соответствии с приведенной ниже схемой. Подключение проводников выполняйте со всей тщательностью, неправильный электромонтаж может привести к материальному ущербу.
Схемы подключения

| Вход управления – аналоговый – напряжение | Вход управления – аналоговый – ток | |||
![]() |
![]() |
|||
| Вход управления – режим клавиатуры | Вход управления – режим потенциометра | |||
|
![]() |
|||
| Контрольный выход – аналоговый – напряжение | Контрольный выход – аналоговый – ток | |||
![]() |
![]() |
|||
Примечание: цвета изоляции проводников соответствуют кабелю с ответной частью разъема M12, поставляемому JANATICS.
Графики расхода
PPR15631X-WXX (G1/2, 1 бар)
| Линейность | Гистерезис | Расход | |||
![]() |
![]() |
|
|||
| Воспроизводимость | Характеристики давления | Расход разгрузки | |||
|
![]() |
|
|||
PPR14611X-WXX (G1/4, 1 бар)
| Линейность | Гистерезис | Расход | |||
![]() |
![]() |
![]() |
|||
| Воспроизводимость | Характеристики давления | Расход разгрузки | |||
![]() |
![]() |
![]() |
|||
PPR15632X-WXX (G 1/2, 2,5 бар)
| Линейность | Гистерезис | Расход | |||
![]() |
![]() |
![]() |
|||
| Воспроизводимость | Характеристики давления | Расход разгрузки | |||
![]() |
![]() |
![]() |
|||
PPR14612X-WXX (G1/4, 2,5 бар)
| Линейность | Гистерезис | Расход | |||
![]() |
![]() |
![]() |
|||
| Воспроизводимость | Характеристики давления | Расход разгрузки | |||
![]() |
![]() |
![]() |
|||
PPR15634X-WXX
| Линейность | Гистерезис | Расход | |||
![]() |
![]() |
![]() |
|||
| Воспроизводимость | Характеристики давления | Расход разгрузки | |||
![]() |
![]() |
![]() |
|||
PPR15634X-WXX (G1/2, 10 бар)
| Линейность | Гистерезис | Расход | |||
![]() |
![]() |
![]() |
|||
| Воспроизводимость | Характеристики давления | Расход разгрузки | |||
![]() |
![]() |
![]() |
|||
PPR14614X-WXX (G1/4, 10 бар)
| Линейность | Гистерезис | Расход | |||
![]() |
![]() |
![]() |
|||
| Воспроизводимость | Характеристики давления | Расход разгрузки | |||
![]() |
![]() |
![]() |
|||
Порядок заказа
| PPR1 | 563 | 4 |
|
1 | W | 1 | |||||||
|
|
|||||||||||||
|
Размер корпуса и присоединительный размер |
Диапазон давления | Единицы давления | Рабочее напряжение |
Входной сигнал | |||||||||
| 461 G1/4 |
1 0,05-1 бар |
1 бар |
W =24 В | 1 0-10 В (пост.) | |||||||||
| 491 NPT1/4 | 2 0,05-2,5 бар | 2 Psi | 2 0-5 В(пост.) | ||||||||||
| 462 G3/8 | 3 0,05-6 бар | 3 кгс/см2 | 3 0-20 мА | ||||||||||
| 492 NPT3/8 | 4 0,05–10 бар (стандартное исполнение) | 4 4-20 мА | |||||||||||
| 563 G1/2 | |||||||||||||
| 593 NPT1/2 | |||||||||||||
| 2 | X |
|
X | |
| Выходной сигнал | Монтажное положение | Ответная часть разъема с кабелем | ||
| 1 0,2-4,7 В |
X Без кронштейна |
Х Без кабеля |
||
| 2 1-5 В (стандартное исполнение) | L Консольный кронштейн | S Прямая, кабель в оболочке ПВХ, 2 м | ||
| 3 4-20 мА | F Кронштейн на горизонтальную плоскость | L Угловая, кабель в оболочке ПВХ, 2 м | ||
| 4 0-10 В | 4 0,05–10 бар (стандартное исполнение) | M Прямая, кабель в оболочке ПВХ, 5 м | ||
| N Угловая, кабель в оболочке ПВХ, 5 м | ||||
| О Прямая, кабель в полиуретановой оболочке, 2 м | ||||
| P Угловая, кабель в полиуретановой оболочке, 2 м | ||||
| Q Прямая, кабель в полиуретановой оболочке, 5 м | ||||
| R Угловая, кабель в полиуретановой оболочке, 5 м |
Пример
№ для заказа пропорционального регулятора давления: корпус и присоединительный размер G1/2», диапазон регулирования давления от 0,05 до 10 бар, единица давления – бар, рабочее напряжение =24 В, входной сигнал управления – 0-10 В, выходной сигнал – 1,5 В: PPR156341-W12№ для заказа пропорционального регулятора давления с консольным кронштейном и без ответной части разъема с кабелем: PPR156341-W12-LX
№ для заказа пропорционального регулятора давления без кронштейна и с прямой ответной частью разъема с кабелем: PPR156341-W12-XS
|
Артикул
|
PPR156341-W43-LS |
|
Страна производтва
|
ИНДИЯ |
|
Производитель
|
JANATICS INDIA PRIVATE LIMITED |
Оплатить заказ можно только от юридического лица, получив счет на оплату оборудования.



Сжатый воздух








































