Артикул:
VQF-34/1
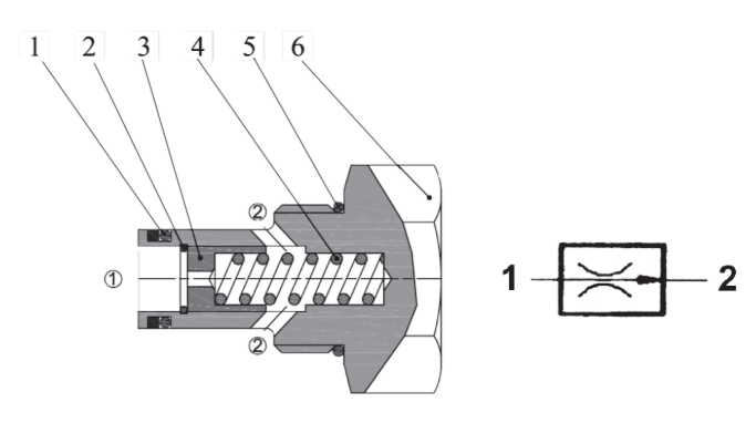
Описание и схемы Дроссель нерегулируемый скомпенсированный по давлению 3/4”16UNF, 250 бар, 1л/мин
1. Описание
2-линейный дроссель с компенсацией давления подходит для стандартного седла ¾”-16 UNF. Не регулируемый тип: предусмотрены различные фиксированные уровни расходов (1 – 12 л/мин с точностью ±10% при 100 бар). Максимальное рабочее давление: 250 бар. Обратный поток поступает через одно отверстие, без компенсации давления.
Стальной корпус.
Тарелка из закаленной и шлифованной стали.
2. Код для заказа
| (1) |
(2) |
(3) | ||
| VQF |
— |
34 | / |
|
(1) VQF: Дроссель скомпенсированный по давлению
(2) 34: Номинальный размер
(3) расход
1-1 л/мин
2-2 л/мин
3-3 л/мин
4-4 л/мин
5-5 л/мин
6-6 л/мин
09-9 л/мин
12-12 л/мин
(4) 34: Номер конструкции (порядковый) клапана
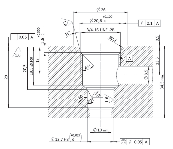
3. Установочные размеры (мм)

4. Корпус линейного монтажа

| Код | Порты |
|
LAB-34-2/14 |
1/4” BSP |
|
LAB-34-2/38 |
3/8” BSP |
|
Масса 0,25 kg |
|
|
Артикул
|
VQF-34/1 |
|
Страна производтва
|
ИТАЛИЯ |
|
Производитель
|
aidro s.r.l |
Оплатить заказ можно только от юридического лица, получив счет на оплату оборудования.