Артикул:
BM3-G/P16
Описание и схемы Плита CETOP 3, 1 место, с предохранительным клапаном 50-116бар
1. Описание
BM3-G – многофункциональный блок CETOP 3, используемый для комбинирования множественных опций. Он оборудован стандартным портом 7/8”16 UNF, в который можно устанавливать предохранительный клапан прямого действия или с пилотным управлением, или пропорциональный клапан. В коллектор можно интегрировать клапан сброса.2. Код для заказа
| (1) | (2) |
(3) |
|
(4) | ||
| BM | — | 3 | — |
G |
/ | * |
(1) BM: Многофункциональная плита
(2) 3: CETOP 3
(3) G: Порты с резьбой G3/8”
(4) *: Различные опции – см. в 5.


3. Технические характеристики
|
Материал: |
Алюминиевый сплав |
|
Покрытие: |
Черное анодирование |
|
Макс. давление |
300 бар |
|
Макс. расход |
80 л/мин |
| Масса |
0,9 кг |
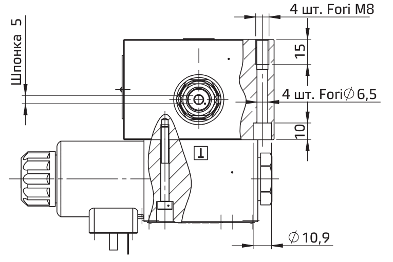
4. Установочные размеры (мм)

5. Опции
Предохранительный клапан прямого действияПример кода для заказа: BM3-G/20

16: Настройки давления 50-116 бар
20: Настройки давления 110-220 бар
32: Настройки давления 200-320 бар
Предохранительный клапан с пилотным управлением
Пример кода для заказа: BM3-G/P20

16: Настройки давления 50-116 бар
20: Настройки давления 110-220 бар
32: Настройки давления 200-320 бар
Предохранительный клапан с пропорциональным электромагнитным управлением
Пример кода для заказа: BM3-G/PR20

PR12: Давление до 120 бар
PR21: Давление до 210 бар
PR35: Давление до 350 бар
(*) Более подробную информацию о пропорциональном клапане см. в спецификации PMO*-78
Клапан разгрузки с элетромагнитным управлением
Пример кода для заказа: BM3-G/NO

NO: Нормально открытый
NC: Нормально закрытый
6. Установочные размеры, примерные (мм)




|
Артикул
|
BM3-G/P16 |
|
Страна производтва
|
ИТАЛИЯ |
|
Производитель
|
aidro s.r.l |
Оплатить заказ можно только от юридического лица, получив счет на оплату оборудования.