Артикул:
AM2-RO-AC/16/20
Описание и схемы Редукционный клапан модульного монтажа, CETOP 2, в линии A, 10-200бар
1. Описание
Редукционный клапан прямого действия. Клапан изготовлен из стального корпуса, скомбинированного с кар- триджным клапаном разгрузки давления. Корпус клапана с защитным покрытием никель-фосфор. Оцинкованный картриджный клапан. Предусмотрены различные диапазоны давлений.2. Код для заказа
| (1) | (2) | (3) |
(4) |
(5) |
(6) |
|||||
|
AM2 |
— |
RO |
— |
|
/ |
|
— |
|
/ | 20 |
(1) AM2: Модульный клапан CETOP 02 – давление 32 МПа (320 бар)
(2) RO: Редукционный клапан давления прямого действия, 3- линейный
(3) Рабочие линии, в которых установлен клапан: P: Регулировка в линии P в 3-ем канале и стравливание в линию T
AC: Регулировка в линии A
B: Регулировка в линии P со снижением давления в линии B
(4) Диапазоны регулировки давления:
2,5: от 0,4 МПа до 3,2 МПа (от 4 бар до 32 бар)
6,3: от 0,5 МПа до 8 МПа (от 5 бар до 80 бар)
16: от 1 МПа до 20 МПа (от 10 бар до 200 бар)
20: от 2,5 МПа до 25 МПа (от 25 до 250 бар)
(5) Код, зарезервированный для специальных вариантов (материалы, уплотнения, обработка поверхностей и т.д.) V = Рукоятка для ручной регулировки
(6) Номер (порядковый) конструкции клапанов


Пониженное давление достигается путем дросселирования потока в золотнике 2, которое балансируется, с одной стороны – путем снижения давления, с другой стороны – при помощи пружины.
Все клапаны AM2-RO-* – 3-линейные, прямого действия: Если давление в регулируемой камере превышает значение регулируемого понижаемого давления, клапан осуществляет слив в линию T (при давлении выше понижаемого давления, см. графики).

3. Технические характеристики
|
Макс. расход в свободных линиях в регулируемых линиях |
30 л/мин 20 л/мин |
Давление управления: |
|
Макс. номинальное давление |
32 МПа (320 бар) |
Значение пониженного давления изменяется путем сжатия пружины. Для увеличения значения пониженного давления ослабьте шпонку 13 гайки и поверните винт по часовой стрелке с наружным шестигранником 4. Редукционный клапан давления в линиях A или B может быть: – непрямого действия (тип AM2-RO-B) действует в линии P, принимая контрольный сигнал снижения давления из регулируемой линии B (возможный обратный поток под давлением направляется в линию T) по 3-му каналу – с интегрированным обратным клапаном (тип AM2-RO-AC), действует в линии A и обеспечивает прохождение свободного потока в порт A от направляющего распределителя (см. вариант AC). ![]() |
|
Макс. давление в линии T |
10 МПа (100 бар) |
|
|
Кривые давления |
см. 4 |
|
|
Установка и размеры |
см. 5 |
|
|
Массы: AM2-RO-P или -B AM2-RO-AC |
прибл. 0,6 кг прибл. 0,8 кг |
4.Типовые графики
Типовые кривые Δp-Q для клапанов AM2-MO-* в стандартной конфигурации, с минеральным маслом с вязкостью 36 сСт, при температуре 50°C.
4.Типовые графики

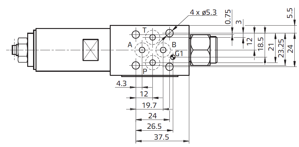
5. Установочные размеры (мм)
(1) Элемент регулировки давления, винт с наружной шпонкой 4
(2) Шпонка 13 контргайки
(3) Шпонка 24 с гранями под ключ
(4) Паспортная табличка
(5) Кольцо квадратного сечения 7,65х1,68, 4 шт., поставляемое в комплекте с каждым клапаном
(6) Заглушка для соединения манометра, резьба G1/4”
6. Гидравлические жидкости
Уплотнения и материалы, используемые в стандартных клапанах AM2-*, полностью совместимы с гидравлическими жидкостями на основе минеральных масел, обогащенных противовспенивающими и противоокислительными присадками. Следует использовать очищенную и фильтрованную гидравлическую жидкость согласно стандарту ISO 4406, класс 19/17/14 или выше, в рекомендуемом диапазоне вязкости – от 10 сСт до 60 сСт.Все модульные клапаны AM2-* соответствуют стандартам ISO и CETOP для размеров монтажных поверхностей. Высота клапанов составляет 35 мм. Утечка между клапаном и монтажной поверхностью предотвращается посредством полного прижима к седлам 4 уплотнительных колец типа OR.
|
Артикул
|
AM2-RO-AC/16/20 |
|
Страна производтва
|
ИТАЛИЯ |
|
Производитель
|
aidro s.r.l |
Оплатить заказ можно только от юридического лица, получив счет на оплату оборудования.


