Артикул:
A50025100
Описание и схемы Пневмоцилиндр круглый ISO6432 с пониженным трением, базовый, с демпфером, 25x100
Пневматические цилиндры с уменьшенным трением двустороннего действия (Ø25 мм). В соответствии со стандартами ISO 6432 / CETOP RP52P
* По поводу цилиндров с нестандартными или удлиненными штоками обращайтесь к своему региональному дилеру или в компанию Остек-АртТул
Выходное усилие (усилие в Н: 1 Н = 0,1 кгс)
Вышеуказанные значения приведены с учетом потери на трение

+ Дополнительный ход

* Можно рассверлить

+Дополнительный ход
* Можно рассверлить


+ Дополнительный ход

* Можно рассверлить




Пример
№ для заказа стандартного цилиндра с диаметром поршня 25 мм, ходом 50 мм с монтажом на двух лапах: A50 025 050 D
Для повторного заказа, при указании данных с паспортной таблички цилиндра, отдельно указывайте способ монтажа.
Для заказа принадлежностей: указывайте номера деталей из соответствующих таблиц. При отдельном заказе монтажных комплектов (если они требуются отдельно) необходимо использовать указанные ниже номера для заказа.
В случае особых требований к цилиндрам или для получения дополнительной информации обращайтесь к своему региональному дилеру или в компанию Остек-АртТул
Особенности изделий
- Специальное уплотнение уменьшает износ
- Более низкое давление начала хода
- Низкий коэффициент трения
- Длительный срок службы
- Широкий ассортимент принадлежностей для монтажа
Технические характеристики
|
Ø поршня |
25 мм | |||
|
Стандартная длина хода * |
10 мм, 25 мм, 40 мм, 50 мм, 80 мм, 100 мм, 125 мм,160 мм, 200 мм, 250 мм, 300 мм | |||
|
Рабочая среда |
Сжатый воздух, фильтрованный, после маслораспылителя | |||
|
Рабочее давление |
0,3–10 бар | |||
|
Температура окружающей среды |
от -10 до +60 °C | |||
|
Температура сжатого воздуха |
от +5 до +50 °C | |||
|
Материальное исполнение |
Алюминий, латунь, сталь, витон, нейлон | |||
|
Монтажные принадлежности |
Монтаж на передней лапе, монтаж на двух лапах, передний фланец, задний фланец, передняя цапфа, задняя цапфа |
|||
|
Принадлежности |
Стойка для задней вилки, стойки для цапфы, вилка штока с защелкой, позиционер штока | |||
* По поводу цилиндров с нестандартными или удлиненными штоками обращайтесь к своему региональному дилеру или в компанию Остек-АртТул
Выходное усилие (усилие в Н: 1 Н = 0,1 кгс)
|
Ø поршня, мм |
Ø штока, мм |
|
Рабочее давление, бар | ||||||||||||
| 2 | 3 | 4 | 5 | 6 | 7 | 8 | 9 | 10 | |||||||
|
25 |
10 | Выдвижение | 88 |
132 |
176 | 220 | 264 |
308 |
352 |
396 |
440 |
|
|||
| Втягивание | 74 | 111 |
148 |
185 |
222 |
260 |
296 |
334 |
371 |
|
|||||
Вышеуказанные значения приведены с учетом потери на трение
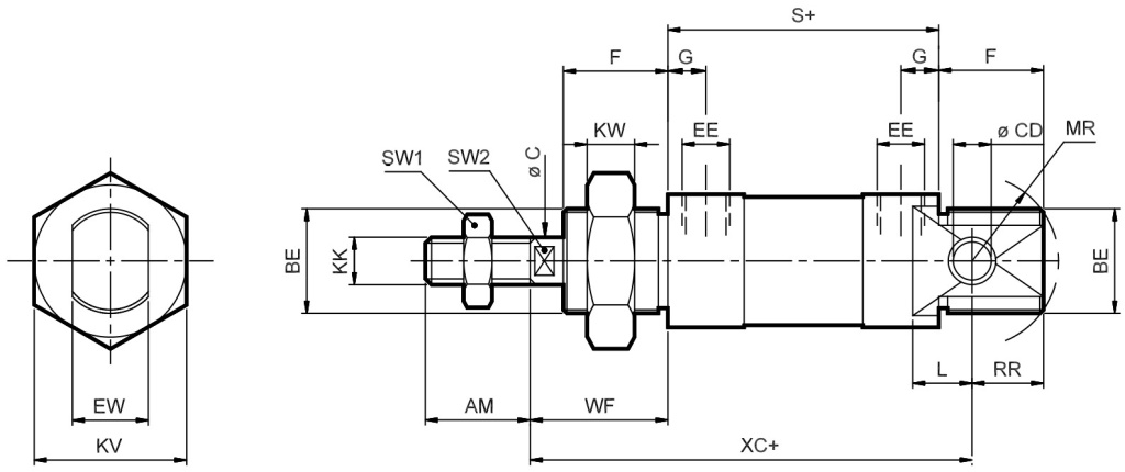
Базовый цилиндр

+ Дополнительный ход
| Ø поршня | MR | BE | F | CD H9 | RR | L | G | EE | S | KW | С | |||
| 25 | 21 | M22X1,5 | 22 | 8 | 17 | 12 | 8 | G1/8 | 71±0,7 | 10 | 10 | |||
| Ø поршня | SW1 | SW2 | KK | AM | WF ±1,2 | XC ±1 | EW d13 | KV |
Доп. хода |
||||
| 10–100 | Более 100 | ||||||||||||
| 25 | 17 | 9 | M10x1,25 | 22 | 28 | 104 | 16 | 32 | + 1,5 +0 | + 2,5 +0 | |||
Виды монтажа пневмоцилиндра серии A50
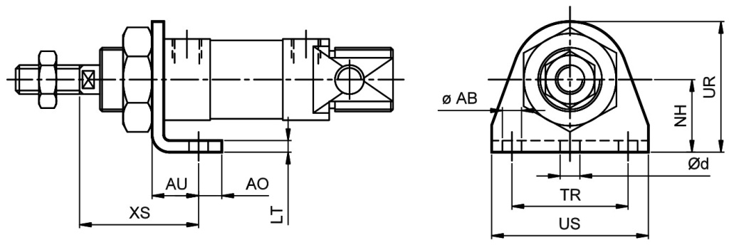
Монтаж на передней лапе

| Ø поршня | LT | AU | AO | d* | XS ±1,4 | NH ±0,3 | TR Js14 | US | AB H13 | UR | № для заказа | |||
| 25 | 4 | 16 | 8 | 5,8 |
40 |
25 | 40 | 54 | 6,6 | 45 | ML022 | |||
* Можно рассверлить
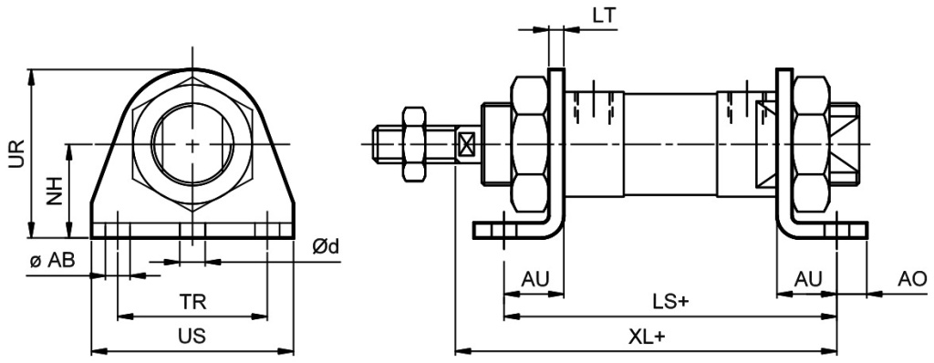
Монтаж на двух лапах

+Дополнительный ход
| Ø поршня | UR | AB H13 | TR Js14 | NH ±0,3 | AO | AU | d* | LT | US | LS | XL | № для заказа | |||
| 25 | 44 | 6,6 | 40 | 25 |
8 |
16 | 5,8 | 54 | 4 | 103±0,9 | 115 | MS022 | |||
* Можно рассверлить
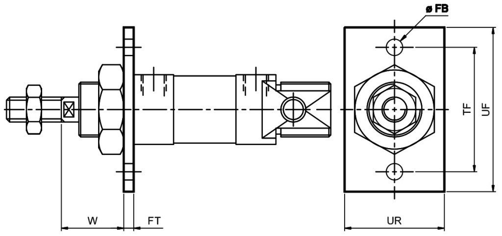
Передний фланец

| Ø поршня | TF Js14 | UF | UR | FB H13 | FT | W ±1,4 | № для заказа | |||
| 25 | 50 | 66 | 40 | 6,6 |
5 |
23 | MF022 | |||
Задний фланец

+ Дополнительный ход
| Ø поршня | TF Js14 | UF | UR | FB H13 | FT | W ±1,2 | № для заказа | |||
| 25 | 50 | 66 | 40 | 6,6 |
5 |
104 | MF022 | |||
Принадлежности для пневмоцилиндра серии A50
Опора угловая для задней проушины CETOP-RP 107 P

| Ø поршня | AE | AB H13 | LT | NH | L3 | CD е8 | d* | TR Js14 | LG | АО | № для заказа | |||
| 25 | 16,1 | 6,6 | 4 | 30 |
10 |
8 | 4,8 | 20 | 32 | 4 | AA022 | |||
* Можно рассверлить
Стойки для цапфы

| Ø поршня | C1 | C2 Js14 | d1 H13 | L4 | L5 | L6 | CH | d2 H9 | № для заказа | |||
| 25 | 50 | 24 | 6,6 | 30 |
10 |
35 | 20 | 8 | AT022 | |||
Вилка штока с защелкой (ISO 8140)

| Ø поршня | KK | LE | CM B12 | CE | CK f8 | CL | ER | № для заказа | |||
| 25 | M10X1,25 | 20 | 10 |
40 |
10 | 20 | 16 |
AF010 |
|||
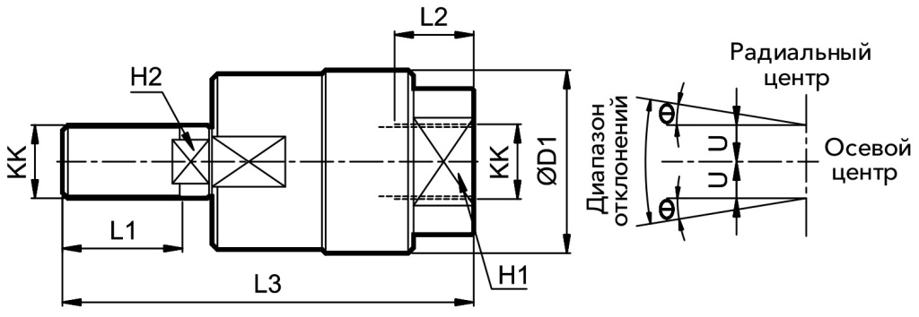
Позиционер штока

| Ø поршня | KK | L1 | L2 | L3 | D1 | Н1 | Н2 | ±ϴ° | U | № для заказа | |||
| 25 | M10X1,25 | 20 | 14 | 65 |
28 |
17 | 8 | 5 | 0,75 | AR010 | |||
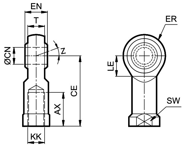
Наконечник штока со сферическим шарниром

| Ø поршня | KK | CN H9 | T | EN h12 | CE | LE мин. | ER макс. | AX | SW h13 | Z | № для заказа | |||
| 25 | M10X1,25 | 10 | 10,5 | 14 |
43 |
15 | 14 | 20 | 17 | 13° | AP010 | |||
Порядок заказа
| A |
|
10 |
|
040 |
|
050 |
|
B | ||||
|
|
|
|
|
|
||||||||
|
|
|
|
принадлежности |
|||||||||
|
50 Стандартный цилиндр |
025 - Ø 25 |
010 - 10 |
O — базовый цилиндр | |||||||||
|
|
|
025 - 25 |
L — монтаж на передней лапе |
|||||||||
| 040 - 40 |
D — монтаж на двух лапах |
|||||||||||
| 100 - 100 |
F — передний фланец |
|||||||||||
| 125 - 125 |
R — задний фланец |
|||||||||||
| 160 - 160 |
M — передняя цапфа |
|||||||||||
| 200 - 200 | N — задняя цапфа | |||||||||||
| 250 - 250 | ||||||||||||
|
300 - 300 |
||||||||||||
Пример
№ для заказа стандартного цилиндра с диаметром поршня 25 мм, ходом 50 мм с монтажом на двух лапах: A50 025 050 DПримечание
При заказе как «цилиндр с диаметром поршня 25 мм, ходом 50 мм» будет поставлен базовый цилиндр A50 025 050 О.Для повторного заказа, при указании данных с паспортной таблички цилиндра, отдельно указывайте способ монтажа.
Для заказа принадлежностей: указывайте номера деталей из соответствующих таблиц. При отдельном заказе монтажных комплектов (если они требуются отдельно) необходимо использовать указанные ниже номера для заказа.
|
Диаметр поршня Ø |
Передняя лапа |
Монтаж на две лапы |
Фланец (передний или задний) |
Цапфа концевая (передняя или задняя) |
![]() |
![]() |
![]() |
![]() |
|
| 25 | ML022 | MS022 | MF022 | MT022 |
В случае особых требований к цилиндрам или для получения дополнительной информации обращайтесь к своему региональному дилеру или в компанию Остек-АртТул
|
Артикул
|
A50025100 |
|
Страна производтва
|
ИНДИЯ |
|
Серия цилиндра
|
A50 |
|
Форма цилиндра
|
Круглый с пониженным трением, ISO 6432 |
|
Диаметр поршня, мм
|
25 |
|
Ход, мм
|
100 |
|
Производитель
|
JANATICS INDIA PRIVATE LIMITED |
|
Магнит
|
Нет |
Оплатить заказ можно только от юридического лица, получив счет на оплату оборудования.



