Артикул:
AG3J-16
Описание и схемы Пневматический патрон трехкулачковый AG3J-16
Трехточечный зажимной патрон — Ø25, 32, 40, 50, 63 мм
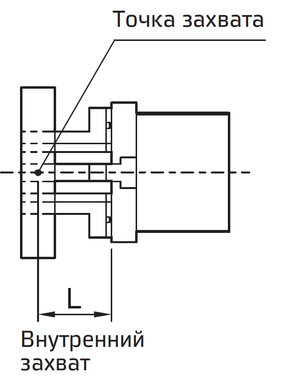
Примечание: усилие захватывания при давлении 5 бар, точка захвата L = 20 м, см. блок-схему.
Примечание: усилие захватывания при давлении 5 бар, точка захвата L = 20 м, см. блок-схему.



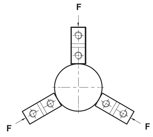
Сила захвата. Внешний захват

Внутренний захват

Код для заказа
Пример:
№ заказа трехточечного зажимного патрона с Ø поршня 40 мм: AG1J01040B

Особенности




Диапазон считывания
Датчик закреплен на корпусе цилиндра. Головка магнитного поршня активирует датчик при его входе в диапазон рабочих режимов. Разность составляет 0,5 мм.
Диапазон рабочих режимов
При перемещении головки поршня настройка и регулировка переключателя основывается на диапазоне срабатывания, генерируемом магнитным полем и переключателем (см. таблицу ниже).
Настройка датчика и диапазон рабочих режимов

Пример заказа:
Двухжильный герконовый датчик с разделанным кабелем длиной 2 метра, прямой: AM090-0FL-04S
- Постоянный центр захвата.
- Прочный анодированный корпус.
- Пригодность для внутреннего или внешнего удержания.
- Компактная конструкция.
- С магнитом в поршне в стандартном исполнении.
Характеристики
|
Модель |
AG1J-25 |
AG1J-32 |
AG1J-40 |
AG1J-50 |
AG1J-63 |
|
|
Диаметр поршня |
Ø25 |
Ø32 |
Ø40 |
Ø50 |
Ø63 |
|
|
Размер отверстия |
M5x0,8P |
|||||
|
Среда |
Воздух |
|||||
|
Режим работы |
Двойное действие |
|||||
|
Диапазон давления |
1,5–7 бар |
|||||
|
Диапазон рабочей температуры |
0–60° C |
|||||
| Точность повторяемости | ±0,01 мм | |||||
|
Макс. рабочая частота мин |
120 | 60 | ||||
|
Смазывание |
Цилиндр |
Без смазывания |
||||
|
Секция рычага |
Необходимо (нанесение смазки на скользящий участок) |
|||||
| Сила захвата | Внутренний диаметр Н | 42 | 74 | 125 | 200 | 340 |
| Наружный диаметр Н | 47 | 88 | 135 | 220 | 380 | |
| Ход открытия/закрытия рычага мм | 6 | 8 | 8 | 12 | 16 | |
| Магнитное устройство | С магнитом | |||||
Примечание: усилие захватывания при давлении 5 бар, точка захвата L = 20 м, см. блок-схему.
Принадлежности для трехточечного зажимного патрона
Магнитный датчик — AM090
|
Цепь и схема соединения |
![]() |
![]() |
![]() |
|
Модель |
AM090 |
||
|
Диаметр поршня, мм |
25, 32, 40, 50, 63 |
||
|
Система проводки |
Двухжильный провод |
Трехжильный провод |
|
|
Коммутирующее напряжение |
DC: 5–120 В AC: 5–120 В |
DC: 5–30 В |
|
| Максимальный ток | 100 мА макс. |
200 мА макс |
|
| Нагрузочная способность контакта | 6 Вт макс |
6 Вт макс |
|
| Время задержки | < 2 мс (500 Гц) |
< 1 мс (500 Гц) |
|
| Контакт | Нормально открытый | NPN. Приемка тока | PNP. Подача тока |
| Класс защиты |
IP67 |
||
| Цвет светодиода |
Красный |
Красный |
Зеленый |
|
Кабель |
Ø2,8, проволочный кабель, 2M |
Ø3,3, трехжильный отдельный кабель, 2M |
|
|
Перепад напряжения |
3,5 В макс. |
1 В макс |
|
|
Потребляемое напряжение |
*** |
ВЫКЛ.: 7 мА (24 В) ВКЛ.: 8 мА (24 В) макс. |
|
|
Схема защиты контактов |
Отсутствует |
Да |
|
|
Рабочая температура |
от -10 до 70° C |
||
Длина точки захвата

Основные размеры


|
Диаметр поршня(мм) |
A | B | C | D | E | F | G | H | I | J | K | L | M | N | O | P | Q | R | S | T | U | V | W | X° | Y +0,04 +0 | Z | AA | AB | AC |
AD +0,04 +0 |
AE° | AF° | AG | AH° | AI° |
|
AG1J-25 |
12 | 8 |
M3x0,5Px6dp |
20 | 14 | 8 | 3 | 24 | 48 | 17 | 7,6 |
M5x0,8P |
40 | 42 | 12 | 2 | 55 | 3 | 6 | 2 | 14 | 10 | 7 | 7,5 |
Ø3x3dp |
5 | 15 | 17 |
M4x0,7Px10dp |
Ø3x3dp |
22,5 |
30 | 34 | 20 | 20 |
|
AG1J-32 |
14 | 8 |
M4x0,7Px8dp |
24 | 16 | 11 | 4,5 | 32 | 64 | 15 | 8,5 |
M5x0,8P |
42 | 52 | 15 | 2 | 60 | 3 | 9 | 2 | 20 | 12 | 8 | 7,5 |
Ø3x3dp |
5 | 18,5 | 20 |
M5x0,8Px10dp |
Ø3x3dp |
22,5 |
30 | 44 | 20 | 20 |
|
AG1J-40 |
16 | 8 |
M4x0,7Px8dp |
28 | 20 | 12 | 4,5 | 35 | 70 | 16,5 | 9 |
M5x0,8P |
44 | 62 | 15 | 2 | 62 | 3 | 9 | 3 | 21 | 14 | 10 | 7,5 |
Ø4x4dp |
6 | 23,5 | 26,5 |
M5x0,8Px10dp |
Ø4x4dp |
22,5 |
30 | 53 | 20 | 20 |
|
AG1J-50 |
18 | 10 |
M5x0,8Px10dp |
34 | 22 | 14 | 5 | 41 | 82 | 19,5 | 10 |
M5x0,8P |
49 | 70 | 20 | 2 | 72 | 3 | 10 | 2 | 24 | 17 | 11 | 7,5 |
Ø4x4dp |
6 | 28 | 31 |
M5x0,8Px10dp |
Ø4x4dp |
22,5 |
30 | 62 | 20 | 20 |
|
AG1J-63 |
24 | 12 |
M5x0,8Px10dp |
46 | 30 | 17 | 5,5 | 51 | 102 | 25,8 | 10,7 |
M5x0,8P |
59 | 86 | 25 | 3 | 88 | 4 | 11 | 6 | 28 | 23 | 15 | 7,5 |
Ø5x5dp |
7 | 34,5 | 38 |
M6x1,0Px10dp |
Ø5x5dp |
22,5 | 30 | 76 | 20 | 20 |
Сила захвата. Внешний захват

| AG1J 25 |
AG1J 32 |
AG1J 40 |
![]() |
![]() |
![]() |
| AG1J 50 | AG1J 63 | |
![]() |
![]() |
Внутренний захват

| AG1J 25 |
AG1J 32 |
AG1J 40 |
![]() |
![]() |
![]() |
| AG1J 50 | AG1J 63 | |
![]() |
![]() |
Код для заказа
|
|
|
|
||
|
|
Ø поршня (мм) |
Виды монтажа |
||
|
|
025 032 040 050 063 |
- Ø25 - Ø32 - Ø40 - Ø50 - Ø63 |
B |
- базовый |
Пример:
№ заказа трехточечного зажимного патрона с Ø поршня 40 мм: AG1J01040B
Принадлежности для трехточечного зажимного патрона
Магнитный датчик — AM090

Особенности
- Встроенный светодиодный индикатор.
- Литой кабель с разделанным выводом и быстроразъемным
- соединителем (QD).
- Прямой монтаж, простота установки.
- Варианты исполнения с язычковым магнитоуправляемым контактом и без контакта.
Функция
Поршни данных цилиндров оснащены постоянным магнитом, который активирует выключатели цилиндра при приближении к ним. После этого соответствующий переключатель подает электрический или пневматический сигнал.

Монтаж и расположение сенсорного переключателя

Диапазон считывания
Датчик закреплен на корпусе цилиндра. Головка магнитного поршня активирует датчик при его входе в диапазон рабочих режимов. Разность составляет 0,5 мм.
Диапазон рабочих режимов
При перемещении головки поршня настройка и регулировка переключателя основывается на диапазоне срабатывания, генерируемом магнитным полем и переключателем (см. таблицу ниже).
Настройка датчика и диапазон рабочих режимов

|
|
|
— |
|
|
|
Тип переключателя |
Концевое соединение |
Тип соединения |
|
|
0 — двухжильный герконовый датчик 2 — беспроводной датчик, подача тока (PNP) 3 — беспроводной, приемка тока (NPN) |
FL-04 - (разделанный вывод с кабелем длиной 2 метра) QD-02 - (быстроразъемный соединитель с кабелем длиной 300 мм) |
S — прямой L — угловой |
Пример заказа:
Двухжильный герконовый датчик с разделанным кабелем длиной 2 метра, прямой: AM090-0FL-04S
|
Артикул
|
AG3J-16 |
|
Страна производтва
|
ИНДИЯ |
|
Серия цилиндра
|
AG3J |
|
Форма цилиндра
|
Патрон трехкулачковый, захват |
|
Диаметр поршня, мм
|
16 |
|
Производитель
|
JANATICS INDIA PRIVATE LIMITED |
|
Магнит
|
Да |
Оплатить заказ можно только от юридического лица, получив счет на оплату оборудования.












