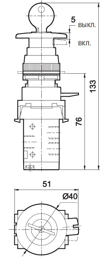
Артикул:
DS234P60-SH3A
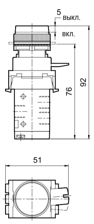
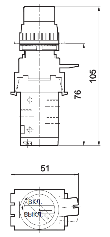
Описание и схемы Пневмораспределитель с симметричной головкой (черная), 1/8'', 3/2, НО, с фиксацией
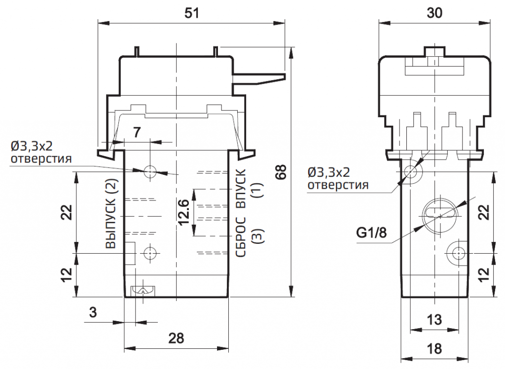
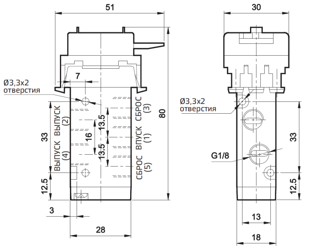
Клапан панельного монтажа — G1/8
Особенности
- Конструкция золотника.
- Подходит для панельного монтажа.
- Возможность индивидуального монтажа.
- Базовый блок, общий для всех переключателей.
- Наличие широкого выбора переключателей
Технические характеристики
|
Модель |
DS2 |
||
| Тип | 3/2 и 5/2 | ||
| Конструкция |
Золотниковый |
||
|
Размер отверстия |
Впуск, выпуск, сброс — G1/8 | ||
|
Среда |
Сжатый воздух — сухой фильтрованный, воздушно–масляная смесь |
||
|
Диапазон рабочего давления |
1–8 бар |
||
|
Толщина панели |
1–4 мм |
||
|
Рекомендуемое масло для смазки |
ISO VG32 |
||
|
Температура окружающего воздуха/среды |
5–60° C |
||
|
Расход @ |
450 л/мин |
||
|
Материалы конструкции |
Алюминий, нитрил, конструкционная пластмасса |
||
@ Давление на входе 6 бар и перепад давления 1 бар
Диам. монтажного отверстия

|
3/2 Клапан панельного монтажа |
5/2 Клапан панельного монтажа |
|||
|
№ для заказа |
NO - DS234P60 |
NC - DS244P60 |
№ для заказа |
DS254P60 |
|
Обозначение |
![]() |
![]() |
Обозначение |
![]() |
![]() |
![]() |
|||
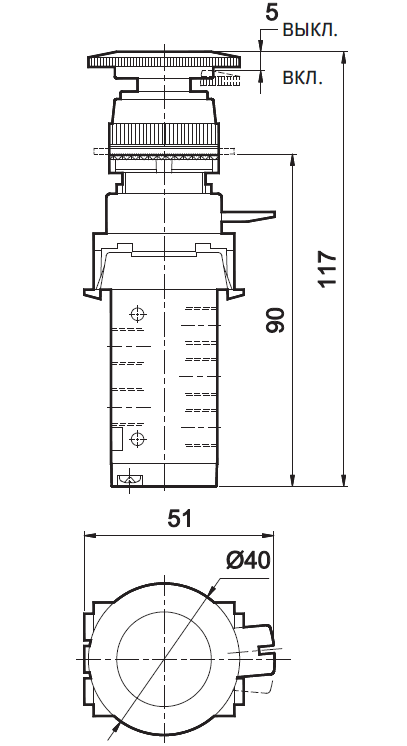
3/2 Клапан панельного монтажа с приводом
|
Грибовидная кнопка «нажимно-поворотная» |
Грибовидная кнопка «нажимная» |
Рычажная головка |
Потайная головка |
||||
|
Цвет |
№ для заказа |
Цвет |
№ для заказа |
Цвет |
№ для заказа |
Цвет |
№ для заказа |
|
Красный |
НО — DS234P60-MT1A НЗ — DS244P60-MT1A |
Красный |
DS234P60-MP1A DS244P60-MP1A |
Черный |
DS234P60-TH3A DS244P60-TH3A |
Красный |
DS234P60-FH1A DS244P60-FH1A |
|
Зеленый |
DS234P60-MP2A DS244P60-MP2A |
Зеленый |
DS234P60-FH2A DS244P60-FH2A |
||||
|
Черный |
DS234P60-MP3A DS244P60-MP3A |
||||||
| НО |
НЗ |
НО |
НЗ |
НО |
НЗ |
НО |
НЗ |
![]() |
![]() |
![]() |
![]() |
![]() |
![]() |
|
![]() |
![]() |
![]() |
![]() |
![]() |
||||
|
Симметричная головка |
Симметричная головка с «пружинным возвратом» |
Рычажная головка |
Грибовидная головка с блокировкой и ключом |
||||
|
Цвет |
№ для заказа |
Цвет |
№ для заказа |
Цвет |
№ для заказа |
Цвет |
№ для заказа |
|
Черный |
НО — DS234P60-SH3A НЗ — DS244P60-SH3A |
Черный |
НО — DS234P60-SR3A НЗ — DS244P60-SR3A |
Черный |
DS234P60-LH3A DS244P60-LH3A |
Красный |
DS234P60-ML1A DS244P60-ML1A |
| НО |
НЗ |
НО |
НЗ |
НО |
НЗ |
НО |
НЗ |
![]() |
![]() |
![]() |
![]() |
![]() |
![]() |
![]() |
![]() |
![]() |
![]() |
![]() |
![]() |
||||
5/2 Клапан панельного монтажа
|
Грибовидная кнопка «нажимно-поворотная» |
Грибовидная кнопка «нажимная» |
Рычажная головка |
Потайная головка |
||||
|
Цвет |
№ для заказа |
Цвет |
№ для заказа |
Цвет |
№ для заказа |
Цвет |
№ для заказа |
|
Красный |
DS254P60-MT1A |
Красный |
DS254P60-MP1A |
Черный |
DS254P60-TH3A |
Красный |
DS254P60-FH1A |
|
Зеленый |
DS254P60-MP2A |
Зеленый |
DS254P60-FH2A |
||||
|
Черный |
DS254P60-MP3A | ||||||
![]() |
![]() |
![]() |
![]() |
||||
![]() |
![]() |
![]() |
![]() |
||||
|
Симметричная головка |
Симметричная головка с «пружинным возвратом» |
Рычажная головка |
Грибовидная головка с блокировкой и ключом |
||||
|
Цвет |
№ для заказа |
Цвет |
№ для заказа |
Цвет |
№ для заказа |
Цвет |
№ для заказа |
|
Черный |
DS254P60-SH3A |
Черный |
DS254P60-SR3A |
Черный |
DS254P60-LH3A |
Красный |
DS254P60-ML1A |
![]() |
![]() |
![]() |
![]() |
||||
![]() |
![]() |
![]() |
![]() |
||||
Порядок заказа
При заказе клапана панельного монтажа с приводом указывайте номер заказа, приведенный в соответствующих таблицах
|
Артикул
|
DS234P60-SH3A |
|
Страна производтва
|
ИНДИЯ |
|
Производитель
|
JANATICS INDIA PRIVATE LIMITED |
Оплатить заказ можно только от юридического лица, получив счет на оплату оборудования.











































