Артикул:
A60063010O
Цилиндры двойного действия с двусторонним штоком (компактные, согласно стандарту ISO) Ø25–100 мм
Особенности

* Для получения информации о цилиндрах с нестандартными или удлиненными штоками обращайтесь к своему менеджеру.
(Вышеуказанные значения приведены с учетом потери на трение)

+ Добавить ход
@ — T-образное гнездо для магнитного датчика, см. каталог для серии AM4

+ Добавить ход
* Подходит для рассверловки

+ Добавить ход

+ Добавить ход



Для Ø25 мм внутренняя серьга не предусмотрена
Примечание:
Для получения дополнительной информации о принадлежностях для магнитного датчика см. каталог серии AM4.
Пример:
Код для заказа стандартного цилиндра с Ø поршня 40 мм, ходом 50 мм с внутренней резьбой: A61 040 050 O.
Код для заказа стандартного цилиндра с Ø поршня 40 мм, ходом 50 мм с наружной резьбой: A61 040 050 O-M.
Примечание:
При заказе цилиндра с Ø поршня 40 мм, ходом 50 мм будет поставлен базовый цилиндр A61 040 050 O.
Для повторного заказа при указании данных с шильдика цилиндра отдельно указывайте способ монтажа.
При заказе принадлежностей указывайте коды деталей, представленные в соответствующих таблицах.
При отдельном заказе монтажных комплектов (если они требуются от дельно) необходимо использовать указанные ниже коды для заказа.
* Поставляется в комплекте с 4 винтами.
Для получения информации об особых требованиях к цилиндрам или иной дополнительной информации обращайтесь к своему менеджеру.
Особенности
- Эластомерный демпфер.
- Большой выбор креплений.
- Экономия пространства.
- Магнитное и немагнитное исполнение.
- Корпус цилиндра из алюминиевого профиля (квадратного).
- Магнитный датчик, общий для всех размеров (см. каталог магнитных датчиков).

Характеристики
|
Диаметр поршня (мм) |
25 | 32 | 40 | 50 | 63 | 80 | 100 | |||||
|
Стандартная длина хода* (мм) |
10, 15, 20, 25, 30, 40, 50, 60, 70, 80 |
|||||||||||
|
Рабочая среда |
Сжатый фильтрованный воздух, воздушно-масляная смесь |
|||||||||||
|
Диапазон рабочего давления |
0,5–10 бар |
|||||||||||
|
Температура среды |
5–60° C |
|||||||||||
|
Материалы конструкции |
Корпус — алюминий, уплотнительное кольцо — нитрил, шток поршня — сталь, уплотнения – полиуретан |
|||||||||||
|
Виды монтажа |
Базовый цилиндр, монтаж на лапах, фланец, вилка |
|||||||||||
|
Принадлежности |
Вилка штока, позиционер штока, наконечник штока со сферическим шарниром |
|||||||||||
Усилие на штоке (сила в Н: 1 Н = 0,1 кгс)
| Диаметр поршня Ø (в мм) | Ø штока (в мм) |
Рабочее давление в бар | ||||||||
| 2 | 3 | 4 | 5 | 6 | 7 | 8 | 9 | 10 | ||
| 25 | 10 | 74 | 111 | 148 | 185 | 222 | 260 | 296 | 334 | 371 |
| 32 | 12 | 124 | 187 | 249 | 311 | 379 | 435 | 498 | 559 | 622 |
| 40 | 12 | 206 | 309 | 411 | 514 | 617 | 720 | 823 | 926 | 1029 |
| 50 | 16 | 317 | 476 | 634 | 793 | 952 | 1110 | 1269 | 1427 | 1586 |
| 63 | 16 | 525 | 787 | 1050 | 1312 | 1575 | 1837 | 2099 | 2362 | 2624 |
| 80 | 20 | 848 | 1272 | 1696 | 2120 | 2544 | 2969 | 3393 | 3817 | 4241 |
| 100 | 20 | 1357 | 2036 | 2714 | 3393 | 4071 | 4750 | 5429 | 6107 | 6786 |
(Вышеуказанные значения приведены с учетом потери на трение)
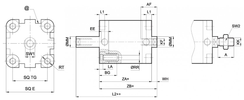
Базовый цилиндр

+ Добавить ход
|
Диаметр поршня Ø | KF | MM | AF | RR мин. | RT | SW1 | L1 | LA |
BG мин. | EE | TG | Fмакс. | ZA | Доп. | ZB |
Доп. | WH |
Доп. | L2 |
Доп. | KK | A -0,5 | SW2 |
Доп. ход |
| 25 | M6X1 | 10 | 10 | 4,1 | M5 | 9 | 6 | 6 | 15 | M5x0,8 | 26 | 40 | 39 |
±0,5 | 45 |
±1,4 | 6 |
±1,4 | 52 | ±1 |
M8x1,25 | 16 | 13 |
+2 0 |
| 32 | M8X1,25 | 12 | 12 | 5,1 | M6 | 10 | 7,5 | 5,5 | 15 | G1/8 | 32,5 | 45 | 44 | 51 |
±1,6 | 7 |
±1,6 | 59,5 |
M10x1,25 | 19 | 17 | |||
| 40 |
M8X1,25 | 12 | 12 | 5,1 | M6 | 10 | 7,5 | 5,5 | 15 |
G1/8 | 38 | 51 | 45 |
±0,7 | 52 | 7 | 60 |
M10x1,25 | 19 | 17 | ||||
| 50 |
M10X1,5 | 16 | 16 | 6,4 | M8 | 13 | 7,5 | 5,5 | 16 |
G1/8 | 46,5 | 64 | 45 | 53 | 8 | 62 |
±1,2 |
M12x1,25 | 22 | 19 | ||||
| 63 |
M10X1,5 | 16 | 16 | 6,4 | M8 | 13 | 7,5 | 5,5 | 16 |
G1/8 | 56,5 | 74 | 49 |
±0,8 | 57 | 8 | 66 |
M12x1,25 | 22 | 19 |
+2,5 0 | |||
| 80 |
M12X1,75 | 20 | 20 | 8,4 | M10 | 17 | 8 | 5,5 | 17 |
G1/8 | 72 | 94 | 54 | 64 |
±2 | 10 |
±2 | 75 |
±1,5 |
M16x1,25 | 28 | 24 | ||
| 100 |
M12X1,75 | 20 | 20 | 8,4 | M10 | 17 | 12,5 | 5,5 | 17 |
G1/8 | 89 | 111 | 67 |
±1 | 77 | 10 | 88 |
M16x1,25 | 28 | 24 |
@ — T-образное гнездо для магнитного датчика, см. каталог для серии AM4
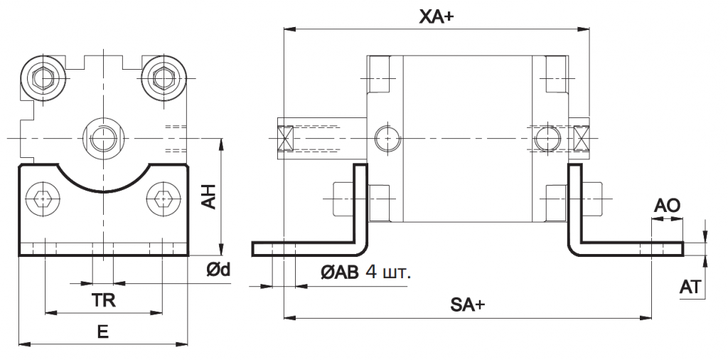
Монтаж на лапах

+ Добавить ход
|
Диаметр поршня Ø | AB H14 | AO макс. | AT | AH JS16 | d* | TR JS14 | E | SA | Доп. | XA | Доп. |
Рекомендованный размер болта | Код для заказа |
| 25 | 7 | 6 | 4 | 29 | 5,8 | 26 | 40 | 71 |
±1,25 | 61 |
±1,25 |
M6 |
ML2025 |
| 32 | 7 | 7 | 4 | 33,5 | 5,8 | 32 | 45 | 76 | 67 |
ML2032 | |||
| 40 | 10 | 9 | 4 | 38 | 7,8 | 36 | 52 | 81 | 70 | M8 |
ML2040 | ||
| 50 | 10 | 9 | 5 | 45 | 7,8 | 45 | 65 | 87 | 74 |
ML2050 | |||
| 63 | 10 | 9 | 5 | 50 | 7,8 | 50 | 75 | 91 |
±1,6 | 78 |
±1,6 |
ML2063 | |
| 80 | 12 | 11 | 6 | 63 | 9,8 | 63 | 95 | 106 | 90 | M10 |
ML2080 | ||
| 100 | 14,5 | 13 | 6 | 74 | 11,8 | 75 | 115 | 121 | 104 | M12 |
ML2100 |
* Подходит для рассверловки
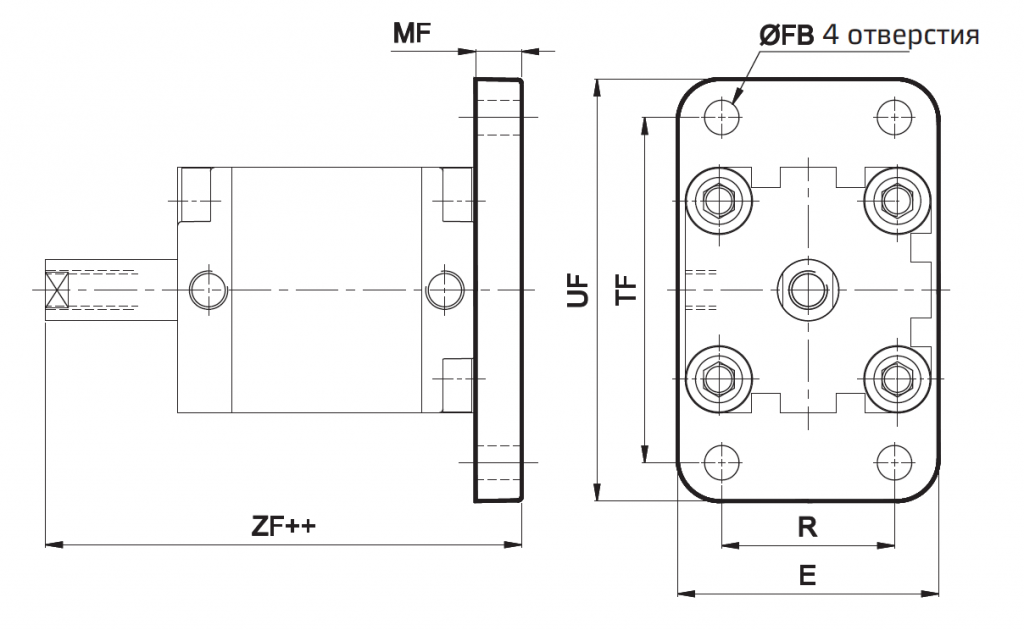
Передний фланец

+ Добавить ход
|
Диаметр поршня Ø | MF | UF | TF ±0,3 | R ±0,3 | E | FB H13 | ZF | Доп. |
Рекомендованный размер болта | Код для заказа |
| 25 | 8 | 76 | 60 |
| 40 | 6,6 | 54 | ±1,5 |
M6 |
MF2025 |
| 32 | 10 | 80 | 64 | 32 | 50 | 7 | 62,5 |
±1,8 |
MF1032 | |
| 40 | 10 | 90 | 72 | 36 | 55 | 9 | 63 | M8 |
MF1040 | |
| 50 | 12 | 110 | 90 | 45 | 68 | 9 | 66 |
MF1050 | ||
| 63 | 12 | 125 | 100 | 50 | 78 | 9 | 70 |
MF1063 | ||
| 80 | 16 | 155 | 126 | 63 | 100 | 12 | 81 |
±2,2 | M10 |
MF1080 |
| 100 | 16 | 185 | 150 | 75 | 120 | 14 | 94 | M12 |
MF1100 |
Вилка

+ Добавить ход
|
Диаметр поршня Ø | CD H9 | CB H14 | L | MR | E | XD | Доп. | Код для заказа |
| 32 | 10 | 26 | 12 | 11 | 45 | 73 |
±1,8 |
MB1032 |
| 40 | 12 | 28 | 15 | 13 | 51 | 77 |
MB1040 | |
| 50 | 12 | 32 | 15 | 13 | 64 | 80 |
MB1050 | |
| 63 | 16 | 40 | 20 | 17 | 74 | 89 |
MB1063 | |
| 80 | 16 | 50 | 20 | 17 | 94 | 100 |
±2,2 |
MB1080 |
| 100 | 20 | 60 | 25 | 21 | 111 | 118 |
MB1100 |
Дополнительные принадлежности для пневмоцилиндров серии A60, A61
Вилка штока (ISO 8140)

|
Диаметр поршня Ø | KK | CE | CK f8 | CM B12 | LE |
ER макс. | CL | Код для заказа |
| 25 | M8x1,25 | 32 | 8 | 8 | 16 | 13 | 16 | AF008 |
| 32/40 |
M10x1,25 | 40 | 10 | 10 | 20 | 16 | 20 |
AF010 |
| 50/63 |
M12x1,25 | 48 | 12 | 12 | 24 | 19 | 24 |
AF012 |
| 80/100 |
M16x1,5 | 64 | 16 | 16 | 32 | 25 | 32 |
AF016 |
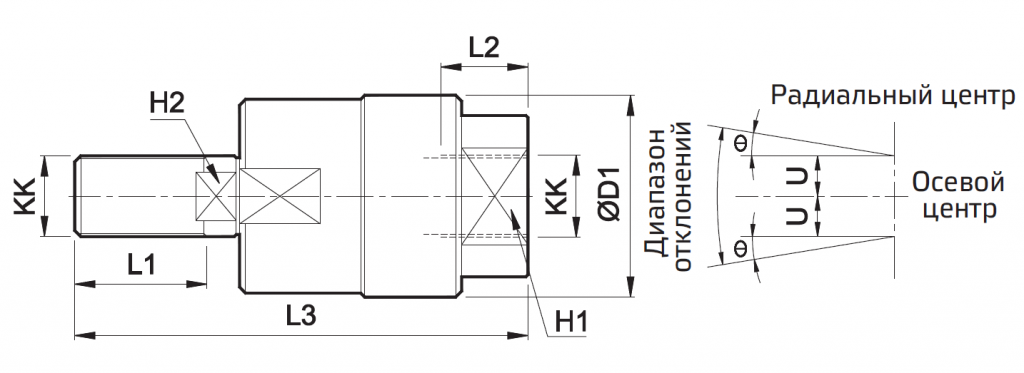
Позиционер штока

|
Диаметр поршня Ø | KK | L1 | L2 | L3 | H1 | H2 | D1 | U | ±6° | Код для заказа |
| 25 |
M8x1,25 | 15 | 10 | 48 | 12 | 7 | 20 | 0,75 | 5 | AR008 |
| 32/40 |
M10x1,25 | 20 | 14 | 65 | 17 | 8 | 28 | 0,75 | 5 |
AR010 |
| 50/63 |
M12x1,25 | 22 | 18 | 75 | 19 | 10 | 32 | 1 | 5 |
AR012 |
| 80/100 |
M16x1,5 | 25 | 22 | 91 | 27 | 13 | 41 | 1 | 5 |
AR016 |
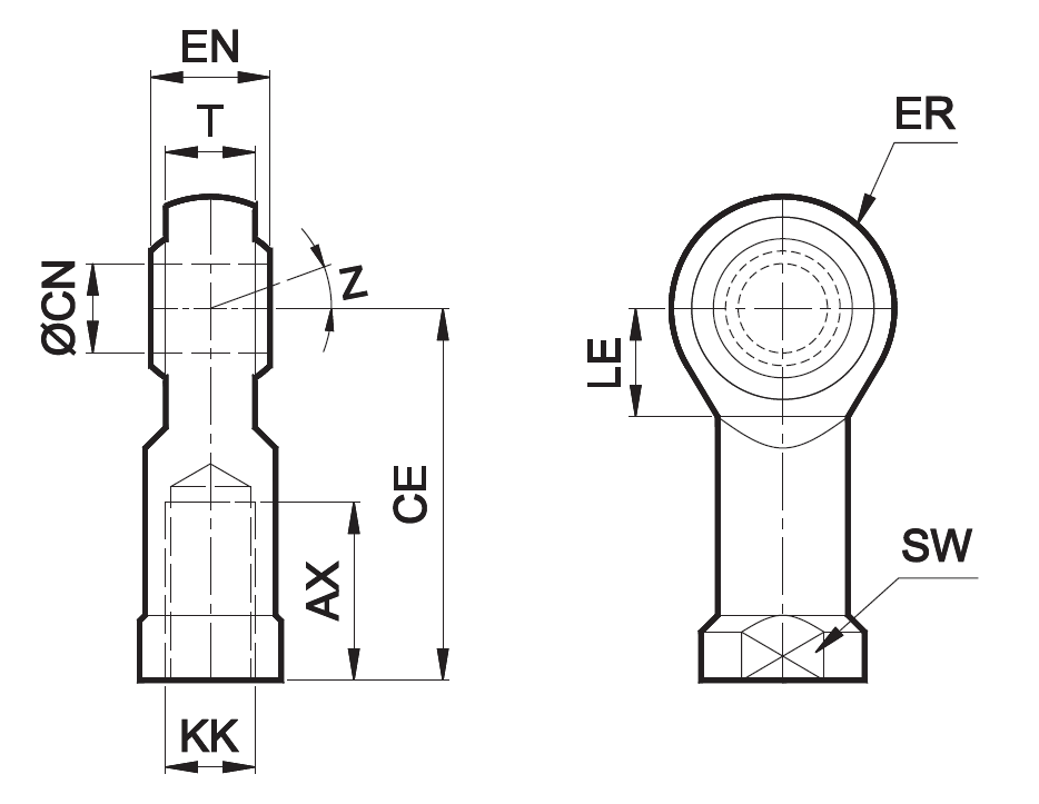
Наконечник штока со сферическим шарниром (ISO 8139)

|
Диаметр поршня Ø | KK | CN H9 | T | EN h12 | CE | LE мин. | ER макс. | AX | SW | Z | Код для заказа |
| 25 |
M8x1,25 | 8 | 9 | 12 | 36 | 13 | 12 | 16 | 14 |
13° |
MP008 |
| 32/40 |
M10x1,25 | 10 | 10,5 | 14 | 43 | 15 | 14 | 20 | 17 |
MP010 | |
| 50/63 |
M12x1,25 | 12 | 12 | 16 | 50 | 17 | 16 | 22 | 19 |
MP012 | |
| 80/100 |
M16x1,5 | 16 | 15 | 21 | 64 | 22 | 21 | 28 | 22 |
15° |
MP016 |
Код для заказа
|
A |
|||||||||
|
Модель |
Поршень, Ø (мм) |
Ход (мм) |
Виды монтажа |
M — наруж. резьба |
|||||
|
63 64 |
Магнитный цилиндр Стандарт. цилиндр |
025 032 040 050 063 080 100 |
- Ø 25 - Ø 32 - Ø 40 - Ø 50 - Ø 63 - Ø 80 - Ø 100 |
010 015 020 025 030 040 050 060 070 080 |
- 10 - 15 - 20 - 25 - 30 - 40 - 50 - 60 - 70 - 80 |
O L F B |
- стандартный - монтаж на лапе - перед. фланец - вилка |
||
Для Ø25 мм внутренняя серьга не предусмотрена
Примечание:
Для получения дополнительной информации о принадлежностях для магнитного датчика см. каталог серии AM4.
Пример:
Код для заказа стандартного цилиндра с Ø поршня 40 мм, ходом 50 мм с внутренней резьбой: A61 040 050 O.
Код для заказа стандартного цилиндра с Ø поршня 40 мм, ходом 50 мм с наружной резьбой: A61 040 050 O-M.
Примечание:
При заказе цилиндра с Ø поршня 40 мм, ходом 50 мм будет поставлен базовый цилиндр A61 040 050 O.
Для повторного заказа при указании данных с шильдика цилиндра отдельно указывайте способ монтажа.
При заказе принадлежностей указывайте коды деталей, представленные в соответствующих таблицах.
При отдельном заказе монтажных комплектов (если они требуются от дельно) необходимо использовать указанные ниже коды для заказа.
|
Диаметр поршня Ø |
Монтаж на лапах* |
Фланец* |
Вилка* |
![]() |
![]() |
![]() |
|
| 25 |
ML2025 |
MF2025 |
к/п |
| 32 |
ML2032 |
MF1032 |
MD1032 |
| 40 |
ML2040 |
MF1040 |
MD1040 |
| 50 |
ML2050 |
MF1050 |
MD1050 |
| 63 |
ML2063 |
MF1063 |
MD1063 |
| 80 |
ML2080 |
MF1080 |
MD1080 |
| 100 |
ML2100 |
MF1100 |
MD1100 |
* Поставляется в комплекте с 4 винтами.
Для получения информации об особых требованиях к цилиндрам или иной дополнительной информации обращайтесь к своему менеджеру.
|
Артикул
|
A60063010O |
|
Страна производтва
|
ИНДИЯ |
|
Серия цилиндра
|
A60 |
|
Форма цилиндра
|
Компактный, проходной шток, ISO 21287 |
|
Диаметр поршня, мм
|
63 |
|
Ход, мм
|
10 |
|
Производитель
|
JANATICS INDIA PRIVATE LIMITED |
|
Магнит
|
Да |
Оплатить заказ можно только от юридического лица, получив счет на оплату оборудования.


