Артикул:
A02025005G
Описание и схемы Пневмоцилиндр компактный с противоповоротной платформой, без магнита, 25x5

Компактные цилиндры со встроенными направляющими (двустороннего действия, от Ø12 до Ø100 мм). Эти компактные цилиндры широко используются в недорогих системах автоматики, специализированных станках, промышленном оборудовании, оснастке и т. п.
Особенности изделий
- Компактная, легкая и малогабаритная конструкция
- Большое прижимное усилие по отношению к размеру
- Низкий коэффициент трения, долговечные уплотнения
- Эластомерные демпферы конечных положений
- Возможен непосредственный монтаж исполнительных устройств
- Встроенная направляющая обеспечивает повышенную устойчивость к боковой нагрузке
- Угловой люфт ±0,3° или меньше
Технические характеристики
| Модель | Компактный цилиндр со встроенными направляющими | |||||||||||||
| Тип | Цилиндр двустороннего действия | |||||||||||||
| Тип монтажа | Монтажное отверстие / Резьба в корпусе | |||||||||||||
| Пространственная ориентация | Вертикальная и горизонтальная | |||||||||||||
| Ø канала цилиндра |
12 мм |
16 мм | 20 мм |
25 мм |
32 мм | 40 мм | 50 мм | 63 мм | 80 мм |
100 мм |
||||
| Стандартная длина хода * | 5 мм, 10 мм, 15 мм, 20 мм, 25 мм, 30 мм, 40 мм | 5 мм, 10 мм, 15 мм, 20 мм, 25 мм, 30 мм, 40 мм, 50 мм | 5 мм, 10 мм, 15 мм, 20 мм, 25 мм, 30 мм, 40 мм, 50 мм, 60 мм | 10 мм, 20 мм, 30 мм, 40 мм, 50 мм, 60 мм, 70 мм, 80 мм | ||||||||||
| Рабочая среда | Сжатый воздух, фильтрованный, воздушно-масляная смесь | |||||||||||||
| Диапазон рабочего давления |
от 1,5 до 10 бар |
от 1 до 10 бар |
|
|
||||||||||
| Температура сжатого воздуха | от +5 до +60 °C | |||||||||||||
| Температура окружающей среды | от -10 до +60 °C | |||||||||||||
Сила на выходе (сила в Н: 1 Н = 0,1 кгс)
|
Ø цилиндра, мм |
Ø штока, мм |
|
Рабочее давление, бар |
||||||||||||
| 2 | 3 | 4 | 5 | 6 | 7 | 8 | 9 |
10 |
|||||||
|
12 |
6 |
Выдвижение |
20 |
30 |
40 |
50 |
60 |
70 |
80 |
90 |
100 | ||||
|
Втягивание |
15 |
22 |
30 |
38 |
46 |
53 |
61 |
68 |
76 | ||||||
|
16 |
8 |
Выдвижение |
36 |
54 |
72 |
90 |
108 |
126 |
144 |
162 |
180 | ||||
|
Втягивание |
27 |
40 |
54 |
67 |
81 |
95 |
108 |
122 |
135 | ||||||
| 20 | 10 |
Выдвижение |
56 |
84 |
112 |
140 |
169 |
196 |
224 |
254 |
282 | ||||
|
Втягивание |
42 |
63 |
84 |
106 |
127 |
148 |
169 |
190 |
212 | ||||||
|
25 |
12 |
Выдвижение |
88 |
132 |
176 |
220 |
264 |
308 |
352 |
396 |
440 | ||||
|
Втягивание |
68 |
102 |
136 |
170 |
204 |
238 |
272 |
306 |
340 | ||||||
| 32 | 16 |
Выдвижение |
145 |
217 |
289 |
362 |
434 |
507 |
579 |
651 |
724 | ||||
|
Втягивание |
108 |
162 |
217 |
271 |
325 |
380 |
434 |
488 |
542 | ||||||
|
40 |
16 |
Выдвижение |
226 |
339 |
452 |
565 |
678 |
792 |
905 |
1018 |
1130 | ||||
|
Втягивание |
190 |
285 |
380 |
475 |
570 |
665 |
760 |
855 |
950 | ||||||
| 50 | 20 |
Выдвижение |
353 |
530 |
706 |
884 |
1060 |
1237 |
1414 |
1590 |
1767 | ||||
|
Втягивание |
297 |
445 |
594 |
742 |
890 |
1039 |
1187 |
1336 |
1484 | ||||||
|
63 |
20 |
Выдвижение |
561 |
842 |
1122 |
1403 |
1683 |
1964 |
2244 |
2525 |
2805 | ||||
|
Втягивание |
505 |
757 |
1009 |
1261 |
1514 |
1766 |
2018 |
2270 |
2523 | ||||||
|
80 |
25 |
Выдвижение |
905 |
1357 |
1809 |
2262 |
2714 |
3167 |
3619 |
4072 |
4524 | ||||
|
Втягивание |
816 |
1225 |
1633 |
2041 |
2449 |
2857 |
3266 |
3674 |
4082 | ||||||
| 100 | 30 |
Выдвижение |
1414 |
2120 |
2827 |
3534 |
4241 |
4948 |
5655 |
6362 |
7068 | ||||
|
Втягивание |
1287 |
1929 |
2573 |
3216 |
3859 |
4502 |
5145 |
5789 |
6432 | ||||||
Встроенные направляющие обеспечивают высокое сопротивление боковым нагрузкам и малый угловой люфт штока.
Вышеуказанные значения были определены с учетом потерь на трение.
ОСТОРОЖНО
1. Исключите повреждение (царапины) на поверхностях скольжения штока и штанг направляющих и прикосновение к ним. Повреждение уплотнений может привести к утечке воздуха или неправильной работе цилиндра.2. Установка и крепление нагрузки:
a) При заворачивании болтов в резьбовые отверстия плиты толкателя убедитесь, что цилиндр в полностью выдвинутой позиции. Также следите, чтобы при затягивании крепежа плита толкателя не деформировалась с перекосом штанг направляющих в их каналах.
b) При монтаже нагрузки на шток или плиту толкателя обеспечьте надлежащую центровку между собой плиты и нагрузки. При внецентровом креплении возникают боковые нагрузки, которые могут привести к деформации и повреждению уплотнений и утечке воздуха.
3. Запрещается использовать изделие как стопор
Угловой люфт плиты

| Диаметр поршня (мм) | Макс. угловой люфт | |
| 12, 16 | ±0,3° | |
| от 20 до 40 | ±0,2° | |
| от 50 до 100 | ±0,1° | |
Допустимая боковая нагрузка на плиту
Исключите боковые нагрузки на плиту, превышающие допустимую боковую нагрузкуПревышение допустимой боковой нагрузки может привести к сокращению срока службы или повреждению изделия
.


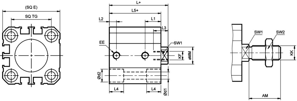
Базовый цилиндр
Размеры — Ø12, Ø16
Базовый цилиндр
Размеры — Ø20, Ø25
Базовый цилиндр
Размеры — Ø32, Ø40, Ø50, Ø63, Ø80, Ø100
Разрез AA
+ Дополнительный ход|
Модель G |
Модель G1 | Модель G2 | |||
|
Зенковка с резьбовым отверстием с обеих сторон |
Зенковка с гладким отверстием с обеих сторон | Резьба с обеих сторон | |||

Модель G - Зенковка и резьбовое отверстие с обеих сторон
+ Дополнительный ход|
№ арт. |
Ø поршня |
MM |
Ød1 |
Ød2 |
L4 |
SW1 |
L1 |
L2 |
EE |
TG ±0,1 |
E |
N |
L5 | L | |||
|
A02012000G |
12 |
6 |
3,5 |
6 |
5,5 |
5 |
11,5 |
5 |
M5X0,8 |
15,5 |
25 |
- |
29,5 |
33 | |||
|
A02016000G |
16 |
8 |
3,5 |
6 |
5,5 |
6 |
11 |
5,5 |
M5X0,8 |
20 |
29 |
- |
30,5 |
34 | |||
|
A02020000G |
20 |
10 |
5,5 |
9 |
9,5 |
8 |
11,5 |
5 |
M5x0,8 |
25,5 |
36 |
- |
31,5 |
35 | |||
|
A02025000G |
25 |
12 |
5,5 |
9 |
9,5 |
10 |
11 |
5 |
M5X0,8 |
28 |
40 |
- |
36 |
41 | |||
|
A02032000G |
32 |
16 |
5,5 | 9 | 9,5 |
14 |
12,5 |
8 |
G1/8 |
34 |
45 |
49,5 |
41 |
48 | |||
|
A02040000G |
40 |
16 |
5,5 |
9 |
9,5 |
14 |
11,5 |
8 |
G1/8 |
40 |
52 |
57 |
36,5 |
43,5 | |||
|
A02050000G |
50 |
20 |
6,6 |
10,5 |
11 |
17 |
14 |
10,5 |
G1M |
50 |
64 |
71 |
42 |
50 | |||
|
A02063000G |
53 |
20 |
9 |
13,5 |
11 |
17 |
14 |
10,5 |
G1/4 |
60 |
77 |
84 |
43 |
51 | |||
|
A02080000G |
80 |
25 |
11 |
16,5 |
14,5 |
22 |
18,5 |
12,5 |
G3/8 |
77 |
98 |
104 |
54,5 |
64,5 | |||
|
A02100000G |
100 |
30 |
11 |
16,5 |
14,5 |
27 |
21 |
12,5 |
G3/8 |
94 |
117 |
123,5 |
57,5 |
68,5 | |||
| № арт. |
L3 | W |
E1 |
E2 |
E3 |
PCD ±0,1 |
T1 |
Ød3 |
W1 | E4 | E5 | T2 | L6 | |||
|
A02012000G |
39 |
6 |
24 |
15 |
7,1 |
10 |
M3x0,5 |
3 |
7,5 |
15 |
31,5 |
M4x0,7 |
8 | |||
|
A02016000G |
40 |
6 |
28 |
19 |
9,9 |
14 |
M3x0,5 |
3 |
7,5 |
20 |
37 |
M4x0,7 | 8 | |||
|
A02020000G |
43 |
8 |
34 | 25,5 |
12 |
17 |
M4x0,7 |
4 |
9,5 |
26 |
45,5 |
M6x1 |
10 | |||
|
A02025000G |
49 |
8 | 38 |
29,5 |
15,6 |
22 |
M5x0,8 |
5 |
9,5 |
30 |
50,5 |
M6x1 |
10 | |||
|
A02032000G |
58 |
10 |
43 |
34,4 |
19,8 |
28 |
M5x0,8 |
5 |
10 |
38 |
58,5 |
M6x1 |
10 | |||
|
A02040000G |
53,5 |
10 |
50 |
41,4 |
23,3 |
33 |
M5x0,8 |
5 |
10 |
46 |
67,5 |
M6x1 |
10 | |||
|
A02050000G |
62 |
12 |
62 |
53,4 |
29,7 |
42 |
M6x1 |
6 |
13 |
58 |
84,5 |
М8Х1,25 |
13 | |||
|
A02063000G |
63 |
12 |
74 |
59,6 |
35,4 |
50 |
M6x1 |
6 |
15,5 |
69 |
100 |
M10X1,5 |
16 | |||
|
A02080000G |
78,5 |
14 |
95 |
79,5 |
46 |
65 |
M8X1,25 |
8 |
20 |
89 |
129 |
M12X1,75 |
19 | |||
|
A02100000G |
84,5 |
16 |
114 |
99 |
56,6 |
80 |
M10X1,5 |
10 |
20 |
113 |
153 |
M12X1,75 |
19 | |||
Модель G1 - Зенковка с гладким отверстием с обеих сторон
+ Дополнительный ход|
№ арт. |
Ø поршня |
MM |
Ød1 | Ød2 |
L4 |
SW1 |
L1 |
L2 |
EE |
TG ±0,1 | E |
N |
L5 | L | |||
|
A02012000G1 |
12 |
6 |
3,5 |
6 |
5,5 |
5 |
11,5 |
5 |
M5X0,8 |
15,5 |
25 |
- |
29,5 |
33 | |||
| A02016000G1 | 16 |
8 |
3,5 | 6 |
5,5 |
6 |
11 |
5,5 |
M5X0,8 |
20 |
29 |
- |
30,5 |
34 | |||
|
A02020000G1 |
20 |
10 |
5,5 |
9 |
9,5 |
8 |
11,5 |
5 |
M5x0,8 |
25,5 |
36 |
- |
31,5 |
35 | |||
|
A02025000G1 |
25 |
12 |
5,5 |
9 |
9,5 |
10 |
11 |
5 |
M5x0,8 |
28 |
40 |
- |
41 | 36 | |||
|
A02032000G1 |
32 |
16 |
5,5 |
9 |
9,5 |
14 |
12,5 |
8 |
G1/8 |
34 |
45 |
49,5 |
41 |
48 | |||
|
A02040000G1 |
40 |
16 |
5,5 |
9 |
9,5 |
14 |
11,5 |
8 |
G1/8 |
40 |
52 |
57 |
36,5 |
43,5 | |||
|
A02050000G1 |
50 |
20 |
6,6 |
10,5 |
11 |
17 |
14 |
10,5 |
G1/4 |
50 |
64 |
71 |
42 |
50 | |||
|
A02063000G1 |
63 |
20 |
9 |
13,5 |
11 |
17 |
14 |
10,5 |
G1/4 |
60 |
77 |
84 |
43 |
51 | |||
|
A02080000G1 |
80 |
25 |
11 |
16,5 |
14,5 |
22 |
18,5 |
12,5 |
G3/8 |
77 |
98 |
104 |
54,5 |
64,5 | |||
|
A02100000G1 |
100 |
30 |
11 |
16,5 |
14,5 |
27 |
21 |
12,5 |
G 3/8 |
94 |
117 |
123,5 |
57,5 | 68,5 | |||
| № арт. | L3 | W | E1 | E2 | E3 | PCD ±0,1 | T1 | Ød3 | W1 | E4 | E5 | |||
| A02012000G1 |
39 | 6 | 24 | 15 | 7,1 | 10 | M3x0,5 | 3 | 7,5 | 15 | 31,5 | |||
| A02016000G1 | 40 | 6 | 28 | 19 | 9,9 | 14 | M3x0,5 | 3 | 7,5 | 20 | 37 | |||
| A02020000G1 | 43 | 8 | 34 | 25,5 | 12 | 17 | M4x0,7 | 4 | 9,5 | 26 | 45,5 | |||
| A02025000G1 | 49 | 8 | 38 | 29,5 | 15,6 | 22 | M5x0,8 | 5 | 9,5 | 30 | 50,5 | |||
| A02032000G1 | 58 | 10 | 43 | 34,4 | 19,8 | 28 | M5X0,8 | 5 | 10 | 38 | 58,5 | |||
| A02040000G1 | 53,5 | 10 | 50 | 41,4 | 23,3 | 33 | M5X0,8 | 5 | 10 | 46 | 67,5 | |||
| A02050000G1 | 62 | 12 | 62 | 53,4 | 29,7 | 42 | M6x1 | 6 | 13 | 58 | 84,5 | |||
| A02063000G1 | 63 | 12 | 74 | 59,6 | 35,4 | 50 | M6x1 | 6 | 15,5 | 69 | 100 | |||
| A02080000G1 | 78,5 | 14 | 95 | 79,5 | 46 | 65 | M8x1,25 | 8 | 20 | 89 | 129 | |||
| A02100000G1 | 84,5 | 16 | 114 | 99 | 56,6 | 80 | M10x1,5 | 10 | 20 | 113 | 153 | |||
Модель G2 - Резьба с обеих сторон
+ Дополнительный ход| № арт. | Ø поршня | мм | Ød1 | SW1 | L1 | L2 | EE | TG ±0,1 | E | N | L5 | L | L3 | W | |||
| A02012000G2 |
12 | 6 | 3,5 | 5 | 11,5 | 5 | M5X0,8 | 15,5 | 25 | - | 29,5 | 33 | 39 | 6 | |||
| A02016000G2 | 16 | 8 | 3,5 | 6 | 11 | 5,5 | M5x0,8 | 20 | 29 | - | 30,5 | 34 | 40 | 6 | |||
| A02020000G2 | 20 | 10 | 5,5 | 8 | 11,5 | 5 | M5x0,8 | 25,5 | 36 | - | 31,5 | 35 | 43 | 8 | |||
| A02025000G2 | 25 | 12 | 5,5 | 10 | 11 | 5 | M5X0,8 | 28 | 40 | - | 36 | 41 | 49 | 8 | |||
| A02032000G2 | 32 | 16 | 5,5 | 14 | 12,5 | 8 | G1/8 | 34 | 45 | 49,5 | 41 | 48 | 58 | 10 | |||
| A02040000G2 | 40 | 16 | 5,5 | 14 | 11,5 | 8 | G1/8 | 40 | 52 | 57 | 36,5 | 43,5 | 53,5 | 10 | |||
| A02050000G2 | 50 | 20 | 6,6 | 17 | 14 | 10,5 | G1/4 | 50 | 64 | 71 | 42 | 50 | 62 | 12 | |||
| A02063000G2 | 63 | 20 | 9 | 17 | 14 | 10,5 | G1/4 | 60 | 77 | 84 | 43 | 51 | 63 | 12 | |||
| A02080000G2 | 80 | 25 | 11 | 22 | 18,5 | 12,5 | G3/8 | 77 | 98 | 104 | 54,5 | 64,5 | 78,5 | 14 | |||
| A02100000G2 | 100 | 30 | 11 | 27 | 21 | 12,5 | G3/8 | 94 | 117 | 123,5 | 57,5 | 68,5 | 84,5 | 16 | |||
| № арт. | E1 | E2 | E3 | PCD ±0,1 | T1 | Ød3 | W1 | E4 | E5 | T2 | L6 | |||
| A02012000G2 |
24 | 15 | 7,1 | 10 | М3х0,5 | 3 | 7,5 | 15 | 31,5 | M4x0,7 | 8 | |||
| A02016000G2 | 28 | 19 | 9,9 | 14 | M3x0,5 | 3 | 7,5 | 20 | 37 | M4x0,7 | 8 | |||
| A02020000G2 | 34 | 25,5 | 12 | 17 | M4x0,7 | 4 | 9,5 | 26 | 45,5 | M6x1 | 10 | |||
| A02025000G2 | 38 | 29,5 | 15,6 | 22 | M5X0,8 | 5 | 9,5 | 30 | 50,5 | M6x1 | 10 | |||
| A02032000G2 | 43 | 34,4 | 19,8 | 28 | M5X0,8 | 5 | 10 | 38 | 58,5 | M6x1 | 10 | |||
| A02040000G2 | 50 | 41,4 | 23,3 | 33 | M5x0,8 | 5 | 10 | 46 | 67,5 | M6x1 | 10 | |||
| A02050000G2 | 62 | 53,4 | 29,7 | 42 | M6x1 | 6 | 13 | 58 | 84,5 | M8X1,25 | 13 | |||
| A02063000G2 | 74 | 59,6 | 35,4 | 50 | M6x1 | 6 | 15,5 | 69 | 100 | М10Х1,5 | 16 | |||
| A02080000G2 | 95 | 79,5 | 46 | 65 | M8X1,25 | 8 | 20 | 89 | 129 | M12X1,75 | 19 | |||
| A02100000G2 | 114 | 99 | 56,6 | 80 | M10X1,5 | 10 | 20 | 113 | 153 | M12X1,75 | 19 | |||
Рекомендуемый размер монтажного болта

| № для заказа | А | Размер болта B | № для заказа | А | Размер болта B | № для заказа | А | Размер болта B | |||
| A02012005G1 | 6 | М3 x 35 | A02016005G1 | 5 | М3 x 35 | A02020005G1 | 8 | M5 x 35 | |||
| 010G1 |
6 | x 40 | 010G1 | 5 | x 40 | 010G1 | 8 | x 40 | |||
| 015G1 | 6 | x 45 | 015G1 | 5 | x 45 | 015G1 | 8 | x 45 | |||
| 020G1 | 6 | x 50 | 020G1 | 5 | x 50 | 020G1 | 8 | x 50 | |||
| 025G1 | 6 | x 55 | 025G1 | 5 | x 55 | 025G1 | 8 | x 55 | |||
| 030G1 | 6 | x 60 | 030G1 | 5 | x 60 | 030G1 | 8 | x 60 | |||
| 040G1 | 6 | x 70 | 040G1 | 5 | x 70 | 040G1 | 8 | x 70 | |||
| 050G1 | 8 | x 80 | |||||||||
| № для заказа | А | Размер болта B | № для заказа | А | Размер болта B | № для заказа | А | Размер болта B | |||
| A02025005G1 | 8,5 | M5 x 40 | A02032005G1 | 8,5 | M5 x 45 | A02040005G1 | 8 | M5 x 40 | |||
| 010G1 | 8,5 | x 45 | 010G1 | 8,5 | x 50 | 010G1 | 8 | x 45 | |||
| 015G1 | 8,5 | x 50 | 015G1 | 8,5 | x 55 | 015G1 | 8 | x 50 | |||
| 020G1 | 8,5 | x 55 | 020G1 | 8,5 | x 60 | 020G1 | 8 | x 55 | |||
| 025G1 | 8,5 | x 60 | 025G1 | 8,5 | x 65 | 025G1 | 8 | x 60 | |||
| 030G1 | 8,5 | x 65 | 030G1 | 8,5 | x 70 | 030G1 | 8 | x 65 | |||
| 040G1 | 8,5 | x 75 | 040G1 | 8,5 | x 80 | 040G1 | 8 | x 75 | |||
| 050G1 | 8,5 | x 85 | 050G1 | 8,5 | x 90 | 050G1 | 8 | x 85 | |||
| 060G1 | 8,5 | x 100 | 060G1 | 8 | x 95 | ||||||
| № для заказа | А | Размер болта B | № для заказа | А | Размер болта B | № для заказа | А | Размер болта B | |||
| A02050010G1 |
9 | M6 x 50 | A02063010G1 | 13 | M8 x 55 | A02080010G1 | 15 | M10 x 65 | |||
| 020G1 | 9 | x 60 | 020G1 | 13 | x 65 | 020G1 | 15 | x 75 | |||
| 030G1 | 9 | x 70 | 030G1 | 13 | x 75 | 030G1 | 15 | x 85 | |||
| 040G1 | 9 | x 80 | 040G1 | 13 | x 85 | 040G1 | 15 | x 95 | |||
| 050G1 | 9 | x 90 | 050G1 | 13 | x 95 | 050G1 | 15 | x 105 | |||
| 060G1 | 9 | x 100 | 060G1 | 13 | x 105 | 060G1 | 15 | x 115 | |||
| 070G1 | 9 | x 110 | 070G1 | 13 | x 115 | 070G1 | 15 | x 125 | |||
| 080G1 | 9 | x 120 | 080G1 | 13 | x 125 | 080G1 | 15 | x 135 | |||
| № для заказа | А | Размер болта B | |||
| A02100010G1 |
17 |
M10 x 70 |
|||
| 020G1 | 17 | x 80 | |||
| 030G1 | 17 | x 90 | |||
| 040G1 | 17 | x 100 | |||
| 050G1 | 17 | x 110 | |||
| 060G1 | 17 | x 120 | |||
| 070G1 | 17 | x 130 | |||
| 080G1 | 17 | x 140 | |||
Порядок заказа
| A 02 |
| 025 |
| 025 | G | ||
|
|
|
|
|
||||
|
|
|
направляющей |
|||||
| 012 - Ø 12 |
005 - 5 | G - Зенковка с резьбовым отверстием |
|||||
| 016 - Ø 16 | 010 - 10 | G1 - Зенковка с гладким отверстием |
|||||
| 020 - Ø 20 | 015 - 15 | G2 - Резьба | |||||
| 025 - Ø 25 | 020 - 20 | ||||||
| 032 - Ø 32 | 025 - 25 | ||||||
| 040 - Ø 40 | 030 - 30 | ||||||
| 050 - Ø 50 | 040 - 40 | ||||||
| 063 - Ø 63 | 050 - 50 | ||||||
| 080 - Ø 80 | 060 - 60 | ||||||
| 100 - Ø 100 | 070 - 70 | ||||||
|
|
080 - 80 | ||||||
Пример
Компактный цилиндр двустороннего действия со встроенными направляющими, диаметр поршня Ø25 мм, ход 25 мм (зенковка с резьбовым отверстием): A02025025GКомпактный цилиндр двустороннего действия со встроенными направляющими, диаметр поршня Ø25 мм, ход 25 мм (зенковка с гладким отверстием): A02025025G1
В случае особых требований к цилиндрам или для получения дополнительной информации обращайтесь к своему региональному дилеру или в компанию Остек-АртТул
Пневматический цилиндр серии A03


Компактные магнитные цилиндры двойного действия (Ø12–100 мм). Эти компактные цилиндры широко используются в системах автоматики с низкой стоимостью, специализированных станках, промышленном оборудовании, монтажных и установочных приспособлениях и т. д.
Особенности изделий
- Компактная, легкая и малогабаритная конструкция
- Большая сила сжатия по отношению к размеру
- Конструкция с низким трением и долговечным уплотнением
- Эластомерный торцевой демпфер
Технические характеристики
| Ø цилиндра | 12 мм | 16 мм | 20 мм | 25 мм | 32 мм | 40 мм | 50 мм | 63 мм | 80 мм | 100 мм | |||
| Стандартная длина хода* | 5 мм, 10 мм, 15 мм, 20 мм, 25 мм, 30 мм, 40 мм | 5 мм, 10 мм, 15 мм, 20 мм, 25 мм, 30 мм, 40 мм, 50 мм | 5 мм, 10 мм, 15 мм, 20 мм, 25 мм, 30 мм, 40 мм, 50 мм, 60 мм | 10 мм, 20 мм, 30 мм, 40 мм, 50 мм, 60 мм, 70 мм, 80 мм | |||||||||
| Среда | Сжатый воздух, фильтрованный, воздушно-масляная смесь | ||||||||||||
| Диапазон рабочего давления | 0,5–10 бар | ||||||||||||
| Температура среды | 5–60°C | ||||||||||||
* Для получения информации о цилиндрах с нестандартными или удлиненными штоками обращайтесь к своему региональному дилеру или в компанию Остек-АртТул
Сила на выходе (сила в Н: 1 Н = 0,1 кгс)
| Ø цилиндра, мм | Ø штока, мм | Рабочее давление, бар | |||||||||||||
| 2 | 3 | 4 | 5 | 6 | 7 | 8 | 9 | 10 |
|||||||
| 12 | 6 | Выдвижение | 20 | 30 | 40 | 50 | 60 | 70 | 80 | 90 | 100 | ||||
| Втягивание | 15 | 22 | 30 | 38 | 46 | 53 | 61 | 68 | 76 | ||||||
| 16 | 8 | Выдвижение | 36 | 54 | 72 | 90 | 108 | 126 | 144 | 162 | 180 | ||||
| Втягивание | 27 | 40 | 54 | 67 | 81 | 95 | 108 | 122 | 135 | ||||||
| 20 | 10 | Выдвижение | 56 | 84 | 112 | 140 | 169 | 196 | 224 | 254 | 282 | ||||
| Втягивание | 42 | 63 | 84 | 106 | 127 | 148 | 169 | 190 | 212 | ||||||
| 25 | 12 | Выдвижение | 88 | 132 | 176 | 220 | 264 | 308 | 352 | 396 | 440 | ||||
| Втягивание | 68 | 102 | 136 | 170 | 204 | 238 | 272 | 306 | 340 | ||||||
| 32 | 16 | Выдвижение | 145 | 217 | 289 | 362 | 434 | 507 | 579 | 651 | 724 | ||||
| Втягивание | 108 | 162 | 217 | 271 | 325 | 380 | 34 | 488 | 542 | ||||||
| 40 | 16 | Выдвижение | 226 | 339 | 452 | 565 | 678 | 792 | 905 | 1018 | 1130 | ||||
| Втягивание | 190 | 285 | 380 | 475 | 570 | 665 | 760 | 855 | 950 | ||||||
| 50 | 20 | Выдвижение | 353 | 530 | 706 | 884 | 1060 | 1237 | 1414 | 1590 | 1767 | ||||
| Втягивание | 297 | 445 | 594 | 742 | 890 | 1039 | 1187 | 1336 | 1484 | ||||||
| 63 | 20 | Выдвижение | 561 | 842 | 1122 | 1403 | 1683 | 1964 | 2244 | 2525 | 2805 | ||||
| Втягивание | 505 | 757 | 1009 | 1261 | 1514 | 1766 | 2018 | 2270 | 2523 | ||||||
| 80 | 25 | Выдвижение | 905 | 1357 | 1809 | 2262 | 2714 | 3167 | 3619 | 4072 | 4524 | ||||
| Втягивание | 816 | 1225 | 1633 | 2041 | 2449 | 2857 | 3266 | 3674 | 4082 | ||||||
| 100 | 30 | Выдвижение | 1414 | 2120 | 2827 | 3534 | 4241 | 4948 | 5655 | 6362 | 7068 | ||||
| Втягивание | 1287 | 1929 | 2573 | 3216 | 3859 | 4502 | 5145 | 5789 | 6432 | ||||||
Вышеуказанные значения были определены с учетом потерь на трение
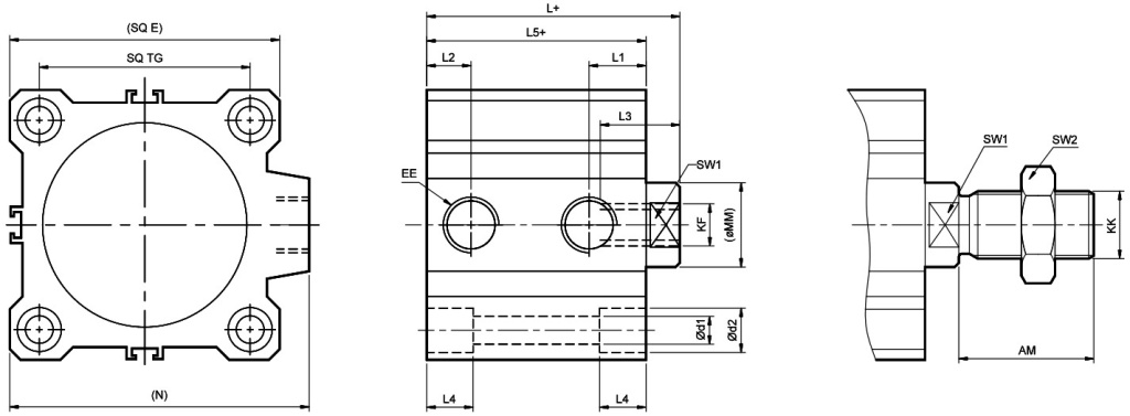
Базовый цилиндр
Размеры — Ø12, Ø16
Базовый цилиндр
Размеры — Ø20, Ø25
Базовый цилиндр
Размеры — Ø32, Ø40, Ø50, Ø63, Ø80, Ø100
+ Дополнительный ход
| Ø цилиндра | KF | ММ | L3 | d1 | d2 | L4 | SW1 | L1 | L2 | |||
| 12 | M3x0,5 | 6 | 6 | 3,5 | 6 | 3,5 | 5 | 11,5 | 5 | |||
| 16 | M4x0,7 | 8 | 8 | 3,5 | 6 | 4,5 | 6 | 11 | 5,5 | |||
| 20 | M5x0,8 | 10 | 8 | 5,5 | 9 | 9,5 | 8 | 11,5 | 5 | |||
| 25 | M6x1 | 12 | 12 | 5,5 | 9 | 7 | 10 | 11 | 5 | |||
| 32 | M8x1,25 | 16 | 13 | 5,5 | 9 | 9 | 14 | 12,5 | 8 | |||
| 40 | M8x1,25 | 16 | 13 | 5,5 | 9 | 9,5 | 14 | 11,5 | 8 | |||
| 50 | M10x1,5 | 20 | 15 | 6,6 | 10,5 | 11 | 17 | 14 | 10,5 | |||
| 63 | M10x1,5 | 20 | 15 | 9 | 13,5 | 10 | 17 | 14 | 10,5 | |||
| 80 | M16x2 | 25 | 21 | 11 | 16,5 | 13,5 | 22 | 18,5 | 12,5 | |||
| 100 | M20x2,5 | 30 | 27 | 11 | 16,5 | 12,5 | 27 | 21 | 12,5 | |||
| Ø цилиндра | EE | TG | E | N | L5 | L | KK | AM | SW2 | |||
| 12 | M5x0,8 | 15,5 | 25 | - | 33,5 | 37 | M6x1 | 16 | 10 | |||
| 16 | M5x0,8 | 20 | 29 | - | 34,5 | 38 | M8x1,25 | 20 | 13 | |||
| 20 | M5x0,8 | 25,5 | 36 | - | 36,5 | 40 | M10x1,25 | 22 | 17 | |||
| 25 | M5x0,8 | 28 | 40 | - | 39 | 44 | M10x1,25 | 22 | 17 | |||
| 32 | G1/8 | 34 | 45 | 49,5 | 46 | 53 | M12x1,25 | 24 | 19 | |||
| 40 | G1/8 | 40 | 52 | 57 | 41,5 | 48,5 | M12x1,25 | 24 | 19 | |||
| 50 | G1/4 | 50 | 64 | 71 | 47 | 55 | M16x1,5 | 32 | 24 | |||
| 63 | G1/4 | 60 | 77 | 84 | 48 | 56 | M16x1,5 | 32 | 24 | |||
| 80 | G3/8 | 77 | 98 | 104 | 58,5 | 68,5 | M20x1,5 | 40 | 30 | |||
| 100 | G3/8 | 94 | 117 | 123,5 | 62,5 | 73,5 | M20x1,5 | 40 | 30 | |||
Дополнительные принадлежности для магнитных цилиндров серии A03
Базовый цилиндр

Герконовый датчик и крепление в сборе устанавливаются на пневматический цилиндр (серия A03) для распознавания приближения. Поршень цилиндра оснащен постоянным магнитом, который активирует герконовый датчик при приближении к нему. Герконовый датчик замыкает цепь, подавая электрический сигнал, который можно использовать в дальнейшем по мере необходимости. Точность расстояния распознавания зависит от скорости работы поршня.

Технические характеристики
| Модель | AM2012 / AM2032 | |
| Подходящий цилиндр |
Серия A03 | |
| Рабочее напряжение | 5–120 В DC/AC | |
| Ток коммутации | макс. 100 мА | |
| Скорость коммутации | макс. 6 Вт | |
| Перепад напряжения | макс. 3,5 В | |
| Логическая схема переключения | Однополюсная группа размыкающих контактов, нормально разомкнутая | |
| Рабочая температура | от -10 до 70° C | |
| Удар | 30 G | |
| Вибрация | 9 G | |
| Тип защиты | IEC 529, IP67 | |
| Цвет светодиода | Красный | |
| Кабель | Ø2,8, 2C, ПВХ, 2 метра | |
| Ø отверстия | № для заказа герконового датчика и крепления | |
| Ø12, Ø16, Ø20, Ø25 | AM2012 | |
| Ø32, Ø40, Ø50, Ø63, Ø80, Ø100 | AM2032 | |
Цепь и схема соединения

Рекомендуемый размермонтажного болта

| № для заказа | А | Размер болта B | № для заказа | А | Размер болта B | № для заказа | А | Размер болта B | |||
| A03 012 005 |
5 | M3x40 | A03 016 005 | 5 | M3x40 | A03 020 005 | 8 | M5x40 | |||
| 010 | 5 | x45 | 010 | 5 | x45 | 010 | 8 | x45 | |||
| 015 | 5 | x50 | 015 | 5 | x50 | 015 | 8 | x50 | |||
| 020 | 5 | x55 | 020 | 5 | x55 | 020 | 8 | x55 | |||
| 025 | 5 | x60 | 025 | 5 | x60 | 025 | 8 | x60 | |||
| 030 | 5 | x65 | 030 | 5 | x65 | 030 | 8 | x65 | |||
| 040 | 5 | x75 | 040 | 5 | x75 | 040 | 8 | x75 | |||
| 050 | 8 | x85 | |||||||||
| № для заказа | А | Размер болта B | № для заказа | А | Размер болта B | № для заказа | А | Размер болта B | |||
| A03 025 005 |
8 | M5x45 | A03 032 005 | 8 | M5x50 | A03 040 005 | 8 | M5x45 | |||
| 010 | 8 | x50 | 010 | 8 | x55 | 010 | 8 | x50 | |||
| 015 | 8 | x55 | 015 | 8 | x60 | 015 | 8 | x55 | |||
| 020 | 8 | x60 | 020 | 8 | x65 | 020 | 8 | x60 | |||
| 025 | 8 | x65 | 025 | 8 | x70 | 025 | 8 | x65 | |||
| 030 | 8 | x70 | 030 | 8 | x75 | 030 | 8 | x70 | |||
| 040 | 8 | x80 | 040 | 8 | x85 | 040 | 8 | x80 | |||
| 050 | 8 | x90 | 050 | 8 | x95 | 050 | 8 | x90 | |||
| 060 | 8 | x105 | 060 | 8 | x100 | ||||||
| № для заказа | А | Размер болта B | № для заказа | А | Размер болта B | № для заказа | А | Размер болта B | |||
| A03 050 010 |
9 | M6x55 | A03 063 010 | 12 | M8x60 | A03 080 010 | 15 | M10x70 | |||
| 020 | 9 | x65 | 020 | 12 | x70 | 020 | 15 | x80 | |||
| 030 | 9 | x75 | 030 | 12 | x80 | 030 | 15 | x90 | |||
| 040 | 9 | x85 | 040 | 12 | x90 | 040 | 15 | x100 | |||
| 050 | 9 | x95 | 050 | 12 | x100 | 050 | 15 | x110 | |||
| 060 | 9 | x105 | 060 | 12 | x110 | 060 | 15 | x120 | |||
| 070 | 9 | x115 | 070 | 12 | x120 | 070 | 15 | x130 | |||
| 080 | 9 | x125 | 080 | 12 | x130 | 080 | 15 | x140 | |||
| № для заказа | А | Размер болта B | |||
| A03 100 010 | 15 | M10x75 | |||
| 020 | 15 | x85 | |||
| 030 | 15 | x95 | |||
| 040 | 15 | x105 | |||
| 050 | 15 | x115 | |||
| 060 | 15 | x125 | |||
| 070 | 15 | x135 | |||
| 080 | 15 | x145 | |||
* Для поршня Ø12–25 мм использовать только немагнитный болт из нержавеющей стали
Порядок заказа
| A 03 |
|
|
|
||||||
|
|
|
|
|
||||||
|
|
|
|
|||||||
| 012 - Ø 12 | 005 - 5 |
||||||||
| 016 - Ø 16 | 010 - 10 |
||||||||
|
020 - Ø 20 |
015 - 15 |
||||||||
|
025 - Ø 25 |
020 - 20 |
||||||||
|
032 - Ø 32 |
025 - 25 |
||||||||
| 040 - Ø 40 | 030 - 30 |
||||||||
| 050 - Ø 50 | 040 - 40 | ||||||||
| 063 - Ø 63 | 050 - 50 | ||||||||
| 080 - Ø 80 | 060 - 60 | ||||||||
| 100 - Ø 100 | 070 - 70 | ||||||||
|
|
080 - 80 | ||||||||
Пример
№ для заказа цилиндра с отверстием диам. 40 мм, ходом 50 мм с внутренней резьбой: A03 040 050 O№ для заказа цилиндра с отверстием диам. 40 мм, ходом 50 мм с наружной резьбой: A03 040 050 O-M
Для получения информации об особых требованиях к цилиндрам или иной дополнительной информации обращайтесь к своему региональному дилеру или в компанию Остек-АртТул
|
Артикул
|
A02025005G |
|
Страна производтва
|
ИНДИЯ |
|
Серия цилиндра
|
A02 |
|
Форма цилиндра
|
Компактный противоповоротный |
|
Диаметр поршня, мм
|
25 |
|
Ход, мм
|
5 |
|
Производитель
|
JANATICS INDIA PRIVATE LIMITED |
|
Магнит
|
Нет |
Оплатить заказ можно только от юридического лица, получив счет на оплату оборудования.