Артикул:
A19200175O
Описание и схемы Пневмоцилиндр ISO15552 с проходным штоком, базовый, с магнитом, 200x175
Пневматические цилиндры двойного действия двусторонним штоком (Ø125, 160, 200 мм)
Регулируемое демпфирование на обоих концах.
Большой выбор креплений. Низкое трение. Длительный срок службы. Опционально – стойкость к воздействию высоких температур (уплотнения FPM), не более 150° C. Опционально – шток и гайка из нержавеющей стали (SS 304).

* Для получения информации о цилиндрах с нестандартными или удлиненными штоками обращайтесь к своему менеджеру.
** Необходимо указать специальный номер заказа.
(Вышеуказанные значения приведены с учетом потери на трение)

+ Добавить ход
++ Добавить двойной ход

+ Добавить ход
* Подходит для рассверловки

+ Добавить ход

+ Добавить ход

+ Добавить ход

+ Добавить ход
++ Добавить двойной ход
Примечание: цилиндр с центральной цапфой изготавливается на заводе, обращайтесь к своему менеджеру


Примечание:
Для получения дополнительной информации о принадлежностях для магнитного датчика см. каталог продукции кат. № A16, A17-01-01.
Пример:
Код для заказа магнитного цилиндра с отверстием диам. 160 мм, ходом 100 мм с монтажом на внутренней серьге, рассчитанного на высокую температуру: A19 160 100 B-T.
Примечание:
При заказе цилиндра с поршнем Ø 40 мм, ходом 50 мм будет постав лен базовый цилиндр A18 040 050 O.
Для повторного заказа при указании данных с шильдика цилиндра отдельно указывайте способ монтажа.
При заказе принадлежностей указывайте коды, представленные в соответствующих таблицах.
При отдельном заказе монтажных комплектов (если они требуются отдельно) необходимо использовать указанные ниже коды для заказа.
* Поставляется в комплекте с 4 винтами.
Для получения информации об особых требованиях к цилиндрам или иной дополнительной информации обращайтесь к своему менеджеру
Особенности

Характеристики
|
Диаметр поршня Ø (мм) |
125 | 160 | 200 | |||||||
|
Ход демпфера (мм) |
40 | 40 | 40 | |||||||
|
Стандартная длина хода* (мм) |
50, 80, 100, 125, 160, 200, 250, 300, 320, 400, 500 |
|||||||||
|
Рабочая среда |
Сжатый фильтрованный воздух, воздушно-масляная смесь |
|||||||||
|
Рабочее давление |
0,5–10 бар |
|||||||||
|
Температура среды |
Стандартная |
5–60° C |
||||||||
|
Высокие температуры ** |
5–150° C |
|||||||||
|
Материалы конструкции |
Алюминий, латунь, нитрил, полиуретан, сталь, ацеталь |
|||||||||
|
Виды монтажа |
Базовый цилиндр, монтаж на лапах, фланец, вилка, передняя и задняя цапфа, центральная цапфа |
|||||||||
|
Принадлежности |
Кронштейн цапфы, вилка штока, наконечник штока со сферическим шарниром |
|||||||||
* Для получения информации о цилиндрах с нестандартными или удлиненными штоками обращайтесь к своему менеджеру.
** Необходимо указать специальный номер заказа.
Усилие на штоке (сила в Н: 1 Н = 0,1 кгс)
|
Диаметр поршня Ø (в мм) |
Ø штока (в мм) |
Рабочее давление в бар | ||||||||
| 2 | 3 | 4 | 5 | 6 | 7 | 8 | 9 | 10 | ||
| 125 | 40 | 2064 | 3096 | 4128 | 5160 | 6192 | 7224 | 8256 | 9288 | 10320 |
| 160 | 40 | 3392 | 5089 | 6785 | 8482 | 10178 | 11875 | 13571 | 15268 | 16964 |
| 200 | 40 | 5428 | 8143 | 10857 | 13571 | 16286 | 19000 | 21714 | 24429 | 27143 |
(Вышеуказанные значения приведены с учетом потери на трение)
Базовый цилиндр

+ Добавить ход
++ Добавить двойной ход
|
Диаметр поршня Ø |
KK |
AM |
ММ | SW2 |
L12 |
SW1 |
В e11 |
VD |
L2 |
E макс. |
G |
TG |
RT |
BG мин. |
EE |
PL |
L7 |
WH ± 2,2 |
ZB | Доп. | L13±2 |
L8 | Доп. |
Допуск хода |
| 125 | M27x2 | 54 | 32 | 27 | 13 | 41 | 60 | 6 | 50,5 | 142 | 44 | 110 | M12 | 20 | G1/2 | 20 | 12 | 65 |
225 | ±1,2 | 292 |
160 | ±1 |
+4 0 |
| 160 | M36x2 | 72 | 40 | 36 | 16 | 55 | 65 | 8 | 60 | 182 | 51 | 140 | M16 | 24 | G3/4 | 26 | 15 | 80 |
260 | ±1,5 | 341 |
180 | ±1,1 | |
| 200 | M36x2 | 72 | 40 | 36 | 16 | 55 | 75 | 8 | 70 | 222 | 46 | 175 | M16 | 24 | G3/4 | 25 | 15 | 95 | 275 | ±1,5 | 372 |
225 | ±1,6 |
Виды монтажа пневмоцилиндра серии A18, A19
Монтаж на лапах

+ Добавить ход
|
Диаметр поршня Ø |
TR ±0,3 |
AB H14 |
AH JS16 |
AO макс. |
AT |
E | d* |
SA ±2 | L14 ±2 |
XA ±2 |
Код для заказа |
| 125 | 90 | 16,5 | 90 | 17 | 8 | 140 | 11,8 | 250 | 22 | 270 |
ML0125 |
| 160 | 115 | 18,5 | 115 | 17 | 10 | 180 | 11,8 | 300 | 21 | 320 |
ML0160 |
| 200 | 135 | 24 | 135 | 30 | 12 | 220 | 11,8 | 320 | 27 | 345 |
ML0200 |
* Подходит для рассверловки
Фланец

+ Добавить ход
|
Диаметр поршня Ø |
TF ±0,3 |
R ±0,3 |
FB H13 |
MF |
UF |
E |
W ±2,5 | L15 | Доп. |
Код для заказа |
| 125 | 180 | 90 | 16 | 20 | 211 | 141 | 45 | 247 | ±2 |
MF0125 |
| 160 | 230 | 115 | 18 | 20 | 276 | 181 | 60 | 281 | ±2,5 |
MF0160 |
| 200 | 270 | 135 | 22 | 25 | 320 | 221 | 70 | 302 |
MF0200 |
Вилка

+ Добавить ход
|
Диаметр поршня Ø | CD H9 | CB H14 | L | MR макс. | UB h14 | E макс. | L17 ±2 | XD ±2 |
Код для заказа |
| 125 | 25 | 70 | 30 | 26 | 130 | 140 | 17 | 275 |
MB0125 |
| 160 | 30 | 90 | 35 | 31 | 170 | 180 | 26 | 315 |
MB0160 |
| 200 | 30 | 90 | 35 | 31 | 170 | 220 | 37 | 335 |
MB0200 |
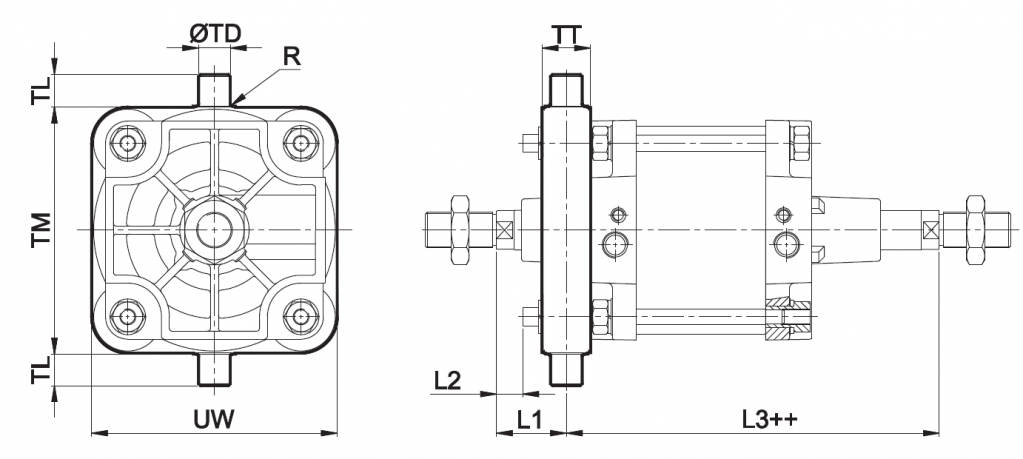
Цапфа

+ Добавить ход
|
Диаметр поршня Ø | TD e9 | TL h14 | TM h14 | UW | TT | R | L1 | L2 приблиз. | L3±2,5 |
Код для заказа |
| 125 | 25 | 25 | 160 | 155 | 44 | 2 | 43 | 6,5 | 249 |
MT0125 |
| 160 | 32 | 32 | 200 | 195 | 49 | 2,5 | 55,5 | 11,5 | 285,5 |
MT0160 |
| 200 | 32 | 32 | 250 | 248 | 49 | 2,5 | 70,5 | 26,5 | 301,5 |
MT0200 |
Центральная цапфа

+ Добавить ход
++ Добавить двойной ход
|
Диаметр поршня Ø |
TD e9 | TL h14 | TM h14 | UW | TT | R | XV ±2,5 | L18±2,5 |
| 125 | 25 | 25 | 160 | 155 | 44 | 2 | 145 | 147 |
| 160 | 32 | 32 | 200 | 195 | 49 | 2,5 | 170 | 171 |
| 200 | 32 | 32 | 250 | 248 | 49 | 2,5 | 185 | 187 |
Примечание: цилиндр с центральной цапфой изготавливается на заводе, обращайтесь к своему менеджеру
Дополнительные принадлежности для пневмоцилиндра серии A18, A19
Кронштейн цапфы

|
Диаметр поршня Ø | B1 | B2 | A | d1 | d2 H13 | d3 H9 | H1 | H2 | H3 | K5 Js14 |
Код для заказа |
| 125 | 75 | 28,5 | 50±0,2 | 20 | 14 | 25 | 50 | 25±0,1 | 37 | 192 | AT0100 |
| 160 | 92 | 40 | 60±0,3 | 25 | 18 | 32 | 60 | 30±0,2 | 43 | 245 | AT0160 |
| 200 | 92 | 40 | 60±0,3 | 25 | 18 | 32 | 60 | 30±0,2 | 43 | 295 | AT0160 |
Вилка штока (ISO 8140)

|
Диаметр поршня Ø | KK | CE | CK f8 | CM B12 | LE | ER макс. | CL |
Код для заказа |
| 125 | M27x2 | 110 | 30 | 30 | 55 | 45 | 55 | AF030 |
| 160 и 200 | M36x2 | 144 | 35 | 35 | 72 | 53 | 70 | AF035 |
Наконечник штока со сферическим шарниром (ISO 8139)

|
Диаметр поршня Ø | KK | CN H9 | T | EN h12 | CE | LE мин. | ER макс. | AX | SW | Z |
Код для заказа |
| 125 | M27x2 | 30 | 25 | 37 | 110 | 36 | 35 | 51 | 41 | 15° | AP027 |
| 160 и 200 | M36x2 | 35 | 28 | 43 | 125 | 41 | 40 | 56 | 50 | AP036 |
Код для заказа
|
A |
|
||||||||
|
Модель |
Поршень, Ø (мм) |
Ход (мм) |
Виды монтажа |
Специальные цилиндры |
|||||
|
18 19 |
Стандарт. цилиндр Магнитный цилиндр |
125 160 200 |
- Ø 125 - Ø 160 - Ø 200 |
050 080 100 125 160 200 250 300 320 400 500 |
- 50 - 80 - 100 - 125 - 160 - 200 - 250 - 300 - 320 - 400 - 500 |
O L F B N T |
—стандартный —монтаж на лапах —фланец —Вилка —цапфа —централ. цапфа |
H S |
–высокотемператур. –со штоком из нерж. стали |
Примечание:
Для получения дополнительной информации о принадлежностях для магнитного датчика см. каталог продукции кат. № A16, A17-01-01.
Пример:
Код для заказа магнитного цилиндра с отверстием диам. 160 мм, ходом 100 мм с монтажом на внутренней серьге, рассчитанного на высокую температуру: A19 160 100 B-T.
Примечание:
При заказе цилиндра с поршнем Ø 40 мм, ходом 50 мм будет постав лен базовый цилиндр A18 040 050 O.
Для повторного заказа при указании данных с шильдика цилиндра отдельно указывайте способ монтажа.
При заказе принадлежностей указывайте коды, представленные в соответствующих таблицах.
При отдельном заказе монтажных комплектов (если они требуются отдельно) необходимо использовать указанные ниже коды для заказа.
|
Диаметр поршня Ø |
Монтаж на лапах* |
Передний/задний фланец* |
Вилка* |
Передняя/задняя цапфа* |
![]() |
![]() |
![]() |
![]() |
|
| 125 |
ML0125 |
MF0125 |
MB0125 |
MT0125 |
| 160 |
ML0160 |
MF0160 |
MB0160 |
MT0160 |
| 200 |
ML0200 |
MF0200 |
MB0200 |
MT0200 |
* Поставляется в комплекте с 4 винтами.
Для получения информации об особых требованиях к цилиндрам или иной дополнительной информации обращайтесь к своему менеджеру
|
Артикул
|
A19200175O |
|
Страна производтва
|
ИНДИЯ |
|
Серия цилиндра
|
A19 |
|
Форма цилиндра
|
Квадратный на шпильках, проходной шток, ISO 15552 |
|
Диаметр поршня, мм
|
200 |
|
Ход, мм
|
175 |
|
Производитель
|
JANATICS INDIA PRIVATE LIMITED |
|
Магнит
|
Да |
Оплатить заказ можно только от юридического лица, получив счет на оплату оборудования.



