Артикул:
A53025025O
Описание и схемы Пневмоцилиндр круглый ISO6432, базовый, с проходным штоком, с магнитом, 25x25
Пневматические цилиндры двойного действия с двусторонним штоком (Ø12–25 мм) Согласно требованиям стандартов ISO 6432 / CETOP RP52P
Особенности

* Для получения информации о цилиндрах с нестандартными или удлиненными штоками обращайтесь к своему менеджеру.
(Вышеуказанные значения приведены с учетом потери на трение)


+ Добавить ход
++ Добавить двойной ход
Виды монтажа пневмоцилиндра серии A53, A54
+ Добавить ход
* Подходит для рассверловки

++ Добавить двойной ход

++ Добавить двойной ход




Для получения дополнительной информации о принадлежностях для магнитного датчика см. карточку товара серии A51,A52
Пример:
Код для заказа стандартного цилиндра Ø поршня 16 мм, ходом 50 мм с монтажом на двух лапах: A54 016 050 D
Примечание:
При заказе цилиндра с Ø поршня 16 мм, ходом 50 мм будет поставлен базовый цилиндр A54 016 050 O
Для повторного заказа при указании данных шильдика цилиндра отдельно указывайте способ монтажа
При заказе принадлежностей указывайте коды деталей из соответствующих таблиц
При отдельном заказе монтажных комплектов (если они требуются отдельно) необходимо использовать указанные ниже коды для заказа
Для получения информации об особых требованиях к цилиндрам или иной дополнительной информации обращайтесь к своему менеджеру
Особенности
- Эластомерный демпфер на обоих концах.
- Большой выбор креплений.
- Низкое трение.
- Длительный срок службы.

Характеристики
|
Диаметр поршня Ø (мм) |
12 | 16 | 20 | 25 | ||||||
|
Стандартная длина хода* (мм) |
10, 25, 40, 50, 80, 100, 125, 160, 200, 250, 300 |
|||||||||
|
Рабочая среда |
Сжатый фильтрованный воздух, воздушно-масляная смесь |
|||||||||
|
Рабочее давление |
0,5–10 бар |
|||||||||
|
Температура среды |
5–60° C |
|||||||||
|
Материалы конструкции |
Алюминий, латунь, нитрил, полиуретан, сталь, ацеталь |
|||||||||
|
Виды монтажа |
Монтаж на двух лапах, фланец, цапфа |
|||||||||
|
Принадлежности |
Кронштейн цапфы, вилка штока, позиционер штока, наконечник штока со сферическим шарниром |
|||||||||
Усилие на штоке (сила в Н: 1 Н = 0,1 кгс)
|
Диаметр поршня Ø (в мм) |
Ø штока (в мм) |
Рабочее давление в бар | ||||||||
| 2 | 3 | 4 | 5 | 6 | 7 | 8 | 9 | 10 | ||
| 12 | 6 | 15 | 22 | 30 | 38 | 46 | 53 | 61 | 68 | 76 |
| 16 | 6 | 31 | 46 | 62 | 78 | 94 | 108 | 124 | 140 | 156 |
| 20 | 8 | 47 | 71 | 95 | 118 | 142 | 166 | 189 | 214 | 237 |
| 25 | 10 | 74 | 111 | 148 | 185 | 222 | 260 | 296 | 334 | 371 |
(Вышеуказанные значения приведены с учетом потери на трение)
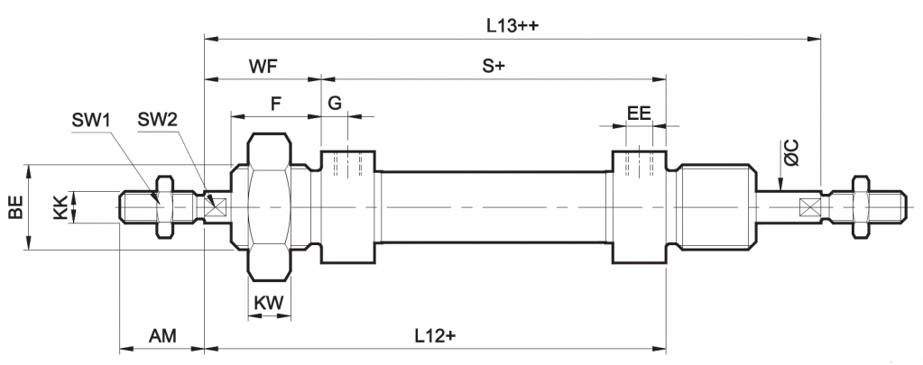
Базовый цилиндр


+ Добавить ход
++ Добавить двойной ход
|
Диаметр поршня | BE | F | G | EE | S | Доп. | KW | C | SW1 | SW2 | KK | AM | WF ±1,2 | L12 ±1,5 | KV | L12 ±1,5 |
Допуск хода | |
| 10-100 |
Более 100 | |||||||||||||||||
| 12 | M16x1,5 | 17 | 6 | M5x0,8 | 51 |
±0,5 | 8 | 6 | 10 | 5 | M6x1 | 16 | 22 | 73 | 24 | 96 |
+1,5 +0 |
+2,5 +0 |
| 16 |
M16x1,5 | 17 | 6 |
M5x0,8 | 51 | ±0,5 | 8 | 6 | 10 | 5 |
M6x1 | 16 | 22 | 80 | 24 | 103 | ||
| 20 |
M22x1,5 | 20 | 8 | G1/8 | 67 |
±0,7 | 10 | 8 | 13 | 7 |
M8x1,25 | 20 | 24 | 91 | 32 | 116 | ||
| 25 |
M22x1,5 | 22 | 8 | G1/8 | 71 |
±0,7 | 10 | 10 | 17 | 9 |
M10x1,25 | 22 | 28 | 99 | 32 | 128 | ||
Виды монтажа пневмоцилиндра серии A53, A54
Монтаж на двух лапах

+ Добавить ход
|
Диаметр поршня Ø | UR | AB H13 | TR Js14 | NH ±0,3 | AO | AU | d* | LT | US | LS | XL±1 |
L14 ±1,3 |
Код для заказа |
| 12 | 33 | 5,5 | 32 | 20 | 6 | 12 | 4,8 | 2 | 42 | 75±0,7 | 85 | 11 | MS016 |
| 16 | 33 | 5,5 | 32 | 20 | 6 | 12 | 4,8 | 2 | 42 | 82±0,7 | 92 | 11 | MS016 |
| 20 | 45 | 6,6 | 40 | 25 | 8 | 16 | 5,8 | 4 | 54 | 99±0,9 | 107 | 9 | MS022 |
| 25 | 45 | 6,6 | 40 | 25 | 8 | 16 | 5,8 | 4 | 54 | 103±0,9 | 115 | 13 | MS022 |
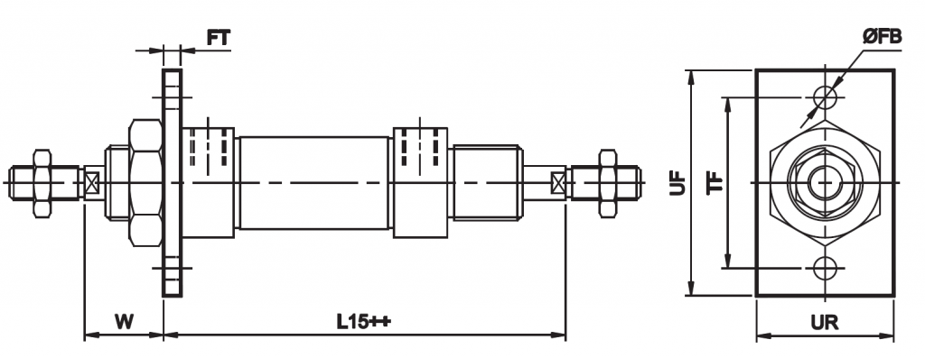
Фланец

++ Добавить двойной ход
|
Диаметр поршня Ø | TF Js14 | UF | UR | FB H13 | FT |
L15 ±1,2 | W ±1,4 |
Код для заказа |
| 12 | 40 | 50 | 30 | 5,5 | 4 | 78 | 18 | MF016 |
| 16 | 40 | 50 | 30 | 5,5 | 4 | 85 | 18 | MF016 |
| 20 | 50 | 66 | 40 | 6,6 | 5 | 97 | 19 | MF022 |
| 25 | 50 | 66 | 40 | 6,6 | 5 | 105 | 23 | MF022 |
Цапфа

++ Добавить двойной ход
|
Диаметр поршня Ø | TM h14 | UW | TD e9 | TT | TL h14 |
XZ ±1,2 |
XV ±1,4 |
Код для заказа |
| 12 | 30 | 25 | 6 | 8 | 10 | 78 | 18 | MT016 |
| 16 | 30 | 25 | 6 | 8 | 10 | 85 | 18 |
MT016 |
| 20 | 40 | 30 | 8 | 10 | 10 | 97 | 19 |
MT022 |
| 25 | 40 | 30 | 8 | 10 | 10 | 105 | 23 |
MT022 |
Дополнительные принадлежности для пневмоцилиндра серии A53, A54
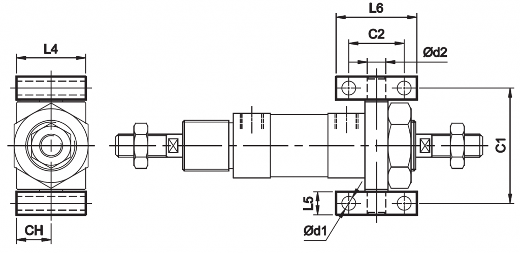
Кронштейн цапфы

|
Диаметр поршня Ø | C1 | C2 Js14 | d1 H13 | L4 | L5 | L6 | CH | d2 H9 |
Код для заказа |
| 12 | 38 | 20 | 4,3 | 25 | 8 | 30 | 16 | 6 | AT016 |
| 16 | 38 | 20 | 4,3 | 25 | 8 | 30 | 16 | 6 | AT016 |
| 20 | 50 | 24 | 6,6 | 30 | 10 | 35 | 20 | 8 | AT022 |
| 25 | 50 | 24 | 6,6 | 30 | 10 | 35 | 20 | 8 | AT022 |
Вилка штока (ISO 8140)

|
Диаметр поршня Ø | KK | LE |
CM B12 | CE | CK f8 | CL | ER |
Код для заказа |
| 12 | M6x1 | 12 | 6 | 24 | 6 | 12 | 9,5 | AF006 |
| 16 | M6x1 | 12 | 6 | 24 | 6 | 12 | 9,5 |
AF006 |
| 20 |
M8x1,25 | 16 | 8 | 32 | 8 | 16 | 13 |
AF008 |
| 24 |
M10x1,25 | 20 | 10 | 40 | 10 | 20 | 16 |
AF010 |
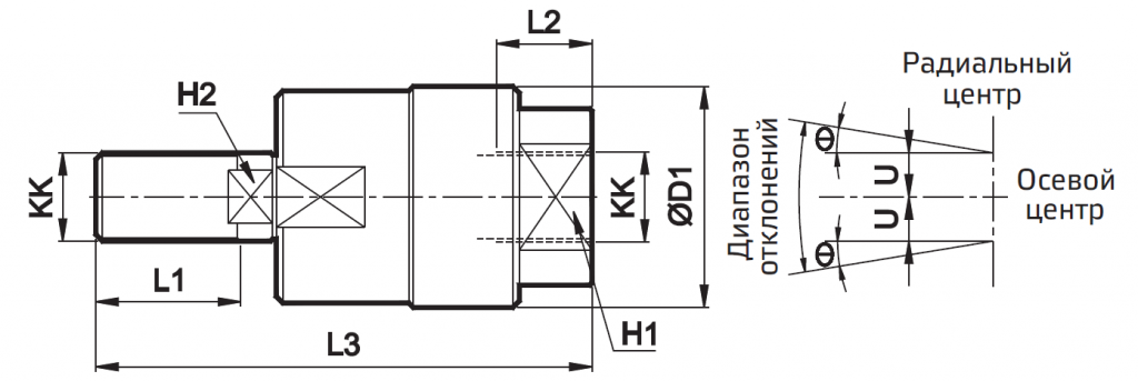
Позиционер штока

|
Диаметр поршня Ø | KK | L1 | L2 | L3 | D1 | H1 | H2 | ±6° | U |
Код для заказа |
| 12/16 | M6x1 | 12 | 8 | 38 | 18 | 10 | 4 | 5 | 0,75 | AR006 |
| 20 |
M8x1,25 | 15 | 10 | 48 | 20 | 12 | 7 | 5 | 0,75 | AR008 |
| 25 |
M10x1,25 | 20 | 14 | 65 | 28 | 17 | 8 | 5 | 0,75 | AR010 |
Наконечник штока со сферическим шарниром

|
Диаметр поршня Ø | KK | CN H9 | T | EN h12 | CE | LE мин. | ER макс. | AX | SW h13 | Z |
Код для заказа |
| 12/16 | M6x1 | 6 | 6,75 | 9 | 30 | 11 | 10 | 12 | 11 | 13° | AP006 |
| 20 | M8x1,25 | 8 | 9 | 12 | 36 | 13 | 12 | 16 | 13/14 | AP008 | |
| 25 |
M10x1,25 | 10 | 10,5 | 14 | 43 | 15 | 14 | 20 | 17 | AP010 |
Код для заказа
|
A |
|||||||
|
Модель |
Поршень, Ø (мм) |
Ход (мм) |
Виды монтажа |
||||
|
53 54 |
Магнитный цилиндр Стандартн. цилиндр |
012 016 020 025 |
- Ø 12 - Ø 16 - Ø 20 - Ø 25 |
010 025 040 050 080 100 125 160 200 250 300 |
- 10 - 25 - 40 - 50 - 80 - 100 - 125 - 160 - 200 - 250 - 300 |
O D F M |
- стандартный - монтаж на 2-х лапах - фланец - цапфа |
Для получения дополнительной информации о принадлежностях для магнитного датчика см. карточку товара серии A51,A52
Пример:
Код для заказа стандартного цилиндра Ø поршня 16 мм, ходом 50 мм с монтажом на двух лапах: A54 016 050 D
Примечание:
При заказе цилиндра с Ø поршня 16 мм, ходом 50 мм будет поставлен базовый цилиндр A54 016 050 O
Для повторного заказа при указании данных шильдика цилиндра отдельно указывайте способ монтажа
При заказе принадлежностей указывайте коды деталей из соответствующих таблиц
При отдельном заказе монтажных комплектов (если они требуются отдельно) необходимо использовать указанные ниже коды для заказа
|
Диаметр поршня Ø |
Монтаж на двух лапах |
Фланец (передний или задний) |
Цапфа(передняя или задняя) |
![]() |
![]() |
![]() |
|
| 12 |
MS016 |
MF016 |
MT016 |
| 16 |
MS016 |
MF016 |
MT160 |
| 20 |
MS022 |
MF022 |
MT022 |
| 25 |
MS022 |
MF022 | MT022 |
Для получения информации об особых требованиях к цилиндрам или иной дополнительной информации обращайтесь к своему менеджеру
|
Артикул
|
A53025025O |
|
Страна производтва
|
ИНДИЯ |
|
Серия цилиндра
|
A53 |
|
Форма цилиндра
|
Круглый мини цилиндр, проходной шток, ISO 6432 |
|
Диаметр поршня, мм
|
25 |
|
Ход, мм
|
25 |
|
Производитель
|
JANATICS INDIA PRIVATE LIMITED |
|
Магнит
|
Да |
Оплатить заказ можно только от юридического лица, получив счет на оплату оборудования.


