Артикул:
GV210651
Описание и схемы Пневматический обратный клапан с пилотным управлением, трубка 6, R1/4'', канал управления G1/8"
Особенности
- Доступен в двух вариантах исполнения.
- Низкое давление срабатывания и закрытия.
- Герметично уплотненное эластомерное седло.
- Пластмассовая часть может поворачиваться на 360°.
- Наружная коническая резьба с тефлоновым покрытием.
Технические характеристики
|
Модель |
G1/4 |
G1/4 |
G3/8 |
G1/2 |
|
|
Тип |
Обратный клапан с пилотным управлением |
||||
|
Среда |
Сжатый воздух — сухой / воздушно-масляная смесь |
||||
|
Диапазон рабочего давления (бар) |
0,2–10 бар |
||||
| Температура окружающей среды |
5–60° C |
||||
|
Применимые трубы |
Нейлоновые, полиуретановые |
||||
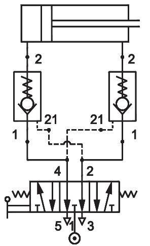
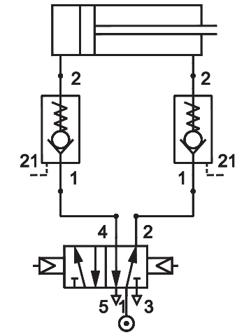
Функция
Обратный клапан с пилотным управлением используется для остановки цилиндра в промежуточном положении. Пока подается управляющий сигнал, воздух может свободно поступать в цилиндр и обратно. При отключении управляющего сигнала клапан действует как обычный обратный клапан и препятствует выходу воздуха из цилиндра, тем самым останавливая движение.Пример применения
|
5/2 |
5/3 |
|
![]() |


|
Резьба Т |
Применимый наружный диаметр труб |
A |
L1 |
L2 |
L3 |
L4 |
ØD | ØD1 |
Шестигр. 1 |
Шестигр. 2 |
Шестигр. 3 |
Расх. (л/мин)@ |
№ для заказа |
||
|
T1 |
T2 |
T3 |
|||||||||||||
|
R1/8 |
— |
G1/8 |
4 | 15 | 15 | 46 | 52 | 22 | 10,5 | 13,5 | 14 | 14 |
— |
225 |
GV210450 |
| 6 | 15 | 15 | 46 | 52 | 23 | 12,5 |
13,5 |
14 | 14 |
— |
250 |
GV210650 |
|||
|
R1/8 |
G1/8 |
— |
— |
15 | 46 | 52 | 30 |
— |
13,5 |
14 | 14 | 14 | 250 |
GV216050 |
|
|
R1/4 |
— |
6 | 15,5 | 20 | 52 | 58 | 25 | 12,5 | 18 | 17 | 17 |
— |
400 |
GV210651 |
|
| 8 | 17 | 20,5 | 52 | 58 | 27,5 | 15 | 18 | 17 | 17 |
— |
500 |
GV210851 |
|||
| 10 | 20 | 22,5 | 52 | 58 | 32,5 | 18,5 | 18 | 17 | 17 |
— |
500 |
GV211051 |
|||
|
R1/4 |
G1/4 |
— |
— |
20 | 52 | 58 | 37 |
— |
18 | 17 | 17 | 17 | 500 |
GV216151 |
|
|
R3/8 |
— |
8 | 17 | 23 | 54,5 | 61 | 29 | 15 | 22 | 22 | 24 |
— |
850 |
GV210852 |
|
| 10 | 18 | 24 |
54,5 |
61 | 34 | 18,5 | 22 | 22 | 24 |
— |
900 |
GV211052 |
|||
|
R3/8 |
G3/8 |
— |
— |
24 |
54,5 |
61 | 46,4 |
— |
22 | 22 | 24 | 22 | 900 |
GV216252 |
|
|
R1/2 |
— |
12 | 20,5 | 28,5 | 55,5 | 63 | 37,5 | 21 | 28 | 27 | 27 |
— |
1100 |
GV211253 |
|
|
R1/2 |
G1/2 |
— |
— |
28,5 | 55,5 | 63 | 54 |
— |
28 | 27 | 27 | 27 | 110 |
GV216353 |
|
A — длина устанавливаемой трубы
@ Давление на входе 6 бар и перепад давления 1 бар
Порядок заказа
При заказе обратного клапана с пилотным управлением указывайте код для заказа, приведенный в соответствующих таблицах
|
Артикул
|
GV210651 |
|
Страна производтва
|
ИНДИЯ |
|
Производитель
|
JANATICS INDIA PRIVATE LIMITED |
Оплатить заказ можно только от юридического лица, получив счет на оплату оборудования.

