Артикул:
A03012025G
Описание и схемы Пневмоцилиндр компактный, с противоповоротной платформой, с магнитом, 12x25

Компактные цилиндры со встроенными направляющими, магнитные (двустороннего действия, от Ø12 до Ø100 мм). Эти компактные цилиндры широко используются в недорогих системах автоматики, специализированных станках, промышленном оборудовании, оснастке и т. п.
Особенности изделий
- Компактная, легкая и малогабаритная конструкция
- Большое прижимное усилие по отношению к размеру
- Низкий коэффициент трения, долговечные уплотнения
- Эластомерные демпферы конечных положений
- Возможен непосредственный монтаж исполнительных устройств
- Встроенная направляющая обеспечивает повышенную устойчивость к боковой нагрузке
- Угловой люфт ±0,3° или меньше
Технические характеристики
| Модель | Компактный цилиндр со встроенными направляющими | |||||||||||||
| Тип | Цилиндр двустороннего действия | |||||||||||||
|
Тип монтажа |
Монтажное отверстие / Резьба в корпусе | |||||||||||||
| Пространственная ориентация | Вертикальная и горизонтальная | |||||||||||||
| Ø поршня |
12 мм |
16 мм |
20 мм |
25 мм |
32 мм |
40 мм |
50 мм |
63 мм |
80 мм |
100 мм | ||||
| Стандартная длина хода* | 5 мм, 10 мм, 15 мм, 20 мм, 25 мм, 30 мм, 40 мм | 5 мм, 10 мм, 15 мм, 20 мм, 25 мм, 30 мм, 40 мм, 50 мм | 5 мм, 10 мм, 15 мм, 20 мм, 25 мм, 30 мм, 40 мм, 50 мм, 60 мм | 10 мм, 20 мм, 30 мм, 40 мм, 50 мм, 60 мм, 70 мм, 80 мм | ||||||||||
|
Рабочая среда |
Сжатый воздух, фильтрованный, воздушно-масляная смесь | |||||||||||||
|
Диапазон рабочего давления |
от 1,5 до 10 бар |
от 1 до 10 бар |
|
|||||||||||
| Температура сжатого воздуха | от +5 до +60 °C | |||||||||||||
| Температура окружающей среды | от -10 до +60 °C | |||||||||||||
* По поводу цилиндров с нестандартными или удлиненными штоками обращайтесь к своему региональному дилеру или в компанию Остек-АртТул
Сила на выходе (сила в Н: 1 Н = 0,1 кгс)
|
Ø поршня, мм |
Ø штока, мм |
|
Рабочее давление, бар |
|||||||||||
| 2 | 3 | 4 | 5 | 6 | 7 | 8 | 9 | 10 | ||||||
|
12 |
6 |
Выдвижение |
20 |
30 |
40 |
50 |
60 |
70 |
80 |
90 |
100 | |||
| Втягивание |
15 |
22 |
30 |
38 |
46 |
53 |
61 |
68 |
76 | |||||
|
16 |
8 | Выдвижение |
36 |
54 |
72 |
90 |
108 |
126 |
144 |
162 |
180 | |||
| Втягивание |
27 |
40 |
54 |
67 |
81 |
95 |
108 |
122 |
135 | |||||
|
20 |
10 |
Выдвижение |
56 |
84 |
112 |
140 |
169 |
196 |
224 |
254 |
282 | |||
| Втягивание |
42 |
63 |
84 |
106 |
127 |
148 |
169 |
190 |
212 | |||||
|
25 |
12 | Выдвижение |
88 |
132 |
176 |
220 |
264 |
308 |
352 |
396 |
440 | |||
| Втягивание |
68 |
102 |
136 |
170 |
204 |
238 |
272 |
306 |
340 | |||||
|
32 |
16 | Выдвижение |
145 |
217 |
289 |
362 |
434 |
507 |
579 |
651 |
724 | |||
| Втягивание |
108 |
162 |
217 |
271 |
325 |
380 |
434 |
488 |
542 | |||||
|
40 |
16 | Выдвижение |
226 |
339 |
452 |
565 |
678 |
792 |
905 |
1018 |
1130 | |||
| Втягивание |
190 |
285 |
380 |
475 |
570 |
66 |
760 |
855 |
950 | |||||
|
50 |
20 | Выдвижение |
353 |
530 |
706 |
884 |
1060 |
1237 |
1414 |
1590 |
1767 | |||
| Втягивание |
297 |
445 |
594 |
742 |
890 |
1039 |
1187 |
1336 |
1484 | |||||
|
63 |
20 | Выдвижение |
561 |
842 |
1122 |
1403 |
1683 |
1964 |
2244 |
2525 |
2805 | |||
| Втягивание |
505 |
757 |
1009 |
1261 |
1514 |
1766 |
2018 |
2270 |
2523 | |||||
|
80 |
25 | Выдвижение |
905 |
1357 |
1809 |
2262 |
2714 |
3167 |
3619 |
4072 |
4524 | |||
| Втягивание |
816 |
1225 |
1633 |
2041 |
2449 |
2857 |
3266 |
3674 |
4082 | |||||
|
100 |
30 | Выдвижение |
1414 |
2120 |
2827 |
3534 |
4241 |
4948 |
5655 | 6362 | 7068 | |||
| Втягивание |
1287 |
1929 |
2573 |
3216 |
3859 |
4502 |
5145 |
5789 |
6432 | |||||
* Встроенные направляющие обеспечивают высокое сопротивление боковым нагрузкам и малый угловой люфт штока. (Вышеуказанные значения были определены с учетом потерь на трение)
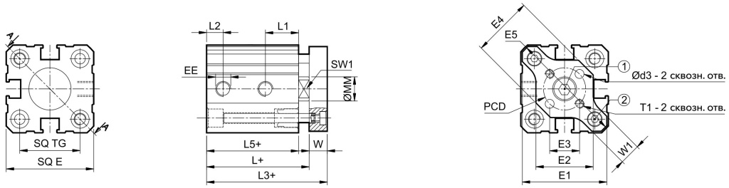
Базовый цилиндр
Размеры — Ø12, Ø16
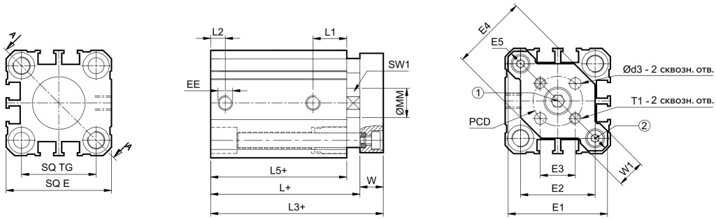
Базовый цилиндр
Размеры — Ø20, Ø25
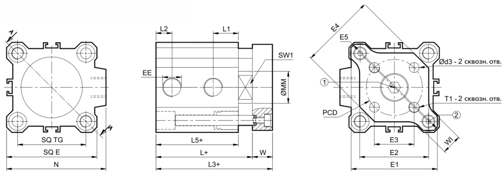
Базовый цилиндр
Размеры — Ø32, Ø40, Ø50, Ø63, Ø80, Ø100
Разрез AA
+ Дополнительный ход
|
Модель G |
Модель G1 |
Модель G2 |
|
Зенковка с резьбовым отверстием с обеих сторон |
Зенковка с гладким отверстием с обеих сторон |
Резьба с обеих сторон |
![]() |
||
Модель G - Зенковка и резьбовое отверстие с обеих сторон
+ Дополнительный ход
|
№ арт. |
Ø поршня |
MM |
Ød1 |
Ød2 | L4 |
SW1 |
L1 |
L2 |
EE |
TG ±0,1 | E |
N | L5 | L | |
|
A03012000G |
12 |
6 |
3,5 |
6 | 5,5 | 5 |
11,5 |
5 |
M5X0,8 |
15,5 |
25 |
- |
33,5 |
37 | |
|
A03016000G |
16 |
8 |
3,5 |
6 |
5,5 |
6 |
11 | 5,5 |
M5X0,8 |
20 |
29 |
- |
34,5 |
38 | |
|
A03020000G |
20 |
10 |
5,5 |
9 |
9,5 |
8 |
11,5 |
5 |
M5x0,8 |
25,5 |
36 |
- |
36,5 |
40 | |
|
A03025000G |
25 |
12 |
5,5 |
9 |
9,5 |
10 |
11 |
5 |
M5X0,8 |
28 |
40 |
- |
39 |
44 | |
|
A03032000G |
32 |
16 |
5,5 |
9 |
9,5 |
14 |
12,5 |
8 |
G1/8 |
34 |
45 |
49,5 |
46 |
53 | |
|
A03040000G |
40 |
16 |
5,5 |
9 |
9,5 |
14 |
11,5 |
8 |
G1/8 |
40 |
52 |
57 |
41,5 |
48,5 | |
|
A03050000G |
50 |
20 |
6,6 |
10,5 |
11 |
17 |
14 |
10,5 |
G1M |
50 |
64 |
71 |
47 |
55 | |
|
A03063000G |
53 |
20 |
9 |
13,5 |
11 |
17 |
14 |
10,5 |
G1/4 |
60 |
77 |
84 |
48 |
56 | |
|
A03080000G |
80 |
25 |
11 |
16,5 |
14,5 |
22 |
18,5 |
12,5 |
G3/8 |
77 |
98 |
104 |
58,5 |
68,5 | |
|
A03100000G |
100 |
30 |
11 |
16,5 |
14,5 |
27 |
21 |
12,5 |
G3/8 |
94 |
117 |
123,5 |
62,5 |
73,5 | |
|
№ арт. |
L3 |
W |
E1 |
E2 |
E3 |
PCD ±0,1 |
T1 |
Ød3 |
W1 |
E4 |
E5 |
T2 | L6 | |
|
A03012000G |
43 |
6 |
24 |
15 |
7,1 |
10 |
M3x0,5 |
3 |
7,5 |
15 |
31,5 |
M4x0,7 |
8 | |
|
A03016000G |
44 |
6 |
28 |
19 |
9,9 |
14 |
M3x0,5 |
3 |
7,5 |
20 |
37 |
M4x0,7 |
8 | |
|
A03020000G |
48 |
8 |
34 |
25,5 |
12 |
17 |
M4x0,7 |
4 |
9,5 |
26 |
45,5 |
M6x1 |
10 | |
|
A03025000G |
52 |
8 |
38 |
29,5 |
15,6 |
22 |
M5X0,8 |
5 |
9,5 |
30 |
50,5 |
M6x1 |
10 | |
|
A03032000G |
63 |
10 |
43 |
34,4 |
19,8 |
28 |
M5X0,8 |
5 |
10 |
38 |
58,5 |
M6x1 |
10 | |
|
A03040000G |
58,5 |
10 |
50 |
41,4 |
23,3 |
33 |
M5x0,8 |
5 |
10 |
46 |
67,5 |
M6x1 |
10 | |
|
A03050000G |
67 |
12 |
62 |
53,4 |
29,7 |
42 |
M6x1 |
6 |
13 |
58 |
84,5 |
М8Х1,25 |
13 | |
|
A03063000G |
68 |
12 |
74 |
59,6 |
35,4 |
50 |
M6x1 |
6 |
15,5 |
69 |
100 |
M10X1.5 |
16 | |
|
A03080000G |
82,5 |
14 |
95 |
79,5 |
46 |
65 |
M8X1,25 |
8 |
20 |
89 |
129 |
M12X1,75 |
19 | |
|
A03100000G |
89,5 |
16 |
114 |
99 |
56,6 |
80 |
M10X1,5 |
10 |
20 |
113 |
153 |
M12X1,75 |
19 | |
Модель G1 - Зенковка с гладким отверстием с обеих сторон
+ Дополнительный ход
|
№ арт. |
Ø поршня |
MM |
Ød1 |
Ød2 |
L4 |
SW1 |
L1 |
L2 |
EE |
TG ±0,1 |
E |
N |
L5 | L | |
|
A03012000G1 |
12 |
6 |
3,5 |
6 |
5,5 |
5 |
11,5 |
5 |
M5X0,8 |
15,5 |
25 |
- |
33,5 |
37 | |
|
A03016000G1 |
16 |
8 |
3,5 |
6 |
5,5 |
6 |
11 |
5,5 |
M5X0,8 |
20 |
29 |
- |
34,5 |
38 | |
|
A03020000G1 |
20 |
10 |
5,5 |
9 |
9,5 |
8 |
11,5 |
5 |
M5x0,8 |
25,5 |
36 |
- |
36,5 |
40 | |
|
A03025000G1 |
25 |
12 |
5,5 | 9 |
9,5 |
10 |
11 |
5 |
M5x0,8 |
28 |
40 |
- |
39 | 44 | |
|
A03032000G1 |
32 |
16 |
5,5 |
9 |
9,5 |
14 |
12,5 |
8 |
G1/8 |
34 |
45 |
49,5 |
46 |
53 | |
|
A03040000G1 |
40 |
16 |
5,5 |
9 |
9,5 |
14 |
11,5 |
8 |
G1/8 |
40 |
52 |
57 |
41,5 |
48,5 | |
|
A03050000G1 |
50 |
20 |
6,6 |
10,5 |
11 |
17 |
14 |
10,5 |
G1/4 |
50 |
64 |
71 |
47 |
55 | |
|
A03063000G1 |
63 |
20 |
9 |
13,5 |
11 |
17 |
14 |
10,5 |
G1/4 |
60 |
77 |
84 |
48 |
56 | |
|
A03080000G1 |
80 |
25 |
11 |
16,5 |
14,5 |
22 |
18,5 |
12,5 |
G3/8 |
77 |
98 |
104 |
58,5 |
68,5 | |
|
A03100000G1 |
100 |
30 |
11 |
16,5 |
14,5 |
27 |
21 |
12,5 |
G 3/8 |
94 |
117 |
123,5 |
62,5 |
73,5 | |
|
№ арт. |
L3 |
W |
E1 |
E2 | E3 |
PCD ±0,1 |
T1 |
Ød3 |
W1 |
E4 | E5 | |
|
A03012000G1 |
43 |
6 |
24 |
15 |
7,1 |
10 |
M3x0,5 |
3 |
7,5 |
15 |
31,5 | |
|
A03016000G1 |
44 |
6 |
28 |
19 |
9,9 |
14 |
M3x0,5 |
3 |
7,5 |
20 | 37 | |
|
A03020000G1 |
48 |
8 |
34 |
25,5 |
12 |
17 |
M4x0,7 |
4 |
9,5 |
26 |
45,5 | |
|
A03025000G1 |
52 |
8 |
38 |
29,5 |
15,6 |
22 |
M5x0,8 |
5 |
9,5 |
30 |
50,5 | |
|
A03032000G1 |
63 |
10 |
43 |
34,4 |
19,8 |
28 |
M5X0,8 |
5 |
10 |
38 |
58,5 | |
|
A03040000G1 |
58,5 |
10 |
50 |
41,4 |
23,3 |
33 |
M5X0,8 |
5 |
10 |
46 |
67,5 | |
|
A03050000G1 |
67 |
12 |
62 |
53,4 |
29,7 |
42 |
M6x1 |
6 |
13 |
58 |
84,5 | |
|
A03063000G1 |
68 |
12 |
74 |
59,6 |
35,4 |
50 |
M6x1 |
6 |
15,5 |
69 |
100 | |
|
A03080000G1 |
82,5 |
14 |
95 |
79,5 |
46 |
65 |
M8x1,25 |
8 |
20 |
89 |
129 | |
|
A03100000G1 |
89,5 |
16 |
114 |
99 |
56,6 |
80 |
M10x1,5 |
10 |
20 |
113 |
153 | |
Модель G2 - Резьба с обеих сторон
+ Дополнительный ход
|
№ арт. |
Ø поршня |
мм |
Ød1 | SW1 |
L1 | L2 |
EE |
TG±0,1 |
E |
N | L5 |
L |
L3 | W | |
|
A03012000G2 |
12 |
6 |
3,5 |
5 |
11,5 |
5 |
M5X0,8 |
15,5 |
25 |
- | 33,5 |
37 |
43 | 6 | |
|
A03016000G2 |
16 |
8 |
3,5 |
6 |
11 |
5,5 |
M5x0,8 |
20 |
29 |
- |
34,5 |
38 |
44 |
6 | |
|
A03020000G2 |
20 |
10 |
5,5 |
8 |
11,5 |
5 |
M5x0,8 |
25,5 |
36 |
- |
36,5 |
40 |
48 | 8 | |
|
A03025000G2 |
25 |
12 |
5,5 |
10 |
11 |
5 |
M5X0,8 |
28 |
40 |
- |
39 |
44 |
52 |
8 | |
|
A03032000G2 |
32 |
16 |
5,5 |
14 |
12,5 |
8 |
G1/8 |
34 |
45 |
49,5 |
46 |
53 |
63 |
10 | |
|
A03040000G2 |
40 |
16 |
5,5 |
14 |
11,5 |
8 |
G1/8 |
40 |
52 |
57 |
41,5 |
48,5 |
58,5 |
10 | |
|
A03050000G2 |
50 |
20 |
6,6 |
17 |
14 |
10,5 |
G1/4 |
50 |
64 |
71 |
47 |
55 |
67 |
12 | |
|
A03063000G2 |
63 |
20 |
9 |
17 |
14 |
10,5 |
G1/4 |
60 |
77 |
84 |
48 |
56 |
68 |
12 | |
|
A03080000G2 |
80 |
25 |
11 |
22 |
18,5 |
12,5 |
G3/8 |
77 |
98 |
104 |
58,5 |
68,5 |
82,5 |
14 | |
|
A03100000G2 |
100 |
30 |
11 |
27 |
21 |
12,5 |
G3/8 |
94 |
117 |
123,5 |
62,5 |
73,5 |
89,5 |
16 | |
| № арт. | E1 | E2 | E3 | PCD ±0,1 | T1 | Ød3 | W1 | E4 | E5 | T2 | L6 | |||
| A03012000G2 |
24 | 15 | 7,1 | 10 | М3х0,5 | 3 | 7,5 | 15 | 31,5 | M4x0,7 | 8 | |||
| A03016000G2 | 28 | 19 | 9,9 | 14 | M3x0,5 | 3 | 7,5 | 20 | 37 | M4x0,7 | 8 | |||
| A03020000G2 | 34 | 25,5 | 12 | 17 | M4x0,7 | 4 | 9,5 | 26 | 45,5 | M6x1 | 10 | |||
| A03025000G2 | 38 | 29,5 | 15,6 | 22 | M5X0,8 | 5 | 9,5 | 30 | 50,5 | M6x1 | 10 | |||
| A03032000G2 | 43 | 34,4 | 19,8 | 28 | M5X0,8 | 5 | 10 | 38 | 58,5 | M6x1 | 10 | |||
| A03040000G2 | 50 | 41,4 | 23,3 | 33 | M5x0,8 | 5 | 10 | 46 | 67,5 | M6x1 | 10 | |||
| A03050000G2 | 62 | 53,4 | 29,7 | 42 | M6x1 | 6 | 13 | 58 | 84,5 | M8X1,25 | 13 | |||
| A03063000G2 | 74 | 59,6 | 35,4 | 50 | M6x1 | 6 | 15,5 | 69 | 100 | М10Х1,5 | 16 | |||
| A03080000G2 | 95 | 79,5 | 46 | 65 | M8X1,25 | 8 | 20 | 89 | 129 | M12X1,75 | 19 | |||
| A03100000G2 | 114 | 99 | 56,6 | 80 | M10X1,5 | 10 | 20 | 113 | 153 | M12X1,75 | 19 | |||
Дополнительные принадлежности для магнитных цилиндров серии A03
Герконовый датчик

Герконовый датчик с креплением устанавливается на пневматический цилиндр (серия A03) для бесконтактного контроля позиции поршня. Поршень цилиндра снабжен постоянным магнитом, который активирует герконовый датчик при приближении к нему. Герконовый датчик замыкает сигнальную цепь, подавая электрический сигнал, который можно использовать для разных целей. Точность контроля позиции зависит от чувствительности датчика и скорости перемещения поршня

Технические характеристики
| Модель | AM2012 / AM2032 | |
| Подходящий цилиндр | Серия A03 | |
| Рабочее напряжение |
5~120 В Постоянное/Переменное | |
| Коммутируемый ток |
макс. 100 мА | |
| Коммутируемая мощность |
макс. 6 Вт | |
| Падение напряжения |
макс. 3,5 В | |
| Тип контакта |
Однополюсный, нормально разомкнутый | |
| Рабочая температура |
от -10 до 70 °C | |
| Ударная прочность |
30 G | |
| Вибрационная стойкость |
9 G | |
| Тип защиты |
IEC 529, IP67 | |
| Цвет светодиода |
Красный | |
| Кабель | Ø 2,8, 2C, ПВХ, 2 метра | |
| Ø отверстия | № для заказа герконового выключателя и крепления | |
| Ø12, Ø16, Ø20, Ø25 | AM2012 | |
| Ø32, Ø40, Ø50, Ø63, Ø80, Ø100 | AM2032 | |
Цепь и схема соединения

Рекомендуемые размеры монтажного крепежа, только для типа A03G1

| № для заказа* | А | Размер болта B | № для заказа* | А | Размер болта B | № для заказа* | А | Размер болта B | |||
| A03012005G1 |
7 | М3 x 40 | A03016005G1 | 6 | М3 x 40 | A03020005G1 | 8 | M5 x 40 | |||
| 010G1 | 7 | x 45 | 010G1 | 6 | x 45 | 010G1 | 8 | x 45 | |||
| 015G1 | 7 | x 50 | 015G1 | 6 | x 50 | 015G1 | 8 | x 50 | |||
| 020G1 | 7 | x 55 | 020G1 | 6 | x 55 | 020G1 | 8 | x 55 | |||
| 025G1 | 7 | x 60 | 025G1 | 6 | x 60 | 025G1 | 8 | x 60 | |||
| 030G1 | 7 | x 65 | 030G1 | 6 | x 65 | 030G1 | 8 | x 65 | |||
| 040G1 | 7 | x 75 | 040G1 | 6 | x 75 | 040G1 | 8 | x 75 | |||
| 050G1 | 8 | x 85 | |||||||||
| № для заказа* | А | Размер болта B | № для заказа* | А | Размер болта B | № для заказа* | А | Размер болта B | |||
| A03025005G1 |
10,5 | M5 x 45 | A03032005G1 | 8,5 | M5 x 50 | A03040005G1 | 8 | M5 x 45 | |||
| 010G1 | 10,5 | x 50 | 010G1 | 8,5 | x 55 | 010G1 | 8 | x 50 | |||
| 015G1 | 10,5 | x 55 | 015G1 | 8,5 | x 60 | 015G1 | 8 | x 55 | |||
| 020G1 | 10,5 | x 60 | 020G1 | 8,5 | x 65 | 020G1 | 8 | x 60 | |||
| 025G1 | 10,5 | x 65 | 025G1 | 8,5 | x 70 | 025G1 | 8 | x 65 | |||
| 030G1 | 10,5 | x 70 | 030G1 | 8,5 | x 75 | 030G1 | 8 | x 70 | |||
| 040G1 | 10,5 | x 80 | 040G1 | 8,5 | x 85 | 040G1 | 8 | x 80 | |||
| 050G1 | 10,5 | x 90 | 050G1 | 8,5 | x 95 | 050G1 | 8 | x 90 | |||
| 060G1 | 8,5 | x 105 | 060G1 | 8 | x 100 | ||||||
| № для заказа* | А | Размер болта B | № для заказа* | А | Размер болта B | № для заказа* | А | Размер болта B | |||
| A03050010G1 | 9 | M6 x 55 | A03063010G1 | 13 | M8 x 60 | A03080010G1 | 16 | M10 x 70 | |||
| 020G1 | 9 | x 65 | 020G1 | 13 | x 70 | 020G1 | 16 | x 80 | |||
| 030G1 | 9 | x 75 | 030G1 | 13 | x 80 | 030G1 | 16 | x 90 | |||
| 040G1 | 9 | x 85 | 040G1 | 13 | x 90 | 040G1 | 16 | x 100 | |||
| 050G1 | 9 | x 95 | 050G1 | 13 | x 100 | 050G1 | 16 | x 110 | |||
| 060G1 | 9 | x 105 | 060G1 | 13 | x 110 | 060G1 | 16 | x 120 | |||
| 070G1 | 9 | x 115 | 070G1 | 13 | x 120 | 070G1 | 16 | x 130 | |||
| 080G1 | 9 | x 125 | 080G1 | 13 | x 130 | 080G1 | 16 | x 140 | |||
| № для заказа* | А | Размер болта B | |
| A03100010G1 |
17 | M10 x 7 | |
| 020G1 |
17 | x 85 | |
| 030G1 |
17 | x 95 |
|
| 040G1 |
17 | x 105 | |
| 050G1 |
17 | x 115 |
|
| 060G1 |
17 | x 125 |
|
| 070G1 |
17 | x 135 |
|
| 080G1 |
17 | x 145 | |
* Для диаметров поршня с Ø12 по Ø25 использовать только немагнитный болт из нержавеющей стали
Порядок заказа
| A 03 |
| 025 |
| 025 |
| G | |
|
|
|
|
|
||||
|
|
|
|
|||||
| 012 - Ø 12 | 005 - 5 |
G - Зенковка с резьбовым отверстием | |||||
| 016 - Ø 16 | 010 - 10 |
G1 - Зенковка с гладким отверстием | |||||
| 020 - Ø 20 | 015 - 15 |
G2 - Резьба | |||||
| 025 - Ø 25 | 020 - 20 |
|
|||||
| 032 - Ø 32 | 025 - 25 |
||||||
| 040 - Ø 40 | 030 - 30 | ||||||
| 050 - Ø 50 | 040 - 40 |
||||||
| 063 - Ø 63 | 050 - 50 |
||||||
| 080 - Ø 80 | 060 - 60 |
||||||
| 100 - Ø 100 | 070 - 70 | ||||||
| 080 - 80 | |||||||
Пример заказа:
Компактный цилиндр двустороннего действия со встроенными направляющими, диаметр поршня Ø25 мм, ход 25 мм (Зенковка с резьбовым отверстием): A032025025G
Компактный цилиндр двустороннего действия со встроенными направляющими, диаметр поршня Ø25 мм, ход 25 мм (Зенковка со сквозным отверстием): A03025025G1
В случае особых требований к цилиндрам или для получения дополнительной информации обращайтесь к своему региональному дилеру или в компанию Остек-АртТул
|
Артикул
|
A03012025G |
|
Страна производтва
|
ИНДИЯ |
|
Серия цилиндра
|
A03 |
|
Форма цилиндра
|
Компактный противоповоротный |
|
Диаметр поршня, мм
|
12 |
|
Ход, мм
|
25 |
|
Производитель
|
JANATICS INDIA PRIVATE LIMITED |
|
Магнит
|
Да |
Оплатить заказ можно только от юридического лица, получив счет на оплату оборудования.
