Артикул:
A21050200O
Описание и схемы Пневмоцилиндр ISO15552 с проходным штоком, базовый, без магнита, 50x200
Цилиндры двойного действия с двусторонним штоком (квадратные) Ø32–125 мм

* Для получения информации о цилиндрах с нестандартными или удлинёнными штоками обращайтесь к своему менеджеру
** Необходимо указать специальный код для заказа
(Вышеуказанные значения приведены с учетом потери на трение)


+ Добавить ход
++ Добавить двойной ход
@ — T-образное гнездо для магнитного датчика, см. каталог для серии AM4

+ Добавить ход

++ Добавить двойной ход

+ Добавить ход

+ Добавить ход

++ Добавить двойной ход

+ Добавить ход


Примечание:
Для получения дополнительной информации о принадлежностях для магнитного датчика см. каталог серии AM4
Особенности
- Регулируемое демпфирование на обоих концах.
- Большой выбор креплений ISO 15552 / VDMA 24562
- Магнитное и немагнитное исполнение.
- Корпус цилиндра из алюминиевого профиля.
- Магнитный датчик, применим для всех размеров (см. каталог магнитных датчиков).
- Опционально - стойкость к воздействию высоких температур (уплотнения FPM), не более 150° C.
- Опционально – шток и гайка из нержавеющей стали (SS 304).

Характеристики
|
Диаметр поршня Ø (мм) |
32 | 40 | 50 | 63 | 80 | 100 | 125 | |||
|
Ход демпфера (мм) |
21 | 23 | 23 | 23 | 28 | 28 | 40 | |||
|
Стандартная длина хода * (мм) |
25, 50, 80, 100, 125, 160, 200, 250, 300, 320, 400, 500 |
50, 80, 100, 125, 160, 200, 250, 300, 320, 400, 500 |
||||||||
|
Рабочая среда |
Сжатый воздух, фильтрованный, воздушно-масляная смесь |
|||||||||
|
Рабочее давление |
0,5–10 бар |
|||||||||
|
Температура среды |
Стандартная |
5–60° C |
||||||||
|
Высокие температуры ** |
не более 5–150° C |
|||||||||
|
Материалы конструкции |
Алюминий, латунь, нитрил, сталь, ацеталь, полиуретан |
|||||||||
|
Виды монтажа |
Базовый цилиндр, монтаж на лапах, фланец, вилка, цапфа |
|||||||||
|
Принадлежности |
Кронштейн цапфы, вилка штока, позиционер штока, наконечник штока со сферической проушиной |
|||||||||
* Для получения информации о цилиндрах с нестандартными или удлинёнными штоками обращайтесь к своему менеджеру
** Необходимо указать специальный код для заказа
Усилие на штоке (сила в Н: 1 Н = 0,1 кгс)
|
Диаметр поршня Ø (в мм) |
Ø штока (в мм) |
Рабочее давление в бар | ||||||||
| 2 | 3 | 4 | 5 | 6 | 7 | 8 | 9 | 10 | ||
| 32 | 12 | 124 | 187 | 249 | 311 | 373 | 435 | 498 | 559 | 621 |
| 40 | 16 | 190 | 285 | 380 | 475 | 570 | 665 | 760 | 855 | 950 |
| 50 | 20 | 297 | 445 | 594 | 742 | 891 | 1039 | 1187 | 1336 | 1484 |
| 63 | 20 | 505 | 757 | 1009 | 1261 | 1514 | 1766 | 2018 | 2270 | 2523 |
| 80 | 25 | 816 | 1225 | 1633 | 2041 | 2449 | 2857 | 3266 | 3674 | 4082 |
| 100 | 25 | 1325 | 1988 | 2650 | 3313 | 3976 | 4640 | 5300 | 5965 | 6625 |
| 125 | 32 | 2064 | 3096 | 4128 | 5160 | 6192 | 7224 | 8256 | 9288 | 10320 |
(Вышеуказанные значения приведены с учетом потери на трение)
Базовый цилиндр


+ Добавить ход
++ Добавить двойной ход
|
Диаметр поршня Ø |
KK |
AM |
ММ |
SW2 |
L12 |
SW1 |
В e11 |
VD |
L2 |
E макс. |
G |
TG |
RT |
BG мин. |
EE |
PL |
L7 |
WH |
Доп. |
ZB |
Доп. |
L8 |
Доп. |
L9 |
L13 | Доп. |
Допуск хода |
| 32 |
M10x1,25 | 22 | 12 | 10 | 6 | 17 | 30 | 6 | 18,5 | 45 | 25,5 | 32,5 |
M6 | 16 | G1/8 | 13 | 5 | 26 |
±1,3 | 120 |
±1 | 94 |
±0,6 | 5 | 147 |
±1,5 |
+2 +0 |
| 40 |
M12x1,25 | 24 | 16 | 13 | 6,5 | 19 | 35 |
6,5 | 20,5 | 51 | 29 | 38 | M6 | 16 | G1/4 | 14,5 | 5 | 30 | 135 | 105 | 5 | 166 | |||||
| 50 |
M16x1,5 | 32 | 20 | 16 | 8 | 24 | 40 |
6,5 | 28 | 64 | 29 | 46,5 | M8 | 16 | G1/4 | 15 | 7,5 | 37 |
±1,5 | 143 |
±1,1 | 106 |
±0,7 | 6 | 181 | ||
| 63 |
M16x1,5 | 32 | 20 | 16 | 8 | 24 | 45 |
6,5 | 27,5 | 74 | 35 | 56,5 | M8 | 16 | G3/8 | 17 | 10 | 37 | 158 | 121 |
±0,8 | 6 | 196 |
+2,5 +0 | |||
| 80 |
M20x1,5 | 40 | 25 | 21 | 10 | 30 | 45 |
6,5 | 34 | 94 | 35 | 72 | M10 | 16 | G3/8 | 18 | 14 | 46 | 174 | 128 | 6 | 221 | |||||
| 100 |
M20x1,5 | 40 | 25 | 21 | 10 | 30 | 55 | 6,5 | 35 | 111 | 38,5 | 89 | M10 | 16 | G1/2 | 18 | 10 | 51 | 189 | 138 | 6 | 241 | |||||
| 125 |
M27x2 | 54 | 32 | 27 | 13 | 41 | 60 | 10 | 48,5 | 136 | 44 | 110 | M12 | 24 | G1/2 | 20 | 12 | 65 |
±2,2 | 225 |
±1,2 | 160 |
±1 | 9,5 | 292 |
±2 |
+4 +0 |
@ — T-образное гнездо для магнитного датчика, см. каталог для серии AM4
Монтаж на лапах

+ Добавить ход
| Диаметр поршня Ø | TR ±0,3 | AB H14 | AH JS15 | AO макс. | AT | E | d* | SA | Доп. | L14 | Доп. | XA | Доп. | Рекомендованный размер болта | Код для заказа |
| 32 | 32 | 7 | 32 | 8 | 4 | 46 | 5,8 | 142 | ±1,25 | 3 | ±1,5 | 144 | ±1,25 | M6 | ML1032 |
| 40 | 36 | 10 | 36 | 10 | 4 | 52 | 7,8 | 161 | 3 | 163 | M8 | ML1040 | |||
| 50 | 45 | 10 | 45 | 12 | 5 | 65 | 7,8 | 170 | 6 | ±1,8 | 175 | M8 | ML1050 | ||
| 63 | 50 | 10 | 50 | 12 | 5 | 75 | 7,8 | 185 | ±1,6 | 6 | 190 | ±1,5 | M8 | ML1063 | |
| 80 | 63 | 12 | 63 | 17 | 6 | 95 | 9,8 | 210 | 6 | 215 | M10 | ML1080 | |||
| 100 | 75 | 14,5 | 71 | 19 | 6 | 115 | 11,8 | 220 | 11 | 230 | M12 | ML1100 | |||
| 125 | 90 | 16,5 | 90 | 17 | 8 | 140 | 11.8 | 250 | ±2 | 22 | ±2,5 | 270 | ±2 | M12 | ML0125 |
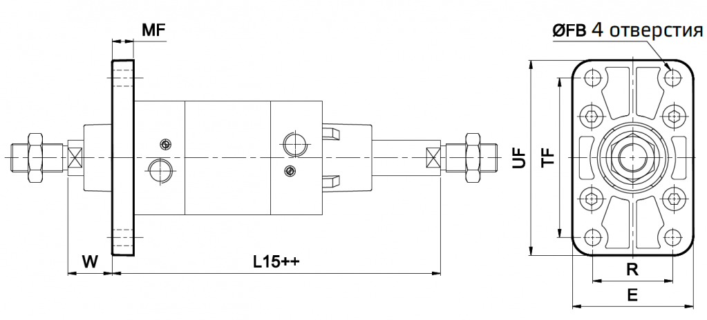
Фланец

++ Добавить двойной ход
|
Диаметр поршня Ø |
TF ±0,3 |
R ±0,3 |
FB H13 |
MF |
UF |
E |
W |
Доп. |
L15 |
Доп. |
Рекомендованный размер болта |
Код для заказа |
| 32 | 64 | 32 | 7 | 10 | 80 | 50 | 16 |
±1,5 | 131 |
±1,25 | M6 |
MF1032 |
| 40 | 72 | 36 | 9 | 10 | 90 | 55 | 20 | 146 | M8 |
MF1040 | ||
| 50 | 90 | 45 | 9 | 12 | 110 | 68 | 25 | 156 | M8 |
MF1050 | ||
| 63 | 100 | 50 | 9 | 12 | 125 | 78 | 25 |
±1,8 | 171 |
±1,5 | M8 |
MF1063 |
| 80 | 126 | 63 | 12 | 16 | 155 | 100 | 30 | 191 | M10 |
MF1080 | ||
| 100 | 150 | 75 | 14 | 16 | 185 | 120 | 35 | 206 | M12 |
MF1100 | ||
| 125 | 180 | 90 | 16 | 20 | 211 | 141 | 45 |
±2,5 | 247 |
±2 | M12 |
MF0125 |
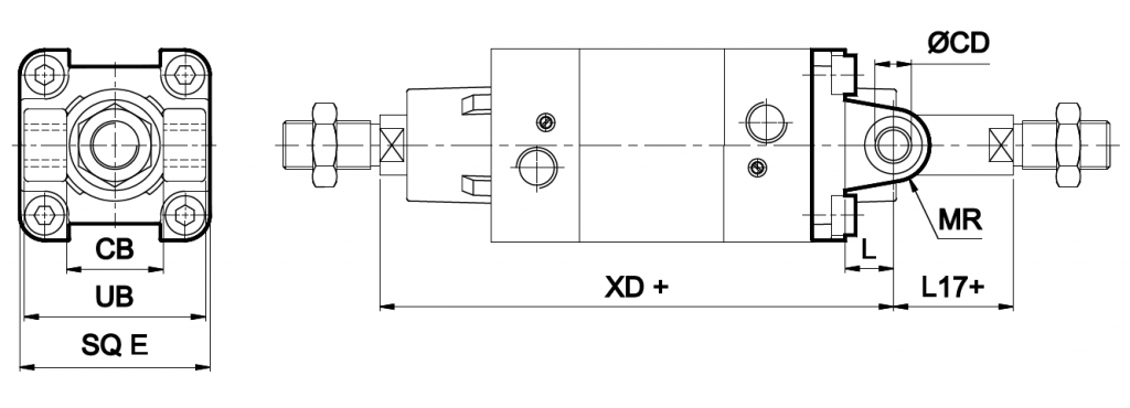
Вилка

+ Добавить ход
|
Диаметр поршня Ø |
CD H9 |
CB H14 |
L | MR макс. |
UB h14 |
E макс. |
L17 |
Доп. |
XD |
Доп. |
Код для заказа |
| 32 | 10 | 26 | 12 | 11 | 45 | 45 | 5 |
±1,5 | 142 |
±1,25 |
MB1032 |
| 40 | 12 | 28 | 15 | 13 | 52 | 51 | 6 | 160 |
MB1040 | ||
| 50 | 12 | 32 | 15 | 13 | 60 | 64 | 11 |
±1,8 | 170 |
MB1050 | |
| 63 | 16 | 40 | 20 | 17 | 70 | 74 | 6 | 190 |
±1,5 |
MB1063 | |
| 80 | 16 | 50 | 20 | 17 | 90 | 94 | 11 | 210 |
MB1080 | ||
| 100 | 20 | 60 | 25 | 21 | 110 | 111 | 11 | 230 |
MB1100 | ||
| 125 | 25 | 70 | 30 | 26 | 130 | 140 | 17 |
±2,5 | 275 |
±2 |
MB0125 |
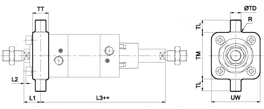
Цапфа

+ Добавить ход
|
Диаметр поршня Ø |
TD e9 |
TL h14 |
TM h14 |
UW |
TT |
R |
L1 |
Доп. |
L2 прибл. | L3 |
Доп. |
Код для заказа |
| 32 | 12 | 12 | 50 | 48 | 16 | 1 | 18 |
±1,5 | 2 | 129 |
±1,5 |
MT1032 |
| 40 | 16 | 16 | 63 | 55 | 22 | 1,5 | 19 | 0 | 147 |
MT1040 | ||
| 50 | 16 | 16 | 75 | 70 | 24 | 1,6 | 25 | 3 | 156 |
MT1050 | ||
| 63 | 20 | 20 | 90 | 86 | 28 | 1,6 | 23 |
±1,8 | -1 | 173 |
±2 |
MT1063 |
| 80 | 20 | 20 | 110 | 110 | 32 | 1,6 | 30 | 1,8 | 191 |
MT0080 | ||
| 100 | 25 | 25 | 132 | 135 | 40 | 2 | 31 | -1,2 | 210 |
MT0100 | ||
| 125 | 25 | 25 |
| 155 | 44 | 2 | 43 |
±2 | 6,5 | 249 | ±2,5 |
MT0125 |
Дополнительные принадлежности для пневмоцилиндра серии A20, A21
Кронштейн цапфы

++ Добавить двойной ход
|
Диаметр поршня Ø |
B1 |
B2 |
А |
d1 |
d2 H13 |
d3 H9 |
H1 |
H2 |
H13 |
K5 Js14 |
Код для заказа |
| 32 | 46 | 18 |
32 ±0,2 | 11 | 6,6 | 12 | 30 |
15 ±0,1 | 23 | 74 |
AT032 |
| 40 | 55 | 21 |
36 ±0,2 | 15 | 9 | 16 | 36 |
18 ±0,1 | 27 | 87 |
AT040 |
| 50 | 55 | 21 |
36 ±0,2 | 15 | 9 | 16 | 36 |
18 ±0,1 | 27 | 99 |
AT050 |
| 63 | 65 | 23 |
42 ±0,2 | 16,5 | 11 | 20 | 40 |
20 ±0,1 | 29 | 116 |
AT063 |
| 80 | 65 | 23 |
42 ±0,2 | 16,5 | 11 | 20 | 40 |
20 ±0,1 | 29 | 136 |
AT080 |
| 100 | 75 | 28,5 |
50 ±0,2 | 20 | 14 | 25 | 50 |
25 ±0,1 | 37 | 164 |
AT100 |
| 125 | 75 | 28,5 |
50 ±0,2 | 20 | 14 | 25 | 50 |
25 ±0,1 | 37 | 192 |
AT100 |
Вилка штока (ISO 8140)

+ Добавить ход
|
Диаметр поршня Ø |
KK |
CE |
CK f 8 |
СМ B12 |
LE |
ER макс. |
CL |
Код для заказа |
| 32 |
M10x1,25 | 40 | 10 | 10 | 20 | 16 | 20 |
AF010 |
| 40 |
M12x1,25 | 48 | 12 | 12 | 24 | 19 | 24 |
AF012 |
| 50/63 |
M16x1,5 | 64 | 16 | 16 | 32 | 25 | 32 |
AF0106 |
| 80/100 |
M20x1,5 | 80 | 20 | 20 | 40 | 32 | 40 |
AF020 |
| 125 |
M27x2 | 110 | 30 | 30 | 55 | 45 | 55 |
AF030 |
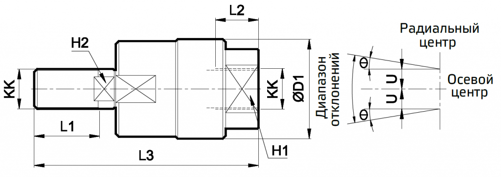
Позиционер штока

| Диаметр поршня Ø | KK | L1 | L2 | L3 | H1 | H2 | D1 | U | ±6° | Код для заказа |
| 32 | M10x1,25 | 20 | 14 | 65 | 17 | 8 | 28 | 0,75 | 5 | AR010 |
| 40 | M12x1,25 | 22 | 18 | 75 | 19 | 10 | 32 | 1 | 5 | AR012 |
| 50/63 | M16x1,5 | 25 | 22 | 91 | 27 | 13 | 41 | 1 | 5 | AR016 |
| 80/100 | M20x1,5 | 30 | 28 | 112 | 32 | 16 | 50 | 1,5 | 5 | AR020 |
Наконечник штока со сферическим шарниром (ISO 8139)

| Диаметр поршня Ø | KK | CN H9 | T | РУС h12 | CE | LE мин. | ER макс. | AX | SW | Z | Код для заказа |
| 32 | M10x1,25 | 10 | 10,5 | 14 | 43 | 15 | 14 | 20 | 17 | 13° | AP010 |
| 40 | M12x1,25 | 12 | 12 | 16 | 50 | 17 | 16 | 22 | 19 | AP012 | |
| 50/63 | M16x1,5 | 16 | 15 | 21 | 64 | 22 | 21 | 28 | 22 | 15° | AP016 |
| 80/100 | M20x1,5 | 20 | 18 | 25 | 77 | 26 | 25 | 33 | 30/32 | AP020 | |
| 125 | M20x2 | 30 | 25 | 37 | 110 | 36 | 35 | 51 | 41 | AP027 |
Код для заказа
|
A |
|||||||||
|
Модель |
Поршень, Ø (мм) |
Ход (мм) |
Виды монтажа |
Специальные цилиндры |
|||||
|
20 21 |
Магнитный цилиндр Стандарт. цилиндр |
032 040 050 063 080 100 125 |
- Ø 32 - Ø 40 - Ø 50 - Ø 63 - Ø 80 - Ø 100 - Ø 125 |
025 050 080 100 125 160 200 250 300 320 400 500 |
- 25 - 50 - 80 - 100 - 125 - 160 - 200 - 250 - 300 - 320 - 400 - 500 |
O L F B N |
–стандартный – монтаж на лапах – фланец – вилка – цапфа |
H S |
– высокотемпературный – шток из нерж. стали |
Примечание:
Для получения дополнительной информации о принадлежностях для магнитного датчика см. каталог серии AM4
|
Артикул
|
A21050200O |
|
Страна производтва
|
ИНДИЯ |
|
Серия цилиндра
|
A21 |
|
Форма цилиндра
|
Квадратный, проходной шток, ISO 15552 |
|
Диаметр поршня, мм
|
50 |
|
Ход, мм
|
200 |
|
Производитель
|
JANATICS INDIA PRIVATE LIMITED |
|
Магнит
|
Нет |
Оплатить заказ можно только от юридического лица, получив счет на оплату оборудования.