Артикул:
A03032100O
Описание и схемы Пневмоцилиндр компактный, базовый, с магнитом, 32x100
Компактные магнитные цилиндры двойного действия (Ø12–100 мм)
Особенности

* Для получения информации о цилиндрах с нестандартными или удлиненными штоками обращайтесь к своему менеджеру.
(Вышеуказанные значения приведены с учетом потери на трение)






Пример:
Код для заказа цилиндра с Ø поршня 40 мм, ходом 50 мм с внутренней резьбой: A03 040 050 O.
Код для заказа цилиндра с Ø поршня 40 мм, ходом 50 мм с наружной резьбой: A03 040 050 O-M.
Для получения информации об особых требованиях к цилиндрам или иной дополнительной информации обращайтесь к своему менеджеру.
Особенности
- Компактная, легкая и малогабаритная конструкция.
- Большая сила сжатия по отношению к размеру.
- Конструкция с низким трением и долговечным уплотнением.
- Эластомерный демпфер.

Характеристики
|
Диаметр поршня Ø (мм) |
12 | 16 | 20 | 25 | 32 | 40 | 50 | 63 | 80 | 100 |
|
Стандартная длина хода* (мм) |
5, 10, 15, 20, 25, 30, 40 |
5, 10, 15, 20, 25, 30, 40, 50 |
5, 10, 15, 20, 25, 30, 40, 50, 60 |
10, 20, 30, 40, 50, 60, 70, 80 |
||||||
|
Рабочая среда |
Сжатый фильтрованный воздух, воздушно-масляная смесь |
|||||||||
|
Диапазон рабочего давления |
0,5–10 бар |
|||||||||
|
Температура среды |
5–60° C |
|||||||||
Применение
Эти компактные цилиндры широко используются в системах автоматики с низкой стоимостью, специализированных станках, промышленном оборудовании, монтажных и установочных приспособлениях и т. дУсилие на штоке (сила в Н: 1 Н = 0,1 кгс)
|
Диаметр поршня Ø (в мм) |
Ø штока (в мм) |
|
Рабочее давление в бар | ||||||||
| 2 | 3 | 4 | 5 | 6 | 7 | 8 | 9 | 10 | |||
| 12 | 6 |
Выдвижение | 20 | 30 | 40 | 50 | 60 | 70 | 80 | 90 | 100 |
|
Втягивание | 15 | 22 | 30 | 38 | 46 | 53 | 61 | 68 | 76 | ||
| 16 | 8 |
Выдвижение | 36 | 54 | 72 | 90 | 108 | 126 | 144 | 162 | 180 |
|
Втягивание | 27 | 40 | 54 | 67 | 81 | 95 | 108 | 122 | 135 | ||
| 20 | 10 |
Выдвижение | 56 | 84 | 112 | 140 | 169 | 196 | 224 | 254 | 282 |
|
Втягивание | 42 | 63 | 84 | 106 | 127 | 148 | 169 | 190 | 212 | ||
| 25 | 12 |
Выдвижение | 88 | 132 | 176 | 220 | 264 | 308 | 352 | 396 | 440 |
|
Втягивание | 68 | 102 | 136 | 170 | 204 | 238 | 272 | 306 | 340 | ||
| 32 | 16 | Выдвижение | 145 | 217 | 289 | 362 | 343 | 507 | 579 | 651 | 727 |
|
Втягивание | 108 | 162 | 217 | 271 | 325 | 380 | 434 | 488 | 542 | ||
| 40 | 16 |
Выдвижение | 226 | 339 | 452 | 565 | 678 | 792 | 905 | 1018 | 1130 |
|
Втягивание | 190 | 285 | 380 | 475 | 570 | 665 | 760 | 855 | 950 | ||
| 50 | 20 |
Выдвижение | 353 | 530 | 706 | 884 | 1060 | 1237 | 1414 | 1590 | 1767 |
|
Втягивание | 297 | 445 | 594 | 742 | 890 | 1039 | 1187 | 1336 | 1484 | ||
| 63 | 20 |
Выдвижение | 561 | 842 | 1122 | 1403 | 1683 | 1964 | 2244 | 2525 | 2805 |
|
Втягивание | 505 | 757 | 1009 | 1261 | 1514 | 1766 | 2018 | 2270 | 2523 | ||
| 80 | 25 |
Выдвижение | 905 | 1357 | 1809 | 2262 | 2714 | 3167 | 3619 | 4072 | 4524 |
|
Втягивание | 816 | 1225 | 1633 | 2041 | 2449 | 2857 | 3266 | 3674 | 4082 | ||
| 100 | 30 |
Выдвижение | 1414 | 2120 | 2827 | 3534 | 4241 | 4948 | 5655 | 6362 | 7068 |
|
Втягивание | 1287 | 1929 | 2573 | 3216 | 3859 | 4502 | 5145 | 5789 | 6432 | ||
(Вышеуказанные значения приведены с учетом потери на трение)
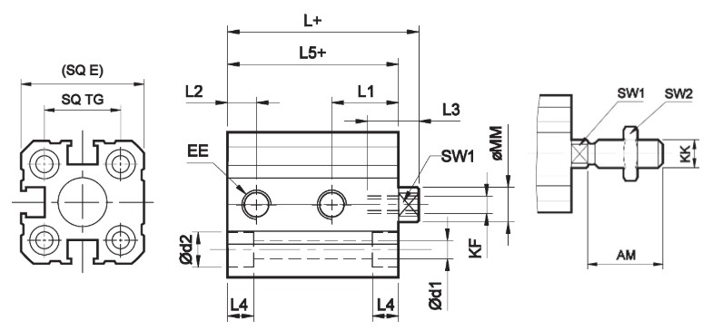
Базовый цилиндр
Размеры — Ø12, Ø16

Размеры — Ø20, Ø25

Размеры — Ø32, Ø40, Ø50, Ø63, Ø80, Ø100
|
Диаметр поршня Ø |
KF |
ММ |
L3 |
d1 |
d2 |
L4 |
SW1 |
L1 |
L2 |
EE |
TG |
E |
N |
L5 |
L |
KK |
AM |
SW2 |
| 12 |
M3x0,5 | 6 | 6 | 3,5 | 6 | 4,5 | 5 | 11,5 | 5 |
M5x0,8 | 15,5 | 25 |
— | 33,5 | 37 |
M6x1 | 16 | 10 |
| 16 |
M4x0,7 | 8 | 8 |
3,5 | 6 | 5,5 | 6 | 11 | 5,5 |
M5x0,8 | 20 | 29 |
— | 34,5 | 38 |
M8x1,25 | 20 | 13 |
| 20 |
M5x0,8 | 10 | 8 |
5,5 | 9 | 9,5 | 8 | 11,5 | 5 |
M5x0,8 | 25,5 | 36 |
— | 36,5 | 40 |
M10x1,25 | 22 | 17 |
| 25 |
M6x1 | 12 | 12 |
5,5 | 9 | 7 | 10 | 11 | 5 |
M5x0,8 | 28 | 40 |
— | 39 | 44 |
M10x1,25 | 22 | 17 |
| 32 |
M8x1,25 | 16 | 13 |
5,5 | 9 | 9 | 14 | 12,5 | 8 |
G1/8 | 34 | 45 | 49,5 | 46 | 53 |
M12x1,25 | 24 | 19 |
| 40 |
M8x1,25 | 16 | 13 |
5,5 | 9 | 9,5 | 14 | 11,5 | 8 |
G1/8 | 40 | 52 | 57 | 41,5 | 48,5 |
M12x1,25 | 24 | 19 |
| 50 |
M10x1,5 | 20 | 15 |
6,6 | 10,5 | 11 | 17 | 14 | 10,5 |
G1/4 | 50 | 64 | 71 | 47 | 55 |
M16x1,5 | 32 | 24 |
| 63 |
M10x1,5 | 20 | 15 | 9 | 13,5 | 10 | 17 | 14 | 10,5 |
G1/84 | 60 | 77 | 84 | 48 | 56 |
M16x1,5 | 32 | 24 |
| 80 |
M16x2 | 25 | 21 | 11 | 16,5 | 13,5 | 22 | 18,5 | 12,5 |
G3/8 | 77 | 98 | 104 | 58,5 | 68,5 |
M20x1,5 | 40 | 30 |
| 100 |
M20x2,5 | 30 | 27 | 11 | 16,5 | 12,5 | 27 | 21 | 12,5 |
G3/8 | 94 | 117 | 123,5 | 62,5 | 73,5 |
M20x1,5 | 40 |
30 |
Дополнительные принадлежности для магнитных цилиндров серии A03
Герконовый датчик положения поршня

Функция
Герконовый датчик и крепление в сборе устанавливаются на пневматический цилиндр (серия A03) для определения положения поршня. Поршень цилиндра оснащен постоянным магнитом, который активирует герконовый датчик при приближении к нему. Герконовый датчик замыкает цепь, подавая электрический сигнал, который можно использовать. Точность определения положения зависит от скорости движения поршня.
| Диаметр поршня | Код для заказа герконового датчика и крепления |
| Ø12, Ø16, Ø20, Ø25 | AM2012 |
| Ø32, Ø40, Ø50, Ø63, Ø80, Ø100 | AM2032 |
Цепь и схема соединения

Рекомендуемый размер монтажного болта

| Код для заказа | A | Размер болта B | Код для заказа | A | Размер болта B | Код для заказа | A | Размер болта B | Код для заказа | A | Размер болта B | Код для заказа | A | Размер болта B |
| A02 012 005 | 5 | M3x40 | A02 016 005 | 5 | M3x40 | A02 020 005 | 8 | M5x40 | A02 025 005 | 8 | M5x45 | A03 032 005 | 8 | M5x50 |
| 010 | 5 | x45 | 010 | 5 | x45 | 010 | 8 | x45 | 010 | 8 | x50 | 010 | 8 | x55 |
| 015 | 5 | x50 | 015 | 5 | x50 | 015 | 8 | x50 | 015 | 8 | x55 | 015 | 8 | x60 |
| 020 | 5 | x55 | 020 | 5 | x55 | 020 | 8 | x55 | 020 | 8 | x60 | 020 | 8 | x65 |
| 025 | 5 | x60 | 025 | 5 | x60 | 025 | 8 | x60 | 025 | 8 | x65 | 025 | 8 | x70 |
| 030 | 5 | x65 | 030 | 5 | x65 | 030 | 8 | x65 | 030 | 8 | x70 | 030 | 8 | x75 |
| 040 | 5 | x75 | 040 | 5 | x75 | 040 | 8 | x75 | 040 | 8 | x80 | 040 | 8 | x85 |
| 050 | 8 | x85 | 050 | 8 | x90 | 050 | 8 | x95 | ||||||
| 060 | 8 | x105 | ||||||||||||
| Код для заказа | A | Размер болта B | Код для заказа | A | Размер болта B | Код для заказа | A | Размер болта B | Код для заказа | A | Размер болта B | Код для заказа | A | Размер болта B |
| A03 040 005 | 8 | M5x45 | A03 050 010 | 9 | M6x55 | A03 063 010 | 12 | M8x60 | A02 080 010 | 15 | M10x70 | A03 100 010 | 15 | M10x75 |
| 010 | 8 | x50 | 020 | 9 | x65 | 020 | 12 | x70 | 020 | 15 | x80 | 020 | 15 | x85 |
| 015 | 8 | x55 | 030 | 9 | x75 | 030 | 12 | x80 | 030 | 15 | x90 | 030 | 15 | x95 |
| 010 | 8 | x60 | 040 | 9 | x85 | 040 | 12 | x90 | 040 | 15 | x100 | 040 | 15 | x105 |
| 025 | 8 | x65 | 050 | 9 | x95 | 050 | 12 | x100 | 050 | 15 | x110 | 050 | 15 | x115 |
| 030 | 8 | x70 | 060 | 9 | x105 | 060 | 12 | x110 | 060 | 15 | x120 | 060 | 15 | x125 |
| 040 | 8 | x80 | 070 | 9 | x115 | 070 | 12 | x120 | 070 | 15 | x130 | 070 | 15 | x135 |
| 050 | 8 | x90 | 080 | 9 | 125 | 080 | 12 | x130 | 080 | 15 | x140 | 080 | 15 | x145 |
| 060 | 8 | x100 |
Код для заказа
|
A03 |
— |
||||||
|
Поршень, Ø (мм) |
Ход (мм) |
O - стандартный |
M - наруж.резьба | ||||
|
012 016 020 025 032 040 050 063 080 100 |
—Ø 12 —Ø 16 —Ø 20 —Ø 25 —Ø 32 —Ø 40 —Ø 50 —Ø 63 —Ø 80 —Ø 100 |
005 010 015 020 025 030 040 050 060 070 080 |
— 5 — 10 — 15 — 20 — 25 — 30 — 40 — 50 — 60 — 70 — 80 |
|
|
||
Пример:
Код для заказа цилиндра с Ø поршня 40 мм, ходом 50 мм с внутренней резьбой: A03 040 050 O.
Код для заказа цилиндра с Ø поршня 40 мм, ходом 50 мм с наружной резьбой: A03 040 050 O-M.
Для получения информации об особых требованиях к цилиндрам или иной дополнительной информации обращайтесь к своему менеджеру.
|
Артикул
|
A03032100O |
|
Страна производтва
|
ИНДИЯ |
|
Серия цилиндра
|
A03 |
|
Форма цилиндра
|
Компактный |
|
Диаметр поршня, мм
|
32 |
|
Ход, мм
|
100 |
|
Производитель
|
JANATICS INDIA PRIVATE LIMITED |
|
Магнит
|
Да |
Оплатить заказ можно только от юридического лица, получив счет на оплату оборудования.