Артикул:
MS 565C
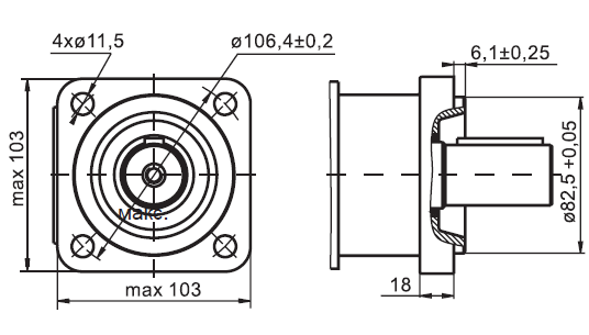
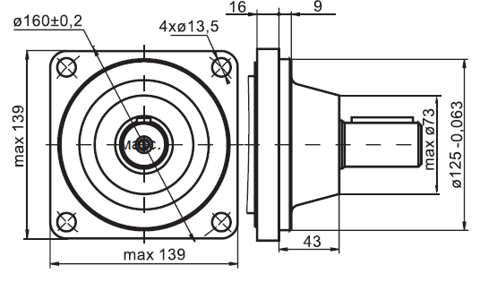
Описание и схемы Гидромотор серии MS, 564,9 см³/об, цилиндрический вал 32 мм, резьба BSPP
|
MS |
1 | 2 | 3 | 4 |
5 |
6 | 7 | 8 |
Код заказа
|
Поз. 1 |
Без кода | A | F | Q | ||||||||
|
Монтажный фланец |
Монтаж SAE A-4, четыре отверстия | Монтаж SAE A-2, два отверстия |
Монтаж магнето, четыре отверстия |
Квадратный фланец, четыре отверстия | ||||||||
| Поз. 1 | B | S | V | U | W | |||||||
| Монтажный фланец | Мотор с B барабанным тормозом | Короткий монтаж | Очень короткий монтаж | Сверхкороткий монтаж | Колесный монтаж, четыре отверстия | |||||||
|
| ||||||||||||
|
Поз. 2 |
Без кода | E | ||||||||||
|
Тип отверстия |
Боковые отверстия |
Задние отверстия | ||||||||||
|
| ||||||||||||
|
Поз. 3 | 80 | 100 | 125 | 160 | 200 | 250 | 315 | 400 | 475 | 525 | 565 | |
|
Параметры вала ** |
80,5 см3/об |
100,0 см3/об |
125,7 см3/об |
159,7 см3/об |
200,0 см3/об |
250,0 см3/об |
314,9 см3/об |
397,0 см3/об |
474,6 см3/об |
522,7 см3/об |
564,9 см3/об | |
|
| ||||||||||||
|
Поз. 4 |
Без кода | C | CO | K | SL | SH | SA | |||||
|
Вариант исполнения уплотнения вала |
для монтажного фланца B, S, U и V |
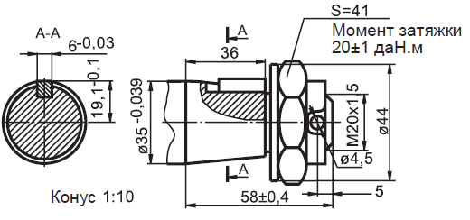
Ø32 цилиндрический, Призматическая шпонка A10x8x45 DIN 6885 |
1¼’’ цилиндрический, Призматическая шпонка 5/16”x5/16”x1¼’’ Bs46 |
Ø35 конический 1:10, Призматическая шпонка B6x6x20 DIN 6885 |
Ø34,85 отбор мощности DIN 9611 Форма 1 |
1¼’’ шлицевой 14T, ANSI B92.1 -1970 |
7/8”-13T шлицевой, ANSI B92.1-197 | |||||
|
| ||||||||||||
|
Поз. 5 |
Без кода | M | ||||||||||
| Отверстия |
BSPP (ISO228) |
Метрическая (ISO 262) | ||||||||||
|
| ||||||||||||
|
Поз. 6 | R | L | ||||||||||
|
Направление вращения при запуске |
Правое |
Левое | ||||||||||
|
| ||||||||||||
|
Поз. 7 | ||||||||||||
| Особые характеристики | ||||||||||||
|
| ||||||||||||
|
Поз. 8 | Без кода | |||||||||||
|
Модель | Указывается заводом | |||||||||||

|
Расположение отверстий |
||
| E | ||
|
Боковые отверстия |
Задние отверстия |
|
![]() |
![]() |
|
| Выступающие части вала | ||
| C | CO | |
| Ø32 цилиндрический, Призматическая шпонка A10x8x45 DIN 6885 Макс. крутящий момент 77 даН.м |
Ø1¼” цилиндрический, Призматическая шпонка 5/16’’x5/16’’x1¼’’BS46 Макс. крутящий момент 77 даН.м |
|
![]() |
![]() |
|
| K | SH | |
|
конический,1:10 Призматическая шпонка B6x6x20 DIN 6885 Макс. крутящий момент 95 даН.м |
1¼” со шлицами 14T, DP12/24 ANSI B92.1-1970 Макс. крутящий момент 95 даН.м |
|
![]() |
![]() |
|
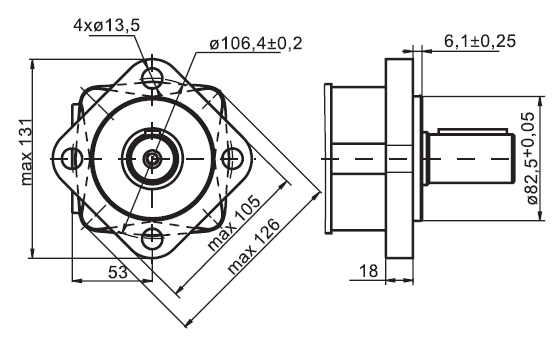
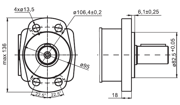
| Монтаж | ||
|
|
F | |
|
Монтаж SAE A-4 (4 отверстия) |
Монтаж магнето (4 отверстия |
|
![]() |
![]() |
|
| Q | W | |
|
Квадратный фланец (4 отверстия) |
Колесный монтаж |
|
![]() |
![]() |
|
|
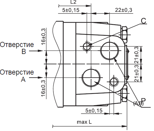
Тип | L mm | L1 mm |
L mm |
|
MS (F, A) 80 | 168 | 124 | 173 |
|
MS (F, A) 100 | 171 | 128 | 177 |
|
MS (F, A) 125 | 176 | 132 | 181 |
|
MS (F, A) 160 | 182 | 138 | 187 |
|
MS (F, A) 200 | 189 | 145 | 194 |
|
MS (F ,A) 250 | 197 | 154 | 203 |
|
MS (F, A) 315 | 209 | 165 | 241 |
| MS (F, A) 400 | 223 | 179 | 228 |
|
MS (F, A) 470 | 237 | 193 | 242 |
| MS (F, A) 525 | 229 | 185 | 234 |
| MS (F, A) 565 | 235 | 191 | 240 |
Размеры и установочные характеристики
S Короткий монтаж



V Очень короткий монтаж


С : 4 х М8—13 мм, глубина
Р (А,В) : 2х G 1/2 or 2x M22 x 1,5—15 мм, глубина
T : G 1/4 or M14{1,5—12 мм, глубина (заглушенное)
U Сверхкороткий монтаж



|
Тип | L mm | L2 mm | Lе mm |
Тип | L mm | L2 mm | Lе mm |
Тип | L mm | L2 mm | Lе mm |
L1 mm |
|
MSS 80 | 125 | 83 | 134 | MSV 80 | 91 | 47 | 97 | MSU 80 | 105,5 | 63 | 115,5 | 14.0 |
| MSS100 | 129 | 87 | 138 | MSV 100 | 94 | 50,5 | 100 | MSU 100 | 109 | 66,5 | 115 | 17.4 |
| MSS 125 | 133 | 90 | 141 | MSV 125 | 99 | 55 | 105 | MSU 125 | 113 | 71 | 119 | 21.8 |
| MSS 160 | 139 | 96 | 146 | MSV 160 | 105 | 61 | 111 | MSU 160 | 119 | 77 | 125 | 27.8 |
| MSS 200 | 146 | 103 | 154 | MSV 200 | 112 | 68 | 118 | MSU 200 | 126 | 84 | 132 | 34.8 |
| MSS 250 | 155 | 112 | 163 | MSV 250 | 120 | 76,5 | 126 | MSU 250 | 135 | 92,5 | 141 | 43.5 |
| MSS 315 | 166 | 123 | 174 | MSV 315 | 132 | 88 | 138 | MSU 315 | 146 | 104 | 152 | 54.8 |
| MSS 400 | 181 | 138 | 189 | MSV 400 | 146 | 103 | 153 | MSU 400 | 160 | 119 | 167 | 69.4 |
| MSS 475 | 194 | 152 | 203 | MSV 475 | 160 | 116 | 166 | MSU 475 | 174 | 132 | 180 | 82,6 |
| MSS525 | 186 | 144 | 195 | MSV 525 | 152 | 108 | 158 | MSU 525 | 166 | 124 | 172 | 74.5 |
| MSS 565 | 192 | 150 | 201 | MSV 565 | 158 | 114 | 164 | MSU 565 | 172 | 130 | 187 | 80,2 |
Технические характеристики
| Тип |
MS 80 |
MR 100 |
MS 125 | MS 160 | MS 200 | MS 250 | MS 315 |
MS 400 | MS 475 | MS 565 |
MS 715 | ||
|
Рабочий объём (см3/об.) | 80,5 | 100 | 125,7 | 195,7 | 200 | 250 | 314,9 | 397 | 474,6 | 564,9 | 711,9 | ||
|
Макс. частота вращения (об/мин) | непр. | 810 | 810 | 600 | 470 | 375 | 300 | 240 | 185 | 180 | 130 | 105 | |
|
прер.* | 1000 | 900 | 720 | 560 | 450 | 380 | 285 | 225 | 190 | 160 | 125 | ||
|
Макс. крутящий момент (даН.м) |
непр. | 20 | 25 | 32 | 34 | 40 | 45 | 54 | 58 | 58 | 58 | 57 | |
|
прер.* | 24 | 30 | 38 | 48 | 50 | 54 | 63 | 69 | 68 | 69 | 67 | ||
|
макс.** | 26 | 32 | 40 | 51 | 65 | 69 | 84 | 85 | 84 | 85 | 82 | ||
|
Макс. мощность (кВт) |
непр. | 16 | 17,5 | 17,5 | 15,5 | 14 | 12,5 | 11,5 | 10 | 8,4 | 6,9 | 5,4 | |
|
прер.* | 19 | 21 | 21 | 21 | 17,5 | 15 | 13,5 | 13 | 11,3 | 9,6 | 7,2 | ||
|
Макс. перепад давления (бар) | непр. | 175 | 175 | 175 | 175 | 140 | 125 | 120 | 100 | 85 | 70 | 55 | |
| прер. * | 210 | 210 | 210 | 210 | 175 | 155 | 140 | 120 | 100 | 85 | 65 | ||
| макс.** | 225 | 225 | 225 | 225 | 225 | 200 | 185 | 140 | 115 | 100 | 75 | ||
|
Макс. расход масла (л/мин) | непр. | 86 | 75 | 75 | 75 | 75 | 75 | 75 | 75 | 75 | 75 | 75 | |
| прер.* | 80 | 80 | 90 | 90 | 90 | 90 | 90 | 90 | 90 | 90 | 90 | ||
|
Макс. давление на входе (бар) | непр. | 210 | 210 | 210 | 210 | 210 | 210 | 210 | 210 | 210 | 210 | 210 | |
|
прер. * | 250 | 250 | 250 | 250 | 250 | 250 | 250 | 250 | 250 | 250 | 250 | ||
|
макс.** | 300 | 300 | 300 | 300 | 300 | 300 | 300 | 300 | 300 | 300 | 300 | ||
|
Макс. обратное давление без линии слива или макс. давление слива (бар) |
непр. 0—100 об/мин | 100 | 100 | 100 | 100 | 100 | 100 | 100 | 100 | 100 | 100 | 100 | |
|
непр. 100— 300 об/мин | 50 | 50 | 50 | 50 | 50 | 50 | 50 | 50 | 50 | 50 | 50 | ||
|
непр. 300— 600 об/мин | 20 | 20 | 20 | 20 | 20 |
— |
— |
— |
— | — | — | ||
|
прер.* 0 — макс. об/мин | 100 | 100 | 100 | 100 | 100 | 100 | 100 | 100 | 100 | 100 | 100 | ||
|
Макс. обратное давление с линией слива (бар) | непр. | 140 | 140 | 140 | 140 | 140 | 140 | 140 | 140 | 140 | 140 | 140 | |
|
прер.* | 175 | 175 | 175 | 175 | 175 | 175 | 175 | 175 | 175 | 175 | 175 | ||
|
макс.** | 210 | 210 | 210 | 210 | 210 | 210 | 210 | 210 | 210 | 210 | 210 | ||
|
Макс. начальное давление с ненагруженным валом (бар) | 12 | 10 | 10 | 8 | 8 | 80 | 8 | 8 | 8 | 8 | 8 | ||
|
Мин. начальный крутящий момент (даН.м) |
при макс. непрерывном падении давления | 16,5 | 20,5 | 26 | 28 | 33 | 36 | 44 | 47 | 47 | 47 | 47 | |
|
при макс. прерывающемся падении давления* | 19,5 | 25 | 31 | 39 | 41 | 44 | 52 | 55 | 55 | 55 | 55 | ||
|
Мин. число оборотов***, (об/мин) | 10 | 10 | 8 | 8 | 6 | 6 | 5 | 5 | 5 | 5 | 5 | ||
|
Вес (кг) | MS(F) (E) |
9,8 (10,2) |
10 (10,4) |
10,3 (10,7) |
10,7 (11,1) |
11,1 (11,6) |
11,6 (12) |
12,3 (12,7) |
13,2 (13,6) |
14 (14,4) |
14,9 (15,3) |
17,4 (17,8) | |
|
MSW(E) |
10,3 (10,7) |
10,5 (10,8) |
10,8(11,2) |
11,2 (11,6) |
11,6 (12) |
12,1 (12,8) |
12,8 (13,2) |
13,7 (14,1) |
14,5 (14,9) |
15,4 (14,9) |
17,9 (18,3) | ||
|
MSS(Z) (E) |
7,8 (10,2) |
8 (8,4) |
8,3 (8,7) |
8,7 (9,1) |
9,1 (9,6) |
9,6 (10) |
10,3 (10,7) |
11,2 (11,8) |
12 (12,4) |
12,9 (12,3) |
15,4 (15,8) | ||
|
MSV(E) |
5,6 (10,2) |
5,9 (6,3) |
6,2 (6,6) |
6,6 (7) |
7 (7,4) |
7,5 (7,9) |
3,2 (8,6) |
9,1 (9,5) |
9,9 (10,3) |
10,8 (11,2) |
13,3 (13,7) | ||
|
MSQ(E) |
10,2 (10,6) |
10,4 (10,8) | 10,7 (11,1) | 11,1 (11,5) |
11,5 (11,9) |
12 (12,4) | 12,7 (13,1) | 13,6 (14) | 14,4 (14,8) | 15,3 (15,75) |
17,8 (18,2) | ||
|
MSB(E) |
16,8 (17,2) |
17 (17,4) |
17,3 (17,7) |
17,7 (18,1) |
18,1 (18,5) |
18,6 (12) |
19,3 (19,7) |
20,2 (20,6) |
21 (21,4) |
21,9 (22,3) |
24,4 (24,8) |
||
* Работа с перерывами: допустимые значения могут возникать не более чем в 10% случаев ежеминутно.
** Максимальная нагрузка: допустимые значения могут возникать не более чем в 1% случаев ежеминутно.
*** На предмет частоты вращения на 5 об/мин ниже заданной обращаться к производителю или региональному менеджеру.
1) Прерывистая частота вращения и прерывистое давление не должны возникать одновременно.
2) Рекомендуемая фильтрация согласно степени чистоты ISO 20/16. Номинальная фильтрация 25 микрон или лучше.
3) Рекомендуется использовать высококачественное, антифрикционное минеральное гидравлическое масло, HLP (DIN51524) или HM (ISO 6743/4). При использовании синтетических жидкостей обращаться к производителю для получения информации об альтернативных материалах уплотнения.
4) Рекомендуемая минимальная вязкость масла 13 мм2/с при 50°С.
5) Рекомендуемая максимальная рабочая температура системы составляет 82°C
8) Для обеспечения оптимальной продолжительности срока службы моторного масла заполнить систему жидкостью перед подачей нагрузки и оставить поработать при умеренной нагрузке и оборотах в течение 10—15 минут.
|
Артикул
|
MS 565C |
|
Страна производтва
|
БОЛГАРИЯ |
|
Производитель
|
M+S Hydraulic |
Оплатить заказ можно только от юридического лица, получив счет на оплату оборудования.









