Артикул:
MV 800C
| MV | 1 | 2 | 3 | 4 |
5 |
|
Поз. 1 |
Без кода |
C |
W |
S |
V |
|
Монтажный фланец |
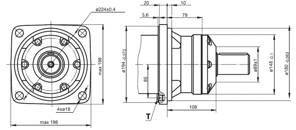
Квадратный фланец, четыре отверстия |
Монтаж SAE C |
Колесный монтаж |
Короткий монтаж |
Очень короткий монтаж |
|
|
|||||
|
Поз. 2 |
315 | 400 | 500 | 630 | 800 |
|
Код рабочего объема |
314,5 см3/об |
400,9 см3/об |
499,6 см3/об |
629,1 см3/об |
801,8 см3/об |
|
|
|||||
| Поз. 3 |
Без кода |
C | CO | SH | K |
| Выступающие части вала ** |
для монтажного фланца S и V |
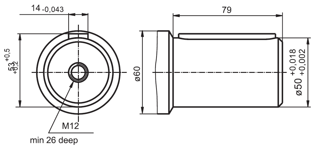
Ø50 цилиндрический, Призматическая шпонка A14x9x70 DIN 6885 |
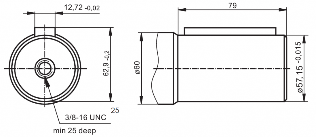
Ø2 ¼” цилиндрический, Призматическая шпонка ½”x½x2¼’’ Bs46 |
Ø2 1/6” со шлицами, ANSI B92.1-1976 |
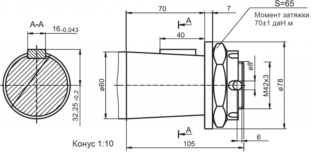
Ø60 конический 1:10, Призматическая шпонка B16x10x32 DIN 6885 |
| Поз. 4 |
Особые характеристики |
||||
|
|
|||||
|
Поз. 5 |
Модель | ||||

|
Тип |
L mm | L2 mm |
Тип |
L mm |
L2 mm |
L1 mm |
|
MV 315 |
214,5 | 160 |
MVC 315 |
238,25 | 184,26 | 22,0 |
|
MV 400 |
221,5 | 167 |
MVC 400 |
245,25 | 191,26 | 29,0 |
|
MV 500 |
229,5 | 175 |
MVC 500 |
253,25 | 199,26 | 37,0 |
|
MV 630 |
240 | 186 |
MVC 630 |
263,75 | 209,76 | 47,5 |
| MV 800 | 254,0 | 200 |
MVC 800 |
277,75 | 223,76 | 61,5 |
|
Монтаж |
||
| Квадратный фланец (4 отверстия) | ||
![]() |
||
| C Монтаж SAE C | ||
![]() |
||
| W Колесный монтаж | ||
![]() | ||
| Расположение отверстий | ||
|
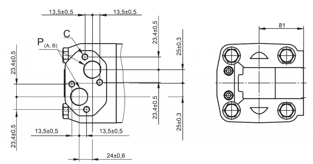
Боковые отверстия |
||
![]() | ||
| C: 4xM12-12 мм, глубина P(A,B): 2xG1 20 мм, глубина T: G1/4 12 мм, глубина |
||
| Выступающие части вала | ||
| C | CO | |
|
Ø50 цилиндрический, Призматическая шпонка A14x9x70 DIN 6885 |
Ø2¼” цилиндрический, Призматическая шпонка ½’’x ½’’x2 ¼’’BS46 |
|
![]() |
![]() |
|
| K | SH | |
|
конический 1:10, Призматическая шпонка B16x10x32 DIN 6885 |
Ø 2 1/8” со шлицами 16 DP8/16 ANSI B92.1-1976 |
|
![]() |
![]() |
|
Размеры и установочные характеристики
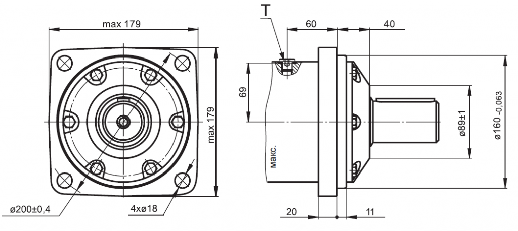
V Очень короткий монтаж



C: 4хМ12-12 мм, глубина
P(a,b) : 2G1-20 мм, глубина
Стандартное вращение
Вид с торца вала
Отверстие A под давлением – по час. стрелке
Отверстие B под давлением – против часовой стрелки
Вращение в обратном направлении
Вид с торца вала
Отверстие A под давлением – против часовой стрелки
Отверстие B под давлением – по час. стрелке
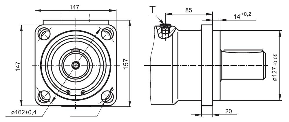
S Короткий монтаж



C: 4xM12-12 мм, глубина
P(A,B): 2xG1 20 мм, глубина
T: G1/4 12 мм, глубина
Стандартное вращение
Вид с торца вала
Отверстие A под давлением – по час. стрелке
Отверстие B под давлением – против часовой стрелки
Вращение в обратном направлении
Вид с торца вала
Отверстие A под давлением – против часовой стрелки
Отверстие B под давлением – по час. стрелке
|
|
|||
|
MVS 315 |
171 | 117 | 22,0 |
|
MVS 400 |
179 | 124 | 29,0 |
|
MVS 500 |
186 | 132 | 37,0 |
|
MVS 630 |
197 | 143 | 47,5 |
| MVS 800 | 211 | 157 | 61,5 |
Технические характеристики
| Тип | MV 315 | MV 400 | MV 500 | MV 630 |
MV 800 |
||
|
Рабочий объём (см3/об.) |
314,5 | 400,9 | 499,6 | 629,1 | 801,8 | ||
|
Макс. частота вращения (об/мин) |
непр. | 510 | 500 | 400 | 315 | 250 | |
|
прер.* |
360 | 600 | 480 | 380 | 300 | ||
|
Макс. крутящий момент (даН.м) |
непр. |
92 | 118 | 146 | 166 | 188 | |
|
прер.* |
111 | 141 | 176 | 194 | 211 | ||
|
макс.** |
129 | 164 | 205 | 221 | 247 | ||
|
Макс. мощность (кВт) |
непр. |
42,5 | 53,5 | 53,5 | 48 | 42,5 | |
|
прер.* |
51 | 64 | 64 | 56 | 48 | ||
|
Макс. перепад давления (бар) |
непр. | 200 | 200 | 200 | 180 | 160 | |
| прер. * | 240 | 240 | 240 | 120 | 180 | ||
| макс.** | 280 | 280 | 280 | 240 | 210 | ||
|
Макс. расход масла (л/мин) |
непр. | 160 | 200 | 200 | 200 | 200 | |
| прер.* | 200 | 240 | 240 | 240 | 240 | ||
|
Макс. давление на входе (бар) |
непр. | 210 | 210 | 210 | 210 | 210 | |
|
прер. * |
250 | 250 | 250 | 250 | 250 | ||
|
макс.** |
300 | 300 | 300 | 300 | 300 | ||
|
Макс. обратное давление без линии слива или макс. давление слива (бар) |
непр. 0—100 об/мин |
60 | 60 | 60 | 60 | 60 | |
|
непр. 100— 300 об/мин |
30 | 30 | 30 | 30 | 30 | ||
|
непр. 600 об/мин |
20 | 20 | 20 | 20 | 20 | ||
|
прер.* 0 — макс. об/мин |
75 | 75 | 75 | 75 | 75 | ||
|
Макс. обратное давление с линией слива (бар) |
непр. | 140 | 140 | 140 | 140 | 140 | |
|
прер.* |
175 | 175 | 175 | 175 | 175 | ||
|
макс.** |
210 | 210 | 210 | 210 | 210 | ||
|
Макс. начальное давление с ненагруженным валом (бар) |
8 | 8 | 8 | 8 | 8 | ||
|
Мин. начальный крутящий момент (даН.м) |
при макс. непрерывном падении давления |
71 | 91 | 113 | 133 | 151 | |
|
при макс. прерывающемся падении давления* |
85 | 109 | 136 | 155 | 170 | ||
| Мин. число оборотов***, (об/мин) | 10 | 9 | 8 | 6 | 5 | ||
| Вес (кг) | 31,8 | 32,6 | 33,5 | 33,9 | 36,5 | ||
* Работа с перерывами: допустимые значения могут возникать не более чем в 10% случаев ежеминутно.
** Максимальная нагрузка: допустимые значения могут возникать не более чем в 1% случаев ежеминутно.
*** На предмет частоты вращения на 5 об/мин ниже заданной обращаться к производителю или региональному менеджеру.
1) Прерывистая частота вращения и прерывистое давление не должны возникать одновременно.
2) Рекомендуемая фильтрация согласно степени чистоты ISO 20/16. Номинальная фильтрация 25 микрон или лучше.
3) Рекомендуется использовать высококачественное, антифрикционное минеральное гидравлическое масло, HLP (DIN51524) или HM (ISO 6743/4). При использовании синтетических жидкостей обращаться к производителю для получения информации об альтернативных материалах уплотнения.
4) Рекомендуемая минимальная вязкость масла 13 мм2/с при 50°С.
5) Рекомендуемая максимальная рабочая температура системы составляет 82°C
6) Для обеспечения оптимальной продолжительности срока службы моторного масла заполнить систему жидкостью перед подачей нагрузки и оставить поработать при умеренной нагрузке и оборотах в течение 10—15 минут.
|
Артикул
|
MV 800C |
|
Страна производтва
|
БОЛГАРИЯ |
|
Производитель
|
M+S Hydraulic |
Оплатить заказ можно только от юридического лица, получив счет на оплату оборудования.







