Артикул:
MP 100C
Описание и схемы Гидромотор героторный, 99 см³/об, цилиндрический вал 25 мм
|
МP |
1 | 2 | 3 | 4 |
5 |
6 | 7 | 8 | 9 | 0 | 1 |
Код заказа
|
Поз. 1 |
Без кода | F |
Q |
W | |||
|
Монтажный фланец |
Овальный фланец, два отверстия |
Овальный фланец, четыре отверстия |
Квадратный фланец, четыре болта |
Колесный монтаж | |||
|
|
|||||||
|
Поз. 2 |
Без кода | N | |||||
|
Опционально (игольчатые подшипники) |
Отсутствует |
С игольчатыми подшипниками |
|||||
|
|
|||||||
|
Поз. 3 |
Без кода | E | |||||
|
Расположение отверстий |
Боковые отверстия |
Задние отверстия |
|||||
|
|
|||||||
|
Поз. 4 |
25* | 32* | 40* | 50 | 80 | 100 | 125 |
|
Код рабочего объема |
25,0 см3 /об |
32,0 см3/об |
40,0 см3 /об |
49,5 см3 /об |
79,2 см3 /об |
99,0 см3 /об |
123,8 см3 /об |
| Поз. 4 | 160 | 200 | 250 | 315 | 400 | 500 | 630 |
|
Код рабочего объема |
158,4 см3 /об |
198,0 см3 /об |
247,5 см3 /об |
316,8 см3 /об |
396,0 см3 /об |
495,0 см3 /об |
623,6 см3 /об |
|
|
|||||||
|
Поз. 5 |
C | VC | CO | VCO | SH | VSH | K |
| Параметры вала ** |
Ø25 цилиндрический, Призматическая шпонка A8x7x32 DIN 6885 |
Ø25 цилиндрический, Призматическая шпонка A8x7x32 DIN 6885 с коррозионно-устойчивой втулкой |
Ø1 цилиндрический, Призматическая шпонка ¼’’x ¼’’x1 ¼’’ Bs46 |
Ø1 цилиндрический, Призматическая шпонка ¼’’x ¼’’x1 ¼’’ Bs46 с коррозионно-устойчивой втулкой |
Ø25,32 шлицевой Bs2059 (SAE6B) |
Ø25,32 шлицевой Bs2059 (SAE6B) с коррозионно-устойчивым вкладышем |
Ø28,56 конический 1:10, Призматическая шпонка B5x5x14 DIN 6885 |
|
Поз. 5 |
SA | VSA | CB | KB | SB | OB | HB |
|
Параметры вала ** |
Ø24,5 шлицевой B25x22 DIN5482 |
Ø24,5 шлицевой B25x22 DIN5482 с коррозионно-устойчивой втулкой |
Ø32 цилиндрический, Призматическая шпонка A10x8x45 DIN 6885 |
Ø35 конический 1:10, Призматическая шпонка B6x6x20 DIN 6885 |
шлицевой A25x22 DIN5482 |
Ø1¼’’ конический 1:8, Призматическая шпонка 5/16”x5/16”x1 ¼’’ Bs46 |
Ø1¼’’ шлицевой 14T ANSI B92.1 - 1976 |
|
|
|||||||
|
Поз. 6 |
Без кода |
D | U | ||||
|
Вариант исполнения уплотнения вала |
Уплотнение вала низкого давления или стандартное уплотнение вала для вала типа «…B» |
стандартное уплотнение вала |
Уплотнение вала высокого давления (без обратных клапанов) |
||||
|
|
|||||||
|
Поз. 7 |
Без кода |
1 | |||||
|
Сливное отверстие |
со сливным отверстием |
без сливного отверстия |
|||||
|
|
|||||||
|
Поз. 8 |
Без кода | M | |||||
| Отверстия |
BSPP (ISO228) |
Метрическое (ISO262) |
|||||
|
|
|||||||
|
Поз. 9 |
|||||||
| Особые характеристики | |||||||
|
|
|||||||
|
Поз. 10 |
Без кода | ||||||
|
Модель |
Указывается заводом | ||||||

|
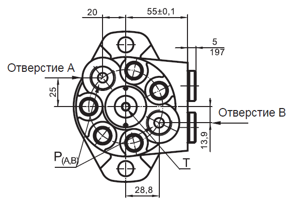
Расположение отверстий |
|
| S |
|
|
Боковые отверстия |
Задние отверстия |
![]() | ![]() |
|
С : 4 х М8—13 мм, глубина Р (А,В) : 2х G 1/2 or 2x M22 x 1,5—15 мм, глубина T : G 1/4 or M14{1,5—12 мм, глубина |
|
|
Монтаж |
|
|
|
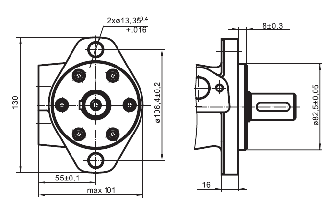
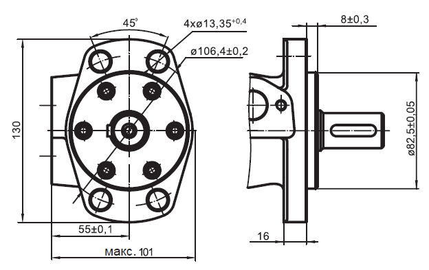
F |
| Овальный фланец (2 отверстия) | Овальный фланец (4 отверстия) |
![]() |
![]() |
| Q | ![]() |
|
Квадратный фланец (4 болта) |
|
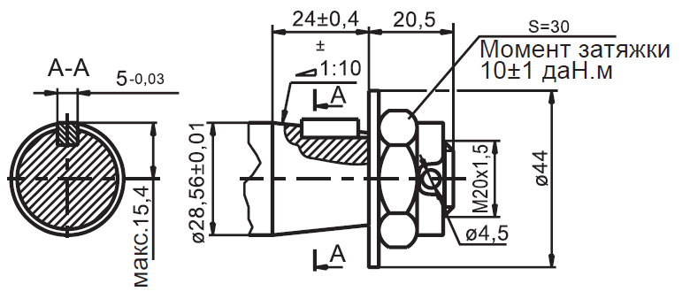
| Выступающие части вала | |
| C | CK |
|
Ø25 цилиндрический, Призматическая шпонка A8x7x32 DIN 6885 Макс. крутящий момент 34 даН.м |
Ø32 цилиндрический, Призматическая шпонка A10x6x45 DIN 6885 Макс. крутящий момент 77 даН.м |
|
|
| SH |
|
|
Ø 16,5 шлицевой, B17x14 DIN 5482 Макс. крутящий момент 4 |
|
![]() | ![]() |
| K | ![]() |
|
конический,1:10 Призматическая шпонка B5x5x14 DIN 6885 Макс. крутящий момент 40 даН.м |
|
|
Тип |
L mm |
Тип |
L mm |
Тип |
L mm |
Тип |
L mm |
L1 mm |
| MP(F) 25 | 134,0 | MPQ 25 | 140,5 | MP(F) E 25 | 151,5 |
MPQE 25 |
158.0 | 5.20 |
|
MP(F) 32 |
135,0 |
MPQ 32 |
141,5 |
MP(F) E32 |
152,5 |
MPQE 32 |
159.0 | 6.30 |
|
MP(F) 40 |
136,5 |
MPQ 40 |
142,5 |
MP(F) E40 |
154,0 |
MPQE 40 |
160.0 | 7.40 |
|
MP(F) 50 |
135,5 |
MPQ 50 |
142,0 |
MP(F) E50 |
153,0 |
MPQE 50 |
159.5 | 6.67 |
|
MP(F) 80 |
139,5 |
MPQ 80 |
146,0 |
MP(F) E80 |
157,0 |
MPQE 80 |
163.0 | 10.67 |
|
MP(F) 100 |
142,0 |
MPQ 100 |
148,5 |
MP(F) 100 |
160,0 |
MPQE 100 |
166.0 | 13.33 |
|
MP(F) 125 |
145,5 |
MPQ 125 |
152,0 |
MP(F) 125 |
163,0 |
MPQE 125 |
169.5 | 16.67 |
|
MP(F) 160 |
150,0 |
MPQ 160 |
156,5 |
MP(F) 160 |
168,0 |
MPQE 160 |
147.0 | 21.67 |
|
MP(F) 200 |
155,5 |
MPQ 200 |
162,0 |
MP(F) 200 |
173,0 |
MPQE 200 |
179.0 | 26.67 |
|
MP(F) 250 |
162,0 |
MPQ 250 |
168,5 |
MP(F) 250 |
180,0 |
MPQE 250 |
195.5 | 33.33 |
|
MP(F) 315 |
171,5 |
MPQ 315 |
178,0 |
MP(F) 315 |
189,0 |
MPQE 315 |
195.5 | 42.67 |
|
MP(F) 400 |
182,0 |
MPQ 400 |
188,5 |
MP(F) 400 |
200,0 |
MPQE 400 |
206.5 | 53.33 |
|
MP(F) 500 |
195,5 |
MPQ 500 |
202,0 |
MP(F) 500 |
213,0 |
MPQE 500 |
219.5 | 66.63 |
|
MP(F) 630 |
213,0 |
MPQ 630 |
219,0 |
MP(F) 630 |
230,5 |
MPQE 630 |
236.5 | 84.00 |
Размеры и установочные характеристики – MPW
W Колесный монтаж




Стандартное вращение
Вид с торца вала
Отверстие A под давлением — по час. стрелке
Отверстие A
Отверстие В
Отверстие B под давлением — против часовой стрелки
Р (А,В) : 2х G 1/2 or 2x M22 x 1,5—15 мм, глубина
T : G 1/4 or M14{1,5—12 мм, глубина (заглушенное)
| Тип | L mm | L1 mm |
| MPW 25 | 77,0 | 5,20 |
|
MPW 32 |
78,0 | 6,30 |
|
MPW 40 |
79,5 | 7,40 |
|
MPW 50 |
78,5 | 6,67 |
|
MPW 80 |
82,5 | 10,67 |
|
MPW 100 |
85,0 | 13,33 |
|
MPW 125 |
88,5 | 16,67 |
|
MPW 160 |
93,0 | 21,33 |
|
MPW 200 |
98,5 | 26,67 |
|
MPW 250 |
105,0 | 33,33 |
|
MPW 315 |
114,5 | 42,67 |
|
MPW 400 |
125,0 | 53,33 |
|
MPW 500 |
138,5 | 66,63 |
|
MPW 630 |
156,0 | 84,00 |
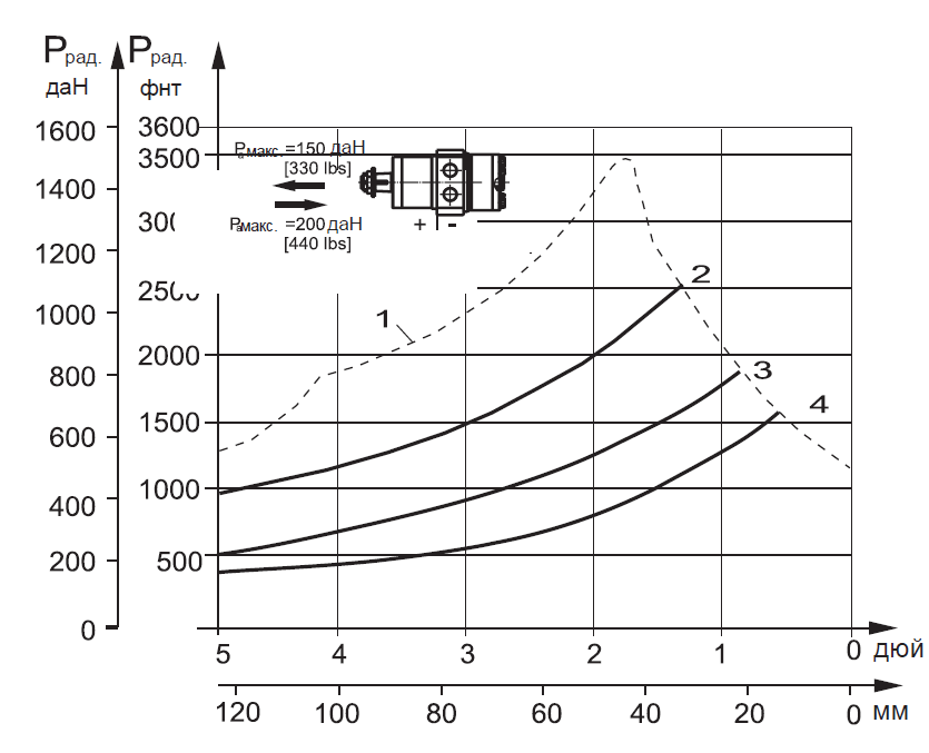
Допустимые нагрузки на вал
| MPWN |
MPW |
|
1. Макс. радиальная нагрузка на вал 2. n=50 об/мин 3.n=200 об/мин 4.n=800 об/мин |
1. Макс. радиальная нагрузка на вал 2. n=300 об/мин 3. n=500 об/мин 4. n=800 об/мин |
![]() |
![]() |
Технические характеристики
| Тип | MP 25 | MP 32 |
MP 40 |
MP 50 |
MP 80 |
MP 100 | MP 125 | MP 160 | MP 200 | MP 250 |
MP 315 | MP 400 | MP 500 |
MP 630 | |
|
Рабочий объём (см3/об.) | 25 | 32,0 | 40,0 | 49,5 | 79,2 | 99 | 123,8 | 158,4 | 198 | 247,5 | 316,8 | 396 | 495 | 623,6 | |
|
Макс. частота вращения (об/мин) | непр. | 1600 | 1560 | 1500 | 1210 | 775 | 605 | 486 | 378 | 303 | 242 | 190 | 150 | 120 | 95 |
|
прер.* | 1800 | 1720 | 1750 | 1515 | 945 | 775 | 605 | 472 | 375 | 303 | 236 | 189 | 150 | 120 | |
|
Макс. крутящий момент (даН.м) |
непр. | 3,3 | 4,3 | 6,2 | 9,4 | 15,1 | 19,3 | 23,7 | 31,3 | 36,6 | 47 | 48,6 | 50 | 39 | 44 |
|
прер.* | 4,7 | 6,1 | 8,2 | 11,9 |
19,5 | 23.7 | 29,8 | 37,8 | 45,6 | 58,3 | 56 | 59 | 57 | 64 | |
|
макс.** | 6,7 | 6,8 | 10,1 | 14,3 | 22,4 | 27,5 | 36,5 | 43,8 | 55 | 68,5 | 85 | 85,4 | 78 | 82 | |
|
Макс. мощность (кВт) |
непр. | 4,5 | 5,8 | 8,4 | 10,1 | 10,2 | 10,5 | 10 | 10,5 | 10 | 9.5 | 7,6 | 8,2 | 3,5 | 3,3 |
|
прер.* | 6,1 | 7,8 | 1,6 | 12,2 | 12,5 | 12,8 | 12 | 12,1 | 12 | 12 | 9 | 7,8 | 7,2 | 5,6 | |
|
Макс. перепад давления (бар) | непр. | 100 | 100 | 120 | 140 | 140 | 140 | 140 | 140 | 140 | 140 | 120 | 95 | 60 | 55 |
| прер. * | 140 | 140 | 155 | 175 | 175 | 175 | 175 | 175 | 175 | 175 | 140 | 115 | 90 | 80 | |
| макс.** | 225 | 225 |
225 |
225 | 225 | 225 | 225 | 225 | 225 | 225 | 225 | 180 | 130 | 110 | |
|
Макс. расход масла (л/мин) | непр. | 40 | 50 | 60 | 60 | 60 | 60 | 60 | 60 | 60 | 60 | 60 | 60 | 60 | 60 |
| прер.* | 45 | 55 | 70 | 75 | 75 | 75 | 75 | 75 | 75 | 75 | 75 | 75 | 75 | 75 | |
|
Макс. давление на входе (бар) | непр. | 175 | 175 | 175 | 175 | 175 | 175 | 175 |
175 |
175 |
175 |
175 | 175 | 140 | 140 |
|
прер. * | 200 | 200 | 200 | 200 | 200 | 200 | 200 | 200 | 200 | 200 | 200 | 200 | 175 | 175 | |
|
макс.** | 225 | 225 | 225 | 225 | 225 | 225 | 225 | 225 | 225 | 225 | 225 | 225 | 225 | 225 | |
|
Макс. обратное давление без линии слива или макс. давление слива (бар) |
непр. 0—100 об/мин | 150 | 150 | 150 | 150 | 100 | 100 | 100 | 100 | 100 | 100 | 100 | 100 | 150 | 150 |
|
непр. 300— 600 об/мин | 75 | 75 | 75 | 75 | 30 | 30 | 30 | 30 | 30 | 30 | 30 | 30 | 75 |
— | |
|
непр. 300— 600 об/мин | 50 | 50 | 50 | 50 | 15 | 15 | 15 | 15 | 15 |
— |
— |
— |
— |
— | |
|
непр. >600 об/мин | 20 | 20 | 20 | 20 |
|
|
|
|
|
|
|
| |||
|
прер.* 0 — макс. об/мин | 150 | 150 | 150 | 150 | 100 | 100 | 100 | 100 | 100 | 100 | 100 | 100 | 150 | 150 | |
|
Макс. обратное давление с линией слива (бар) | непр. | 175 | 175 | 175 | 175 | 175 | 175 | 175 | 175 | 175 | 175 | 175 | 175 | 140 | 140 |
|
|
прер.* | 200 | 200 | 200 | 200 | 200 | 200 | 200 | 200 | 200 | 200 | 200 | 200 | 175 | 175 |
|
макс.** | 225 | 225 | 225 | 225 | 225 | 225 | 225 | 225 | 225 | 225 | 225 | 225 | 225 | 225 | |
|
Макс. начальное давление с ненагруженным валом (бар) | 10 | 10 | 10 | 10 | 10 | 10 | 10 | 9 | 8 | 7 | 6 | 5 | 5 | 5 | |
|
Мин. начальный крутящий момент (даН.м) |
при макс. непрерывном падении давления | 3 | 4 | 5,4 | 7,8 | 16,6 | 10,7 | 28,2 | 33,5 |
42,8 | 45,8 |
45,8 | 36 | 41,5 | |
|
при макс. прерывающемся падении давления* | 4,2 | 5,6 | 6,9 | 10 | 6(6,5) | 21 | 26,5 | 35,5 | 42,6 | 54,2 | 61,9 | 60,8 | 54 | 62 | |
|
Мин. число оборотов***, (об/мин) | 20 | 15 | 10 | 10 |
| 10 | 10 | 10 | 10 | 10 | 10 | 10 | 10 | 10 | |
|
Вес (кг) | MP (F) | 5,6 | 5,6 | 5,7 | 5,8 |
| 6,2 (6...7) |
|
|
|
|
|
| 8,9 | 9,5 |
| MPF (E)...B |
|
|
|
|
|
|
6,3 (6,7) |
6,5 (6,9) |
6,7 (7,2) |
6,9 (7,4) |
7,2 (7,7) |
7,7 (8,2) |
|
| |
| MPQ (N) |
|
|
| 5,2 |
|
|
|
|
|
|
| 8,3 | 9,0 | ||
| MP (F) (N) E |
|
|
| 6,3 |
|
|
|
|
|
|
| 9,3 | 10 | ||
| MPW (N) | 5,5 | 8,8 | |||||||||||||
| MPQ (N) E |
|
|
| 5,7 |
|
|
|
|
|
|
|
|
| 8,5 | |
* Работа с перерывами: допустимые значения могут возникать не более чем в 10% случаев ежеминутно.
** Максимальная нагрузка: допустимые значения могут возникать не более чем в 1% случаев ежеминутно.
*** На предмет частоты вращения на 5 об/мин ниже заданной обращаться к производителю или региональному менеджеру.
1) Прерывистая частота вращения и прерывистое давление не должны возникать одновременно.
2) Рекомендуемая фильтрация согласно степени чистоты ISO 20/16. Номинальная фильтрация 25 микрон или лучше.
3) Рекомендуется использовать высококачественное, антифрикционное минеральное гидравлическое масло, HLP (DIN51524) или HM
(ISO 6743/4). При использовании синтетических жидкостей обращаться к производителю для получения информации об альтернативных
материалах уплотнения.
4) Рекомендуемая минимальная вязкость масла 13 мм2/с при 50°С.
5) Рекомендуемая максимальная рабочая температура системы составляет 82°C
8) Для обеспечения оптимальной продолжительности срока службы моторного масла заполнить систему жидкостью перед подачей
нагрузки и оставить поработать при умеренной нагрузке и оборотах в течение 10—15 минут.
|
Артикул
|
MP 100C |
|
Страна производтва
|
БОЛГАРИЯ |
|
Производитель
|
M+S Hydraulic |
Оплатить заказ можно только от юридического лица, получив счет на оплату оборудования.









