Артикул:
MM 8C
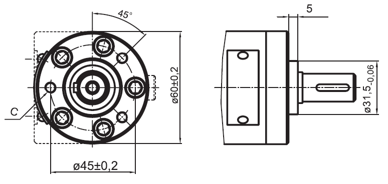
Описание и схемы Гидромотор героторный, 8,2 см³/об
|
MM |
1 | 2 | 3 | 4 |
5 |
6 | 7 | 8 | 9 |
Код заказа
|
Поз. 1 |
Без кода |
P |
D |
||||||
|
Вариант регулировки |
без клапана |
Боковые отверстия с одиночным перепускным редохранительным клапаном |
Боковые отверстия со сдвоенным перепускным предохранительным клапаном |
||||||
|
|
|||||||||
| Поз. 2 |
Без кода |
F | |||||||
|
Монтажный фланец |
Монтаж тремя болтами |
Овальный фланец, два отверстия |
|||||||
|
|
|||||||||
|
Поз. 3 |
Без кода |
S | |||||||
|
Тип отверстия (не для вариантов исполнения P и D) |
Задние отверстия |
Боковые отверстия |
|||||||
|
|
|||||||||
| Поз. 4 | 8 | 12,5 | 20 | 32 | 40 | 50 | |||
|
Код рабочего объема |
8,2 см³/об |
12,9 см³/об |
20,0 см³/об |
31,8 см³/об |
40,0 см³/об |
50,0 см³/об |
|||
|
|
|||||||||
|
Поз. 5 |
C | VC | CK | Sh | |||||
|
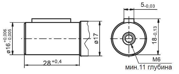
Параметры вала * |
Ø 16 цилиндрический, Призматическая шпонка A5x5x16 DIN 6885 |
с коррозионно-устойчивой втулкой |
Ø 14 цилиндрический, Призматическая шпонка 5x5x16 DIN 6885 |
Ø 16,5 шлицевой, B17x14 DIN 5482 |
|||||
|
|
|||||||||
| Поз. 6 |
Без кода |
M | |||||||
|
Отверстия |
Британская трубная цилиндрическая резьба (BSPP) (ISO 228) |
Метрическая (ISO 262) |
|||||||
|
|
|||||||||
|
Поз. 7 |
/ L | / R | |||||||
|
Контрольная линия** (см. стр. 4) |
B → А (вращение влево) |
А → В (вращение вправо) |
|||||||
|
|
|||||||||
| Поз. 8 |
/ 50 |
/ 100 | |||||||
|
Номинальное давление клапана*** |
Δ p=50 бар |
Δ p=100 бар |
|||||||
|
|
|||||||||
|
Поз. |
Особые характеристики (см. стр. 98) |
||||||||
|
Поз. |
Модель |
||||||||
| Без кода | Указывается заводом | ||||||||

|
Расположение отверстий |
|
| S |
|
|
Боковые отверстия |
Задние отверстия |
![]() |
![]() |
|
Монтаж |
|
|
|
F |
|
|
Овальный фланец (2 отверстия) |
![]() | ![]() |
|
Параметры вала |
|
| C | CK |
|
Ø 16 Макс. крутящий момент 3,9 даН.м |
Ø 14 цилиндрическое, Призматическая шпонка 5x5x16 DIN 6885 Макс. Крутящий момент 4,4 даН.м |
![]() |
![]() |
| SH | ![]() |
|
Ø 16,5 шлицевой, B17x14 DIN 5482 Макс. крутящий момент 4,4 даН.м |
|
|
Тип |
L mm |
Тип |
L2 mm | L1 mm |
| MM 8 | 104 |
MM 8 |
105 | 3,5 |
| MM 12,5 | 106 | MM 12,5 | 107 | 5,5 |
| MM 20 | 109 | MM 20 | 110 | 8.5 |
| MM 32 | 114 |
MM 32 |
115 | 13.5 |
| MM 40 | 117,5 |
MM 40 |
118,5 | 17 |
| MM 50 | 121,5 |
MM 50 |
112.5 | 21 |
Технические характеристики
| Тип | MM 8 | MM 12,5 | MM 20 | MM 32 | MM 40 | MM 50 | |
|
Рабочий объём (см3/об.) |
8,2 | 12,9 | 20 | 31,8 | 40 | 50 | |
|
Макс. частота вращения (об/мин) |
непр. | 1950 | 1550 | 1000 | 630 | 500 | 400 |
|
прер.* |
2440 | 1940 | 1250 | 790 | 625 | 500 | |
|
Макс. крутящий момент (даН.м) |
непр. |
1,1 | 1,6 | 2,5 | 4 | 4,1 | 4,5 |
|
прер.* |
1,5 | 2,3 | 3,5 | 5,7 | 5,7 | 5,8 | |
|
макс.** |
2,1 | 3,3 | 5,1 | 6,4 | 6,6 | 8 | |
|
Макс. мощность (кВт) |
непр. |
1,8 | 2,4 | 2,4 | 2,4 | 1,8 | 1,7 |
|
прер.* |
2,6 | 3,2 | 3,2 | 3,2 | 3,0 | 2,1 | |
|
Макс. перепад давления (бар) |
непр. | 100 | 100 | 100 | 100 | 80 | 70 |
| прер. * | 140 | 140 | 140 | 140 | 110 | 80 | |
| макс.** |
200 |
200 |
200 |
200 | 140 | 125 | |
| Макс. расход масла (л/мин) | непр. | 16 | 20 | 20 | 20 | 20 | 20 |
| прер.* | 25 | 25 | 25 | 25 | 25 | 25 | |
|
Макс. давление на входе (бар) |
непр. | 140 | 140 |
140 |
140 |
140 |
140 |
|
прер. * |
175 |
175 |
175 |
175 |
175 |
175 |
|
|
макс.** |
225 |
225 |
225 |
225 |
225 |
225 |
|
|
Макс. обратное давление без линии слива или макс. давление слива (бар) |
непр. 0—100 об/мин |
140 |
140 |
140 |
140 |
140 |
140 |
|
непр. 100—400 об/мин |
100 |
100 |
100 |
100 |
100 |
100 |
|
|
непр. 400—800 об/мин |
50 |
50 |
50 |
50 |
50 |
50 |
|
| непр. >800 об/мин | 20 | 20 | 20 | — | — |
— |
|
|
прер.* 0 — макс. об/мин |
140 |
140 |
140 |
140 |
140 |
140 |
|
|
Макс. обратное давление с линией слива (бар) |
непр. | 140 | 140 | 140 | 140 | 140 | 140 |
|
прер.* |
175 |
175 |
175 |
175 |
175 |
175 |
|
|
макс.** |
225 |
225 |
225 |
225 | 225 |
225 |
|
|
Макс. начальное давление с ненагруженным валом (бар) |
4 | 4 | 4 | 4 | 4 | 4 | |
|
Мин. начальный крутящий момент (даН.м) |
при макс. непрерывном падении давления |
0,7 | 1,2 | 2,1 | 3,4 | 3,3 | 3,7 |
|
при макс. прерывающемся падении давления* |
1,0 | 1,7 | 2,9 | 4,8 | 4,6 | 4,8 | |
|
Мин. число оборотов***, (об/мин) |
50 | 40 | 30 | 30 | 25 | 20 | |
|
Вес (кг) |
MM | 1,9 | 2 | 2,1 | 2,2 | 2,3 | 2,5 |
| MMF (S) | 2,3 | 2,4 | 2,5 | 2,6 | 2,7 | 2,9 | |
| MMFS | 2,7 | 2,8 | 2,9 | 3,0 | 3,1 | 3,3 | |
| MMP | 2,5 | 2,6 | 2,7 | 2.8 | 2,9 | 3,1 | |
| MMPF | 2,7 | 2,8 | 2,9 | 3,0 | 3,1 | 3,3 | |
| MMD | 2,6 | 2,7 | 2,8 | 2,9 | 3,0 | 3,2 | |
| MMDF | 2,8 | 2,9 | 3,0 | 3,1 | 3,2 | 3,4 | |
* Работа с перерывами: допустимые значения могут возникать не более чем в 10% случаев ежеминутно.
** Максимальная нагрузка: допустимые значения могут возникать не более чем в 1% случаев ежеминутно.
*** На предмет частоты вращения на 5 об/мин ниже заданной обращаться к производителю или региональному менеджеру.
1) Прерывистая частота вращения и прерывистое давление не должны возникать одновременно.
2) Рекомендуемая фильтрация согласно степени чистоты, ISO 20/16. Номинальная фильтрация 25 микрон или лучше.
3) Рекомендуется использовать высококачественное, антифрикционное минеральное гидравлическое масло, HLP (DIN51524) или
HM (ISO 6743/4). При использовании синтетических жидкостей обращаться к производителю для получения информации об
альтернативных материалах уплотнения.
4) Рекомендуемая минимальная вязкость масла 13 мм2/с при 50°С.
5) Рекомендуемая максимальная рабочая температура системы составляет 82°C
8) Для обеспечения оптимальной продолжительности срока службы моторного масла заполнить систему жидкостью перед подачей
нагрузки и оставить поработать при умеренной нагрузке и оборотах в течение 10—15 минут.
|
Артикул
|
MM 8C |
|
Страна производтва
|
БОЛГАРИЯ |
|
Производитель
|
M+S Hydraulic |
Оплатить заказ можно только от юридического лица, получив счет на оплату оборудования.






