Артикул:
MR 400C
Описание и схемы Гидромотор, 397 см³/об, цилиндрический вал 32 мм
| MR |
1 | 2 | 3 | 4 |
5 |
6 | 7 | 8 | 9 | 0 | 1 |
Код заказа
|
Поз. 1 |
Без кода | F |
Q |
W | |||||
|
Монтажный фланец |
Овальный фланец, два отверстия |
Овальный фланец, четыре отверстия |
Квадратный фланец, четыре болта |
Колесный монтаж | |||||
|
|
|||||||||
|
Поз. 2 |
Без кода | N | |||||||
|
Опционально (игольчатые подшипники) |
Отсутствует |
С игольчатыми подшипниками |
|||||||
|
|
|||||||||
|
Поз. 3 |
Без кода | E | |||||||
|
Расположение отверстий |
Боковые отверстия |
Задние отверстия |
|||||||
|
|
|||||||||
|
Поз. 4 |
50 | 80 | 100 | 125 | 160 | 200 | 250 | 315 | 400 |
|
Код рабочего объема |
51,5 см3 /об |
80,3 см3 /об |
99,8 см3/об |
125,7 см3 /об |
159,6 см3 /об |
199.8 см3 /об |
250,1 см3 /об |
315,7 см3 /об |
397,0 см3 /об |
|
|
|||||||||
|
Поз. 5 |
C | VC | CO | VCO | SH | VSH | K | ||
| Параметры вала ** |
Ø25 цилиндрический, Призматическая шпонка A8x7x32 DIN 6885 |
Ø25 цилиндрический, Призматическая шпонка A8x7x32 DIN 6885 |
Ø1 цилиндрический, Призматическая шпонка ¼’’x ¼’’x1 ¼’’ Bs46 |
Ø1 цилиндрический, Призматическая шпонка ¼’’x ¼’’x1 ¼’’ Bs46 |
Ø25,32 шлицевой Bs2059 (SAE6B) |
Ø25,32 шлицевой Bs2059 (SAE6B) с коррозионно-устойчивой втулкой |
Ø28,56 конический 1:10, Призматическая шпонка B5x5x14 DIN 6885 |
||
|
Поз. 5 |
SA | VSA | CB | KB | SB | OB | HB | ||
|
Параметры вала ** |
Ø24,5 шлицевой B25x22 DIN5482 |
Ø24,5 шлицевой B25x22 DIN5482 с коррозионно-устойчивой втулкой |
Ø32 цилиндрический, Призматическая шпонка A10x8x45 DIN 6885 |
Ø35 конический 1:10, Призматическая шпонка B6x6x20 DIN 6885 |
со шлицами A25x22 DIN5482 |
Ø1¼’’ конический 1:8, Призматическая шпонка 5/16”x5/16”x1 ¼’’ Bs46 |
Ø1¼’’ со шлицами 14T ANSI B92.1 - 1976 |
||
|
|
|||||||||
|
Поз. 6 |
Без кода |
D | U | ||||||
|
Вариант исполнения уплотнения вала |
Уплотнение вала низкого давления или стандартное уплотнение вала для вала типа «…B» |
стандартное уплотнение вала |
Уплотнение вала высокого давления (без обратных клапанов) |
||||||
|
|
|||||||||
|
Поз. 7 |
Без кода |
1 | |||||||
|
Сливное отверстие |
со сливным отверстием |
без сливного отверстия |
|||||||
|
|
|||||||||
|
Поз. 8 |
Без кода | M | |||||||
| Отверстия |
BSPP (ISO228) |
Метрическое (ISO262) |
|||||||
|
|
|||||||||
|
Поз. 9 |
|||||||||
| Особые характеристики | |||||||||
|
|
|||||||||
|
Поз. 10 |
Без кода | ||||||||
|
Модель |
Указывается заводом | ||||||||

|
Расположение отверстий |
|
|
|
E |
|
Боковые отверстия |
Задние отверстия |
![]() |
![]() |
|
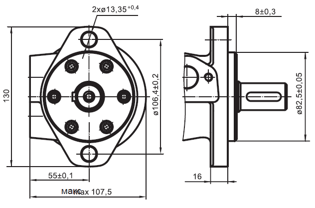
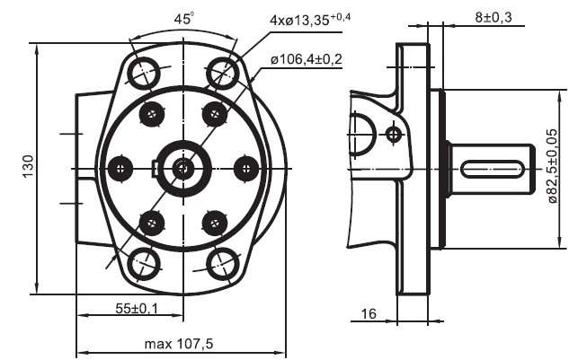
С : 4 х М8—13 мм, глубина Р (А,В) : 2х G 1/2 or 2x M22 x 1,5—15 мм, глубина T : G 1/4 or M14{1,5—12 мм, глубина (заглушенное) |
|
|
Монтаж |
|
|
|
F |
| Овальный фланец (2 отверстия) | Овальный фланец (4 отверстия) |
![]() |
![]() |
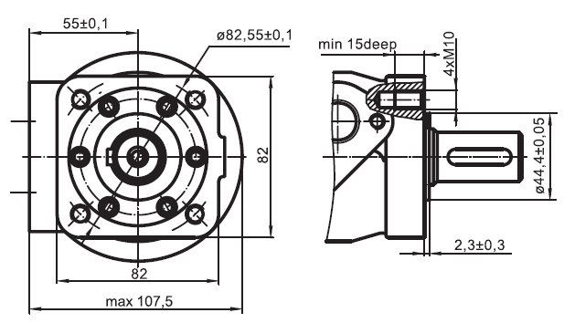
| Q | ![]() |
|
Квадратный фланец (4 болта) |
|
| Выступающие части вала | |
| C | Cb |
|
Ø25 цилиндрический, Призматическая шпонка A8x7x32 DIN 6885 Макс. крутящий момент 34 даН.м |
Ø32 цилиндрический, Призматическая шпонка A10x6x45 DIN 6885 Макс. крутящий момент 77 даН.м |
![]() |
![]() |
| CO | SH |
|
Ø1 цилиндрический, Призматическая шпонка ¼’’x ¼’’x1 ¼’’ BS46 Макс. крутящий момент 34 даН.м |
Шлицевой вал, BS 2059 (SAE6B) Макс. крутящий момент 40 даН.м |
![]() |
![]() |
| K | ![]() |
|
конический,1:10 Призматическая шпонка B5x5x14 DIN 6885 Макс. крутящий момент 40 даН.м |
|
|
Тип |
L mm |
Тип |
L mm |
Тип |
L mm |
Тип |
L mm |
L1 mm |
|
MR(F) 50 |
138,0 |
MPQ 50 |
143,5 |
MR(F) E50 |
157,5 |
MRQE 50 |
163.5 | 9.0 |
|
MR(F) 80 |
143,0 |
MPQ 80 |
148,5 |
MR(F) E80 |
162,5 |
MRQE 80 |
168.5 | 14.0 |
|
MR(F) 100 |
146,0 |
MPQ 100 |
152,0 |
MR(F) 100 |
165,5 |
MRQE 100 |
171.5 | 17.4 |
|
MR(F) 125 |
150,5 |
MPQ 125 |
156,5 |
MR(F) 125 |
170,0 |
MRQE 125 |
176.0 | 21.8 |
|
MR(F) 160 |
156,5 |
MPQ 160 |
162,5 |
MR(F) 160 |
176,0 |
MRQE 160 |
182.0 | 27.8 |
|
MR(F) 200 |
163,5 |
MPQ 200 |
169,5 |
MR(F) 200 |
183,0 |
MRQE 200 |
189.0 | 34.8 |
|
MR(F) 250 |
172,0 |
MPQ 250 |
179,0 |
MR(F) 250 |
192,0 |
MRQE 250 |
198.0 | 43.5 |
|
MR(F) 315 |
183,0 |
MPQ 315 |
189,0 |
MR(F) 315 |
204,0 |
MRQE 315 |
210.0 | 54.8 |
|
MR(F) 400 |
198,0 |
MPQ 400 |
204,0 |
MR(F) 400 |
218,0 |
MRQE 400 |
224.0 | 69.4 |
Технические характеристики
| Тип |
MR 50 |
MR 80 |
MR 100 |
MR 125 | MR 160 | MR 200 | MR 250 |
MR 315 |
MR 400 | ||
|
Рабочий объём (см3/об.) |
51,5 | 80,3 | 99,8 | 125,7 | 159,6 | 199,8 | 250,1 | 315,7 | 397 | ||
|
Макс. частота вращения (об/мин) |
непр. | 775 | 750 | 600 | 475 | 375 | 300 | 240 | 190 | 150 | |
|
прер.* |
970 | 940 | 750 | 600 | 470 | 375 | 300 | 240 | 190 | ||
|
Макс. крутящий момент (даН.м) |
непр. |
10,1 | 19,5 | 24 | 30 | 39 | 38,5 | 39 | 39 | 38 | |
|
прер.* |
13 | 22 | 28 | 34 | 43 | 46 | 58 | 57 | 60 | ||
|
макс.** |
17 | 27 | 32 | 37 | 46 | 56 | 71 | 83 | 87 | ||
|
Макс. мощность (кВт) |
непр. |
7 | 12,5 | 13 | 12,5 | 11,5 | 9 | 6.5 | 6 | 4,8 | |
|
прер.* |
8,5 | 15 | 15 |
14,5 |
14 | 11,5 | 10,5 | 9,6 | 8,8 | ||
|
Макс. перепад давления (бар) |
непр. | 140 | 175 | 175 | 175 | 175 | 140 | 110 | 90 | 70 | |
| прер. * | 175 | 200 | 200 | 20 | 200 | 175 | 175 | 140 | 115 | ||
| макс.** |
225 |
225 | 225 | 225 | 225 | 225 | 225 | 210 | 175 | ||
|
Макс. расход масла (л/мин) |
непр. | 40 | 60 | 60 | 60 | 60 | 60 | 60 | 60 | 60 | |
| прер.* | 55 | 75 | 75 | 75 | 75 | 75 | 75 | 75 | 75 | ||
|
Макс. давление на входе (бар) |
непр. | 175 | 175 | 175 | 175 |
175 |
175 |
175 |
175 |
175 | |
|
прер. * |
200 | 200 | 200 | 200 | 200 | 200 | 200 | 200 | 200 | ||
|
макс.** |
225 | 225 | 225 | 225 | 225 | 225 | 225 | 225 | 225 | ||
|
Макс. обратное давление без линии слива или макс. давление слива (бар) |
непр. 0—100 об/мин |
150 | 150 | 150 | 150 | 150 | 150 | 150 | 150 | 150 | |
|
непр. 100— 300 об/мин |
75 | 75 | 75 | 75 | 75 | 75 | 75 | 75 | 75 | ||
|
непр. 300— 600 об/мин |
50 | 50 | 50 | 50 | 50 | 50 |
— |
— |
— |
||
|
непр. >600 об/мин |
20 | 20 | 20 |
— |
— |
— |
— |
— |
— |
||
|
прер.* 0 — макс. об/мин |
150 | 150 | 150 | 150 | 150 | 150 | 150 | 150 | 150 | ||
|
Макс. обратное давление с линией слива (бар) |
непр. | 175 | 175 | 175 | 175 | 175 | 175 | 175 | 175 | 175 | |
|
прер.* |
200 | 200 | 200 | 200 | 200 | 200 | 200 | 200 | 200 | ||
|
макс.** |
225 | 225 | 225 | 225 | 225 | 225 | 225 | 225 | 225 | ||
|
Макс. начальное давление с ненагруженным валом (бар) |
10 | 10 | 10 | 9 | 7 | 5 | 4 | 3 | 3 | ||
|
Мин. начальный крутящий момент (даН.м) |
при макс. непрерывном падении давления |
8 | 8 | 20 | 25 | 32 | 33 | 31 | 33 | 30 | |
|
при макс. прерывающемся падении давления* |
10 | 10 | 23 | 25 | 37 | 40 | 48 | 58 | 50 | ||
|
Мин. число оборотов***, (об/мин) |
10 |
10 | 10 | 10 | 10 | 10 | 10 | 10 | 10 | ||
|
Вес (кг) |
MP (F) |
6,8 |
6,9 | 7,2 | 7,3 | 7,5 | 8 | 8,4 | 9,1 | 9,8 | |
| MRF | 6,2, | 6,3 | 6,6 |
6,8 |
7.6 |
7,2 |
7,8 |
8,6 |
9,3 |
||
| MRQ |
|
|
|
|
|
|
|
|
|||
* Работа с перерывами: допустимые значения могут возникать не более чем в 10% случаев ежеминутно.
** Максимальная нагрузка: допустимые значения могут возникать не более чем в 1% случаев ежеминутно.
*** На предмет частоты вращения на 5 об/мин ниже заданной обращаться к производителю или региональному менеджеру.
1) Прерывистая частота вращения и прерывистое давление не должны возникать одновременно.
2) Рекомендуемая фильтрация согласно степени чистоты ISO 20/16. Номинальная фильтрация 25 микрон или лучше.
3) Рекомендуется использовать высококачественное, антифрикционное минеральное гидравлическое масло, HLP (DIN51524) или
HM (ISO 6743/4). При использовании синтетических жидкостей обращаться к производителю для получения информации об
альтернативных материалах уплотнения.
4) Рекомендуемая минимальная вязкость масла 13 мм2/с при 50°С.
5) Рекомендуемая максимальная рабочая температура системы составляет 82°C
8) Для обеспечения оптимальной продолжительности срока службы моторного масла заполнить систему жидкостью перед подачей
нагрузки и оставить поработать при умеренной нагрузке и оборотах в течение 10—15 минут.
|
Артикул
|
MR 400C |
|
Страна производтва
|
БОЛГАРИЯ |
|
Производитель
|
M+S Hydraulic |
Оплатить заказ можно только от юридического лица, получив счет на оплату оборудования.









