Артикул:
C36-012C
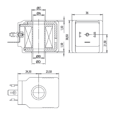
Описание и схемы Катушки типа C36, V12 (DC)
– Магнитная цепь в оболочке из нейлона, армированного стекловолокном
– Стандартный цвет – черный
– Металлические детали обеспечены защитой от окисления

[1] Код для заказа
C30-**** : DIN 43650/A
C30/C-**** : Разделанный вывод
C30/K-**** : kostal M24x1
C30/A-**** : AMP Junior
– Стандартный цвет – черный
– Металлические детали обеспечены защитой от окисления

Характеристики
|
Типовые номинальные напряжения |
– 12–24 B постоянного тока – 24–110–220 B переменного тока (AC) и выпрямленного переменного тока (RAC) |
|
Катушка класса F согласно IEC |
85, стандарт |
|
Провод класса H |
200°C |
|
Рабочий цикл |
ED100%, код для напряжения, тока и потребляемой мощности |
|
См. таблицу параметров катушек |
012C, 024C, 048C для напряжения постоянного тока (VDC) 024R, 110R, 220R для выпрямленного переменного тока (RAC) |
|
Частота |
024/50, 110/50, 230/50 для переменного тока при 50 Гц 110/60, 220/60 для переменного тока при 60 Гц |
[1] Код для заказа
| (1) | (2) |
(3) |
||
| С30 |
— |
|
— |
|
C30-**** : DIN 43650/A
C30/C-**** : Разделанный вывод
C30/K-**** : kostal M24x1
C30/A-**** : AMP Junior
| Катушки | Напряжение постоянного/выпрямленного переменного тока | Номинальный ток (А) | Сопротивление при 20 °С (0м) | Номинальная мощность (Вт) | Класс изоляции |
|
C30-012C |
V 12 DC | 1,55 | 7,7 | 18,6 | F |
|
C30-024C |
V 24 DC | 0,8 |
31 |
19 | |
|
C30-024R |
V 24 RAC | 0,85 | 27 | 18,3 | |
| C30-048C | V 48 DC | 0,4 | 116 | 19 | |
|
C30-048R |
V 48 RAC |
0,4 | 106 | 17,3 | |
|
C30-110R |
V 110-115 RAC |
0,16 | 600 | 16 | |
|
C30-220R |
V 220-230 RAC |
0,08 | 2500 | 16 | |
| AC | (*) | (VA) (*) | |||
|
C30-024/50 |
24V 50Hz |
0,9 | 5,3 | 35 | F |
|
C30-110/50 |
110-115V 50Hz |
0,2 | 108 | ||
| C30-230/50 |
220-230V 50Hz |
0,1 | 438 | ||
|
C30-110/60 |
110-115V 60Hz |
0,3 | 92 | ||
|
C30-220/60 |
220-230V 60Hz |
0,15 | 375 |
|
Артикул
|
C36-012C |
|
Страна производтва
|
ИТАЛИЯ |
|
Производитель
|
aidro s.r.l |
Оплатить заказ можно только от юридического лица, получив счет на оплату оборудования.