Артикул:
EV2O-78-03-024C
Описание и схемы Встраиваемый 2-линейный электромагнитный клапан. нормально открытый, 7/8"- 14UNF-SAE 10/2, 24VDC
1. Описание
Направляющий гидрораспределитель, 2-линейный, 2-позиционный, золотникового типа. Для данных клапанов предусмотрены различные конфигурации золотников.По запросу может поставляться версия для режимов высокой производительности для высоких расходов или давлений. Двойные кольцевые уплотнения обеспечивают эффективную и надежную герметизацию клапана.
2. Код для заказа
| (1) |
(2) |
|
(3) |
(4) |
(5) |
(6) |
(7) |
||||
| EV2 |
— |
78 |
— |
— |
— |
/ |
|
(1) EV2: 2-линейный электромагнитный клапан золотникового типа
(2) Тип золотника:
C: Нормально закрытый
O: Нормально открытый
(3) 78: 7/8”-14 UNF
(4) Варианты клапанов (см. 8 )
03: Без устройства ручного управления
04: Устройство ручного управления нажимного типа (стандарт)
05: Устройство ручного управления винтового типа
(5) Электрическое напряжение и катушки электромагнитов (см. 9):
0000: Без катушек
012C: Катушки для 12 B постоянного тока
024C: Катушки для 24 B постоянного тока
115A: Катушки для 110 B/50 Гц – 115 В переменного тока/60 Гц
230A: Катушки для 220 B/50 Гц – 230 В переменного тока/60 Гц
(6) Опции соединения катушки
Без обозначения: Стандартное соединение ISO4400/DIN43650/A
D: Deutsch
A: AMP Junior Timer
AMPX
(7) Номер конструкции (порядковый) клапанов


В состав встраиваемых 2-позиционных/2-линейных клапанов типа EV2*.78 входит втулка клапана 1, управляющий золотник 2, возвратная пружина 3 и приводной узел 4, который включает магнитные детали и винтовую секцию. Возбуждающая электрическая катушка 5 электромагнита крепится к узлу зажимной гайкой 6. Когда к катушкам электромагнитов подводится питание, магнитный подвижный якорь смещается и, посредством стержня, установленного внутри узла, перемещает управляющий золотник, создавая гидравлические соединения между портами 1 и 2.
3. Технические характеристики
|
Номинальный расход |
32 л/мин |
Электрические характеристики: Данные электромагнитные клапаны, как правило, оснащаются катушками типа B02, питание к которым подводится напрямую от источника напряжения 12 B постоянного тока = 012 C 24 B постоянного тока = 024 C с использованием катушек со встроенным двухполупериодным мостовым выпрямителем – от источника напряжения переменного тока: 110 B/50 Гц – 115 B /60 Гц = 115 A 220 B/50 Гц – 230 B/60 Гц = 230 A |
|
Макс. рекомендуемый расход |
40 л/мин |
|
|
Макс. номинальное давление |
25 МПа (250 бар) |
|
|
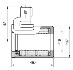
Размеры и установка |
см. 5 |
|
|
Рабочий цикл |
ED 100% |
|
|
Масса (без катушки) |
0,22 кг |
4. Типовые графики

5. Установочные размеры

Клапаны EV2*.78 устанавливаются в седло 7/8”-14 UNF. Проверьте соответствующее состояние и расположение уплотнений, затем заверните клапан в камеру и зафиксируйте путем затяжки шестигранника под ключ 27 мм с крутящим моментом приблизительно 45 Нм
6. Пределы гидравлической мощности

7. Соединители
Все соединители должны соответствовать требованиям стандарта ISO4400 (DIN43650), и электрическая цепь должна быть способна проводить следующий номинальный ток:12 B постоянного тока = 2,4 A 115 B/50 Гц = 0,26 A
24 B постоянного тока = 1,2 A 230 B/60 Гц = 0,14 A
Катушки с двумя электрическими контактами, соответствующие стандартам для соединителей AMP, предусмотрены только для источника питания постоянного тока (пример кода: B02- 012C AMP).
8. Варианты ручного управления

9. Катушки типа B02 (ø19 мм)
|
DIN 4365/A-ISO 4400 |
AMP (Amp Junior Timer) |
AMPX (Amp Junior Axial) |
Deutsch |
DIN 4365/A-ISO 4400 со встроенным выпрямителем |
![]() |
![]() |
|
|
![]() |
10. Корпус линейного монтажа
LAB-78-2/38, 3/8” BSP, алюминиевый сплав, масса 0,54 кг
|
Артикул
|
EV2O-78-03-024C |
|
Страна производтва
|
ИТАЛИЯ |
|
Производитель
|
aidro s.r.l |
Оплатить заказ можно только от юридического лица, получив счет на оплату оборудования.


