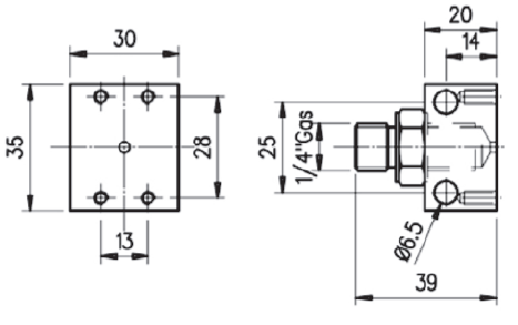
Артикул:
IP3-32-BFU-14
Описание и схемы Реле давления поршневого типа, стыковой монтаж, с адаптером G1/4"(внутр), 30-350 бар, рукоятка
1. Описание
Реле давления2. Код для заказа
| (1) |
(2) |
|
(3) |
(4) |
||
| IP |
— |
2 |
— |
04 | / |
|
(1) IP: Реле давления
(2) Тип регулировки:
2: Винт без головки (см. 3)
3: Маховик со шкалой (см. 2)
(3) Диапазоны давлений:
3,2: 6–35 бар (0,6–3,5 МПа)
16: 12–160 бар (1,2–16,0 МПа)
32: 30–350 бар (3,0–35,0 МП)
63: 50–630 бар (5,0–63,0 МПа)
(4) Электрическое соединение:
Без обозначения: Стандарт
A: Опция
| Символ | Контакты | Фланцевое соединение |
![]() |
![]() |
![]() |
3. Технические характеристики
|
|
125 B переменного тока |
250 B переменного тока |
30 B переменного тока | 15 B переменного тока |
|
Макс. напряжение (расчетная нагрузка) |
7 Ампер |
5 Ампер |
0,2 Ампер |
|
|
Частота соединений |
макс. 120 циклов/мин |
|||
|
Степень защиты |
IP65 |
|||
|
Постоянный ток с индуктивной нагрузкой |
рекомендуется установить разрядный контакт |
|||
4. Технические данные реле давления типа IP3
Масса: 0,65 кг
Максимальная погрешность <±1% установки
Степень защиты: IP-65

5. Типовые графики для реле давления IP3

6. Технические характеристики реле давления типа IP2

7. Типовые графики для реле давления IP3

8. Адаптеры для монтажа
|
APM-14 |
APH-14 |
BFU-14 (гнездовой соединитель) |
BMM-** |
||
![]() |
![]() |
|
![]() |
||
|
Предназначен для монтажа реле давления: –Адаптер для панельного монтажа при помощи 2 отверстий ø6,2 –Оснащен ниппелем ¼” BS |
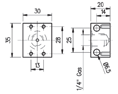
Предназначен для монтажа реле давления:Адаптер для панельного монтажа при помощи 2 отверстий ø6,2 |
МАССА 0,3 кг |
TYPE |
А | В |
| BMM-14 | 1/4" BSP | 41 | |||
|
BMM-38 |
3/8" BSP |
45 | |||
|
BMM-12 |
1/2" BSP |
46 | |||
|
МАССА 0,3 кг |
0,3 кг |
||||
9. Установочные модули CETOP

Пример кода для заказа:
AM3-KO-AB/16
где:
AM3-KO = Модуль CETOP 03 AB = Реле давления в линиях A и B /16 =Диапазон давлений
CETOP 03

CETOP 05

|
Артикул
|
IP3-32-BFU-14 |
|
Страна производтва
|
ИТАЛИЯ |
|
Производитель
|
aidro s.r.l |
Оплатить заказ можно только от юридического лица, получив счет на оплату оборудования.





